Curiosii for ever!: Car repair manuals for everyone.

Automatic Transmission/Transaxle

Park/Neutral, Speed Under 8 MPH:





Neutral, Speed Under 8 MPH:





Reverse:





Reverse Block, Shift To Reverse With Speed Over 8 MPH:





First Gear:





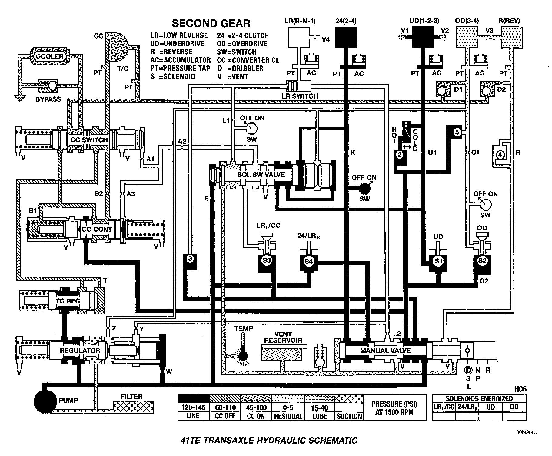
Second Gear:





Second Gear, EMCC:





Direct Gear:





Direct Gear EMCC:





Direct Gear, CC On:





Overdrive:





Overdrive, EMCC:





Overdrive, CC On: