Curiosii for ever!: Car repair manuals for everyone.

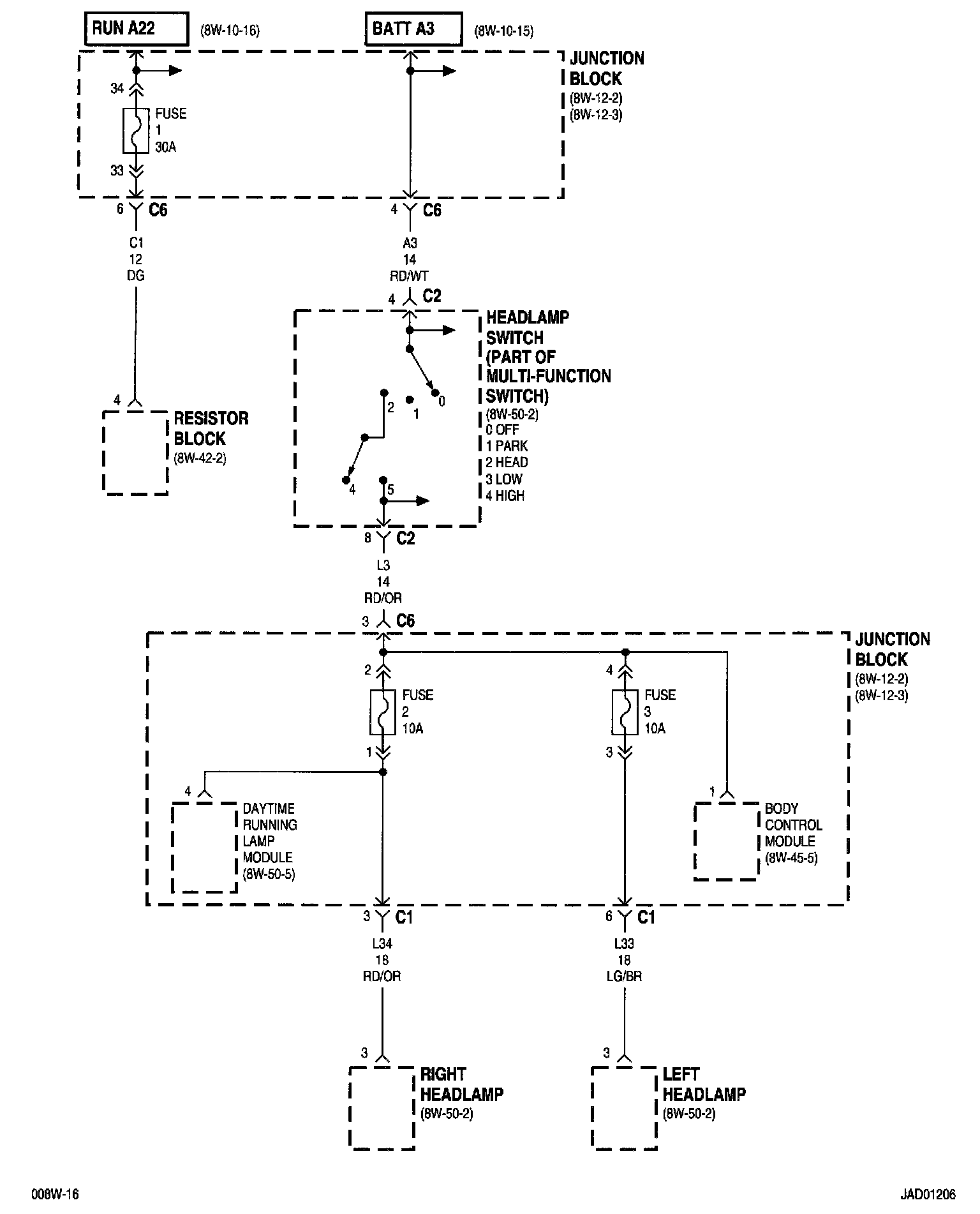
Fuse Block

8w-12-6:




Body Control Module
Daytime Running Lamp Module
Fuse 1 (JB)
Fuse 2 (JB)
Fuse 3 (JB)
Headlamp Switch
Junction Block
Left Headlamp
Resistor Block
Right Headlamp


8w-12-7:




Back-Up Lamp Switch
Daytime Running Lamp Module
Fuse 4 (JB)
Junction Block
Left Front Power Door Lock Switch
Right Front Power Door Lock Switch
Transmission Range Sensor


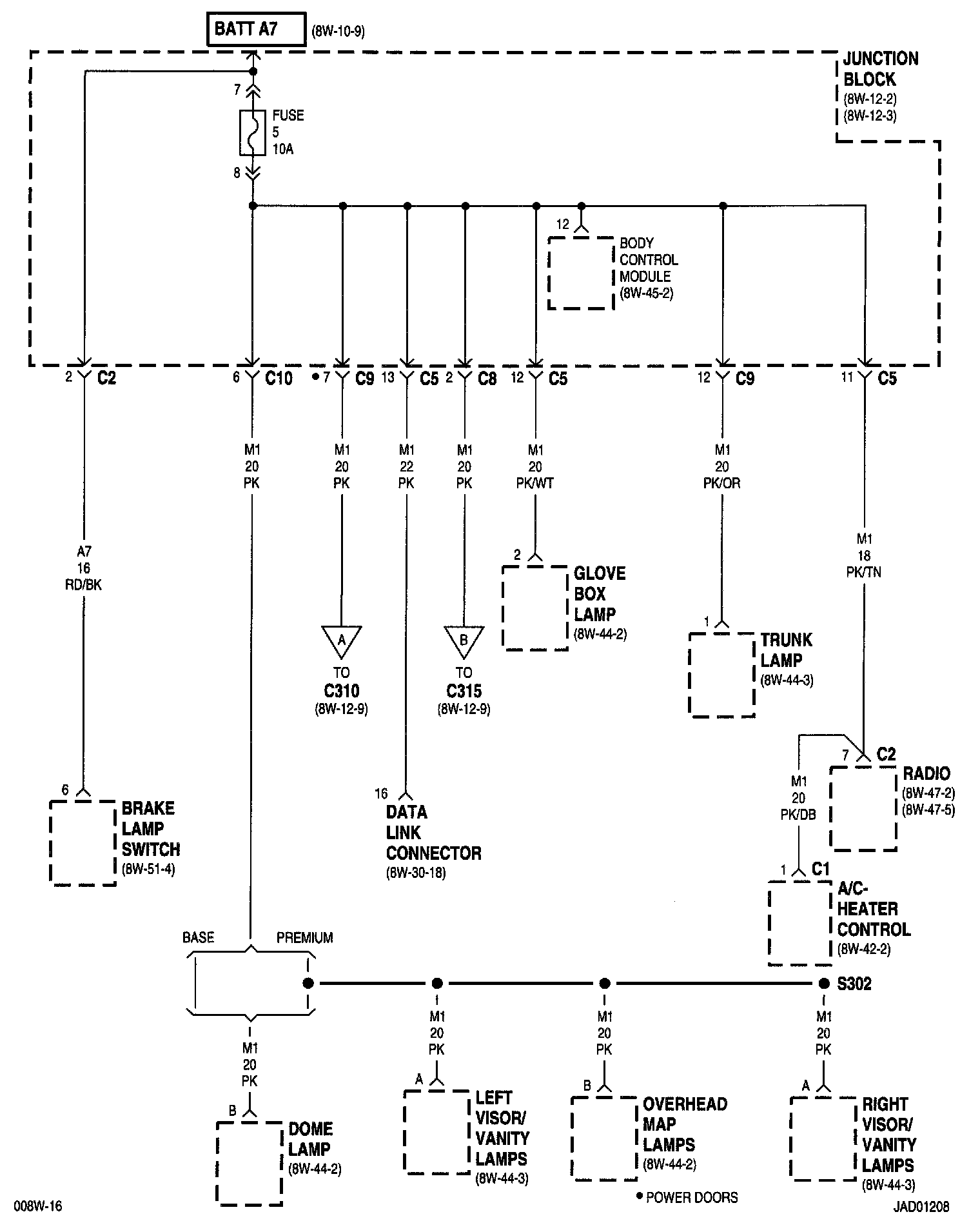
8w-12-8:




A/C- Heater Control
Body Control Module
Brake Lamp Switch
Data Link Connector
Dome Lamp
Fuse 5 (JB)
Glove Box Lamp
Junction Block
Left Visor/Vanity Lamps
Overhead Map Lamps
Radio
Right Visor/Vanity Lamps
Trunk Lamp


8w-12-9:




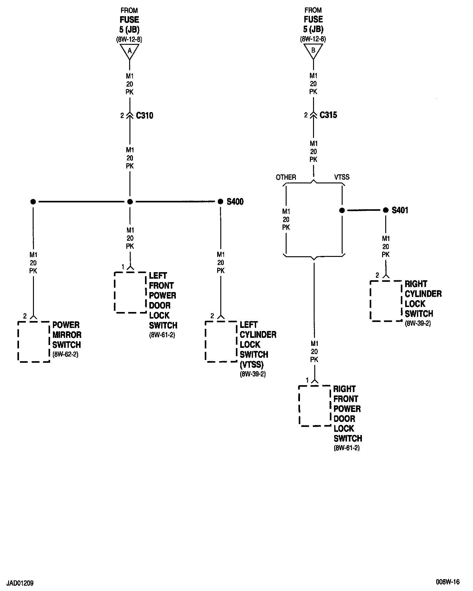
Left Cylinder Lock Switch
Left Front Power Door Lock Switch
Power Mirror Switch
Right Cylinder Lock Switch
Right Front Power Door Lock Switch


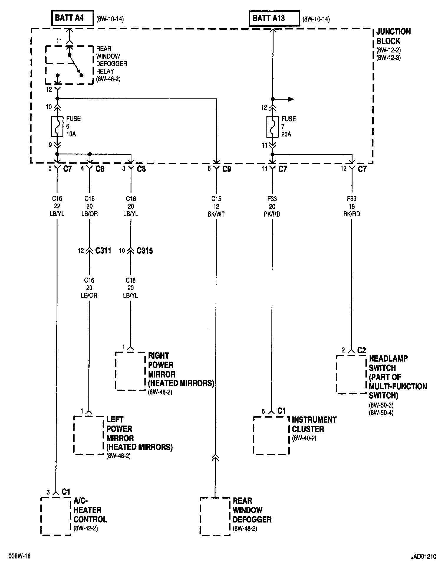
8w-12-10:




A/C- Heater Control
Fuse 6 (JB)
Fuse 7 (JB)
Headlamp Switch
Instrument Cluster
Junction Block
Left Power Mirror
Rear Window Defogger
Rear Window Defogger Relay
Right Power Mirror


8w-12-11:




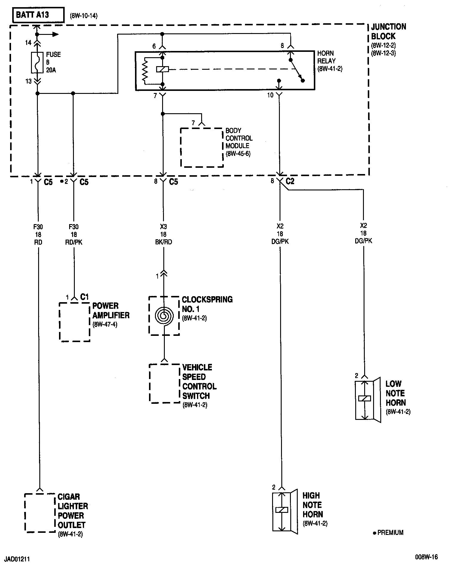
Body Control Module
Cigar Lighter/Power Outlet
Clockspring No.1
Fuse 8 (JB)
High Note Horn
Horn Relay
Junction Block
Low Note Horn
Power Amplifier
Vehicle Speed Control Switch


8w-12-11:




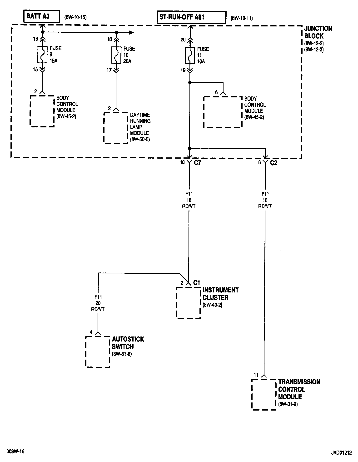
Body Control Module
Daytime Running Lamp Module
Fuse 9 (JB)
Fuse 10 (JB)
Fuse 11 (JB)
Instrument Cluster
Junction Block
Transmission Control Module


8w-12-13:




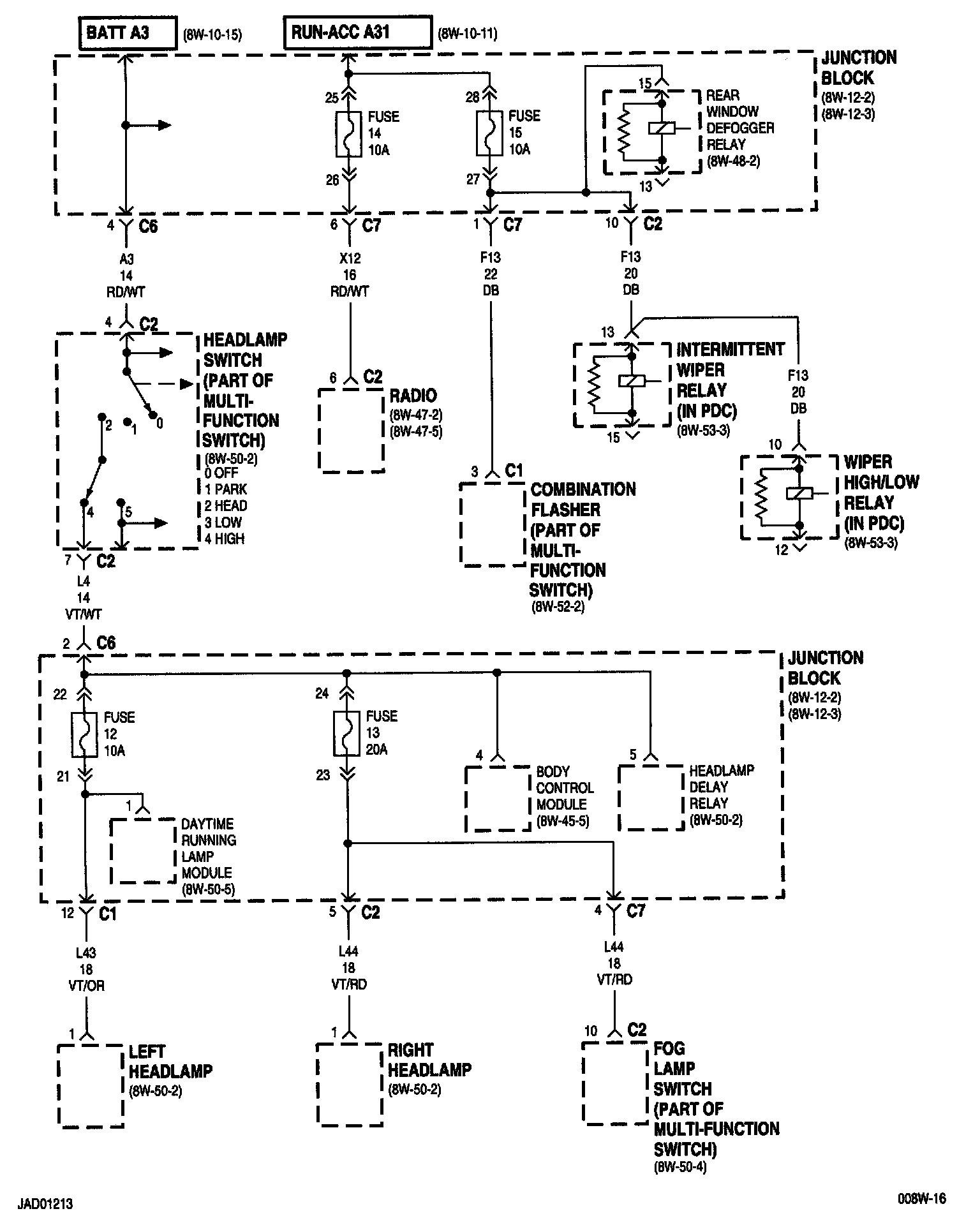
Body Control Module
Daytime Running Lamp Module
Fog Lamp Switch
Fuse 12 (JB)
Fuse 13 (JB)
Fuse14 (JB)
Fuse 15 (JB)
Headlamp Delay Relay
Headlamp Switch
Intermittent Wiper Relay
Junction Block
Left Headlamp
Radio
Rear Window Defogger Relay
Right Headlamp
Wiper High/Low Relay


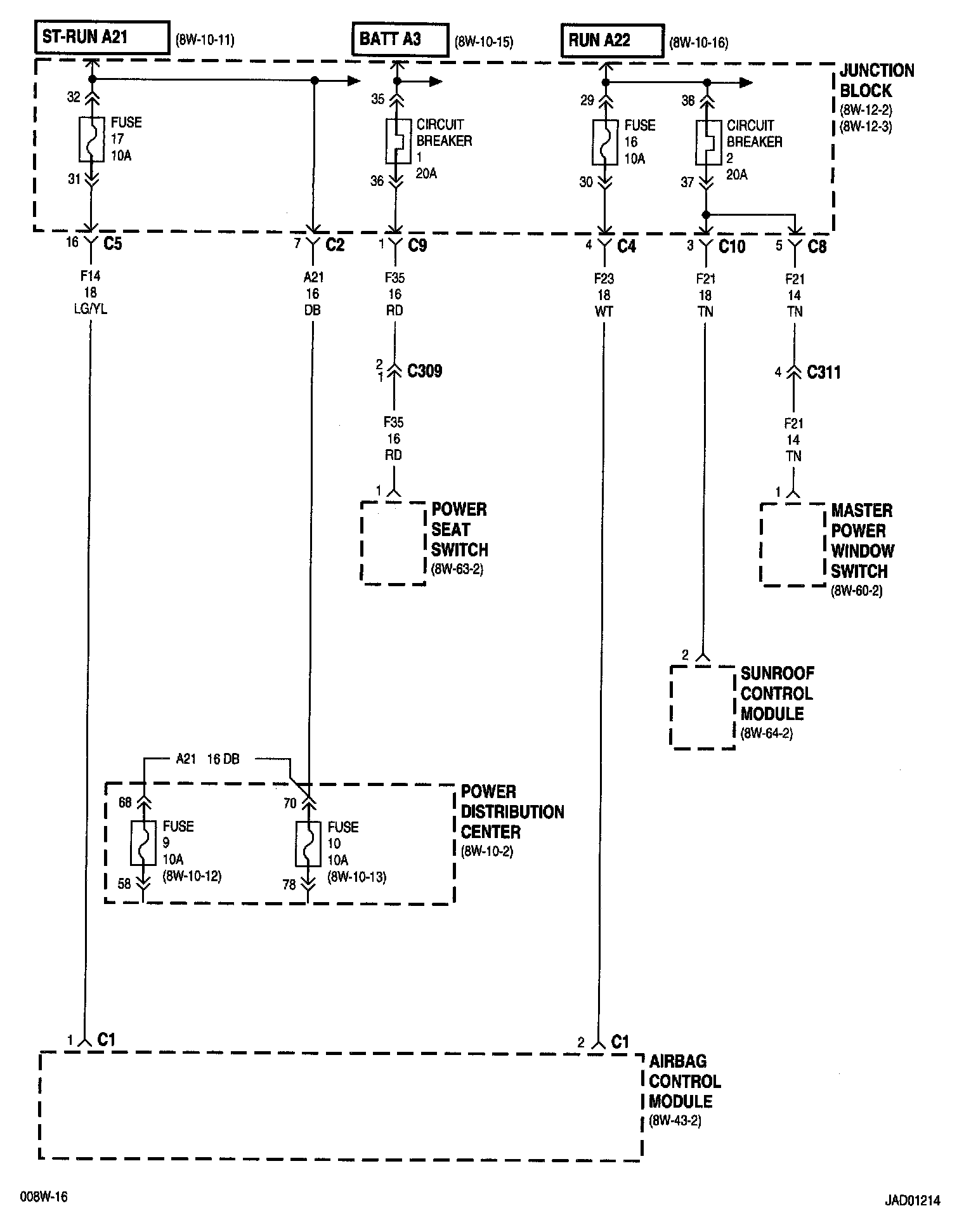
8w-12-14:




Airbag Control Module
Circuit Breaker 1
Circuit Breaker 2
Fuse 9 (PDC)
Fuse 10 (PDC)
Fuse 16 (JB)
Fuse 17 (JB)
Junction Block
Master Power Window Switch
Power Distribution Center
Power Seat Switch


8w-12-15:




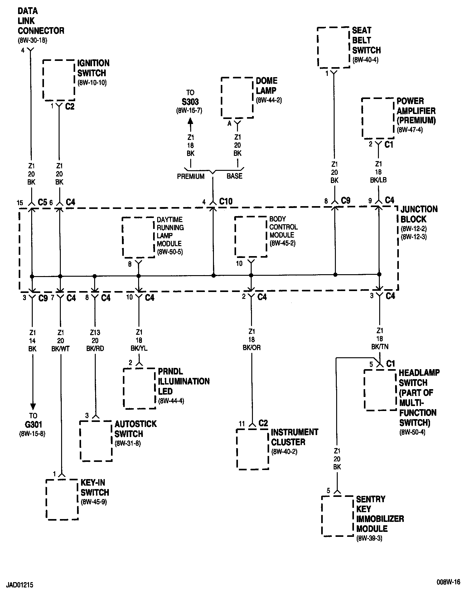
Body Control Module
Data Link Connector
Daytime Running Lamp Module
Dome Lamp
G301
Headlamp Switch
Ignition Switch
Instrument Cluster
Junction Block
Key-In Switch
Power Amplifier
PRNDL Illumination LED
Seat Belt Switch
Sentry Key Immobilizer Module


8w-12-16:




Body Control Module
Headlamp Switch
Left Park/Turn Signal Lamp
Left Tail/Stop Lamp
License Lamp
Radio
Right Park/Turn Signal Lamp
Right Tail/Stop Lamp


8w-12-17:




Body Control Module
Dome Lamp
Junction Block
Left Rear Power Window Switch
Master Power Window Switch
Right Front Power Window Switch
Right Rear Power Window Switch


8w-12-18:




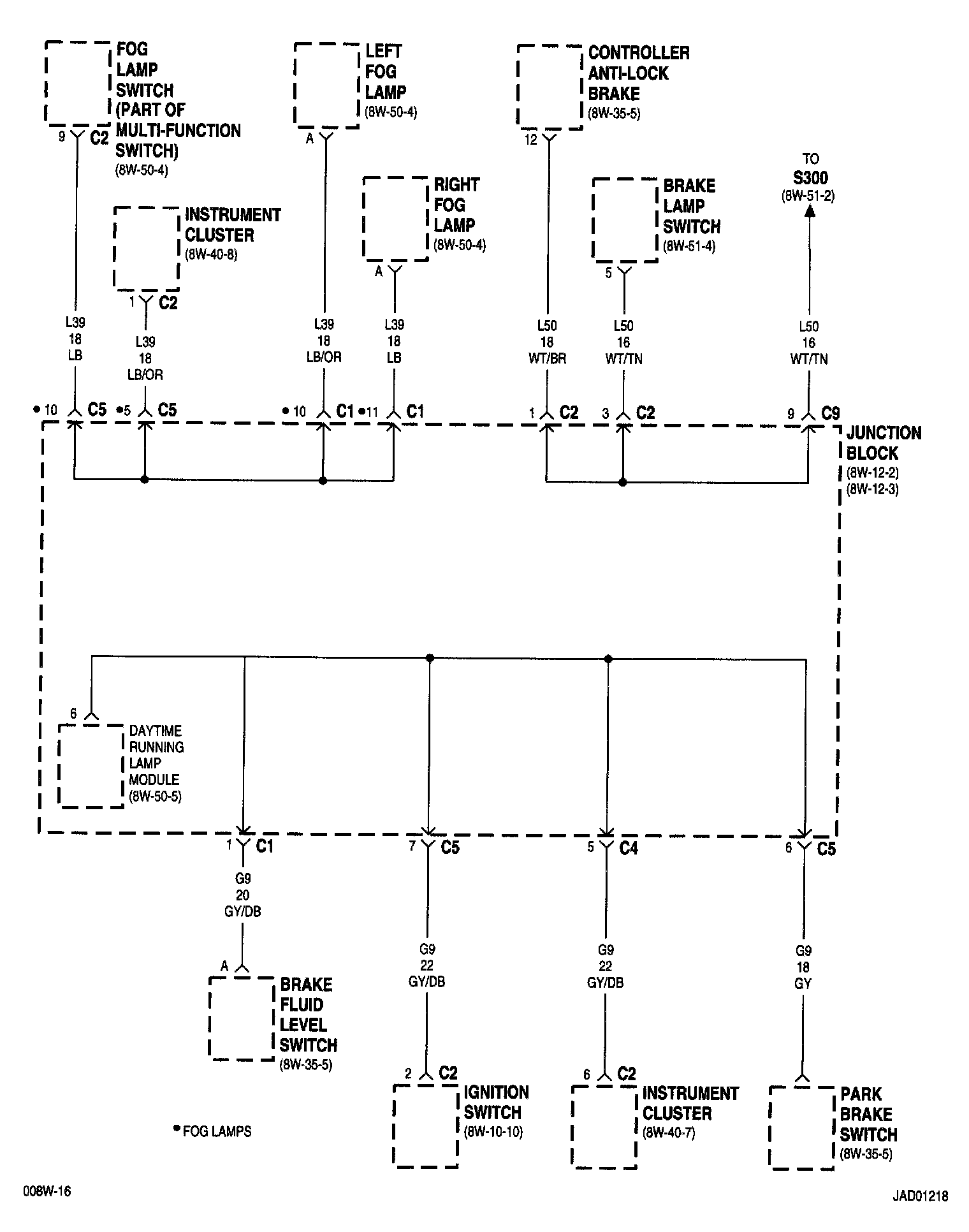
Brake Lamp Switch
Brake Fluid Level Switch
Daytime Running Lamp Module
Fog Lamp Switch
Ignition Switch
Instrument Cluster
Junction Block
Left Fog Lamp
Park Brake Switch
Right Fog Lamp


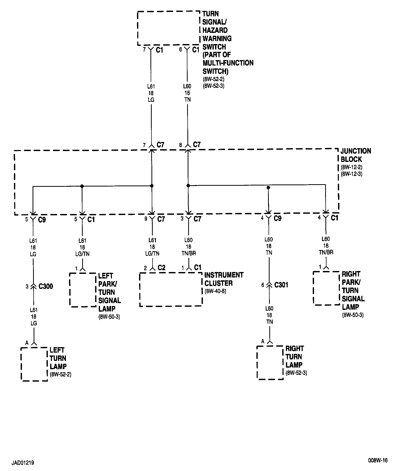
8w-12-19:




Instrument Cluster
Junction Block
Left Park/Turn Signal Lamp
Left Turn Lamp
Right Park/Turn Signal Lamp
Right Turn Lamp
Turn Signal/Hazard Warning Switch


NOTE: To view sheets referred to in these diagrams, see Complete Body and Chassis Diagrams Electrical Diagrams