Curiosii for ever!: Car repair manuals for everyone.

System Diagram

Vehicle Theft Security System:





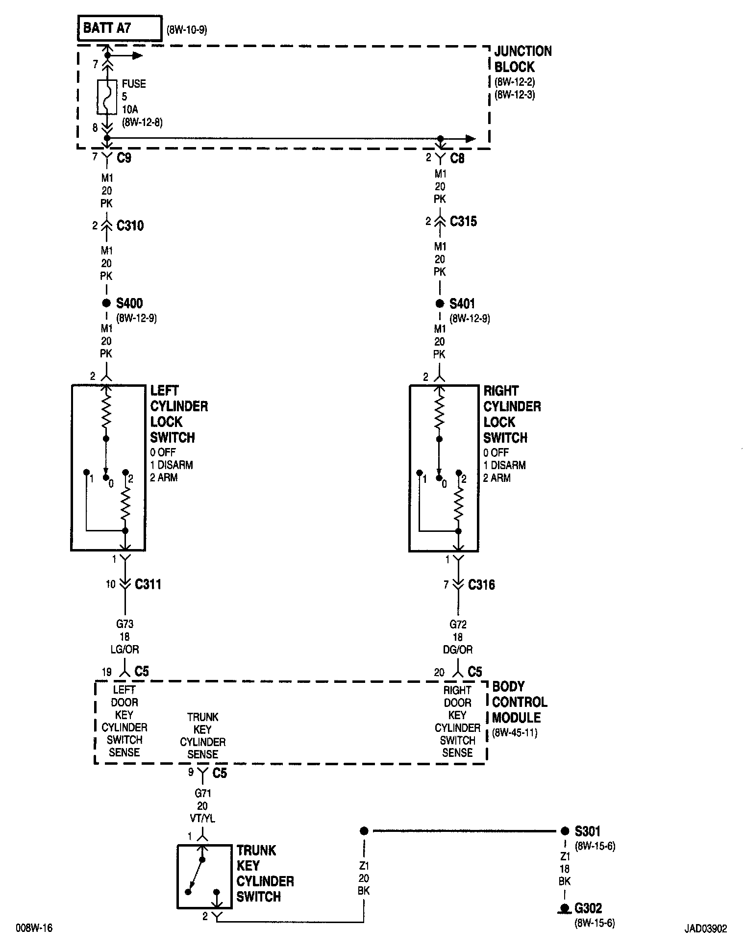
8w-39-2:




Body Control Module
Fuse 5 (JB)
G302
Junction Block
Left Cylinder Lock Switch
Right Cylinder Lock Switch
Trunk Key Cylinder Switch


8w-39-3:




Body Control Module
Combination Flasher
Fuse 6 (PDC)
Fuse 9 (PDC)
G301
Headlamp Switch
Instrument Cluster
Junction Block
Power Distribution Center
Sentry Key Immobilizer Module


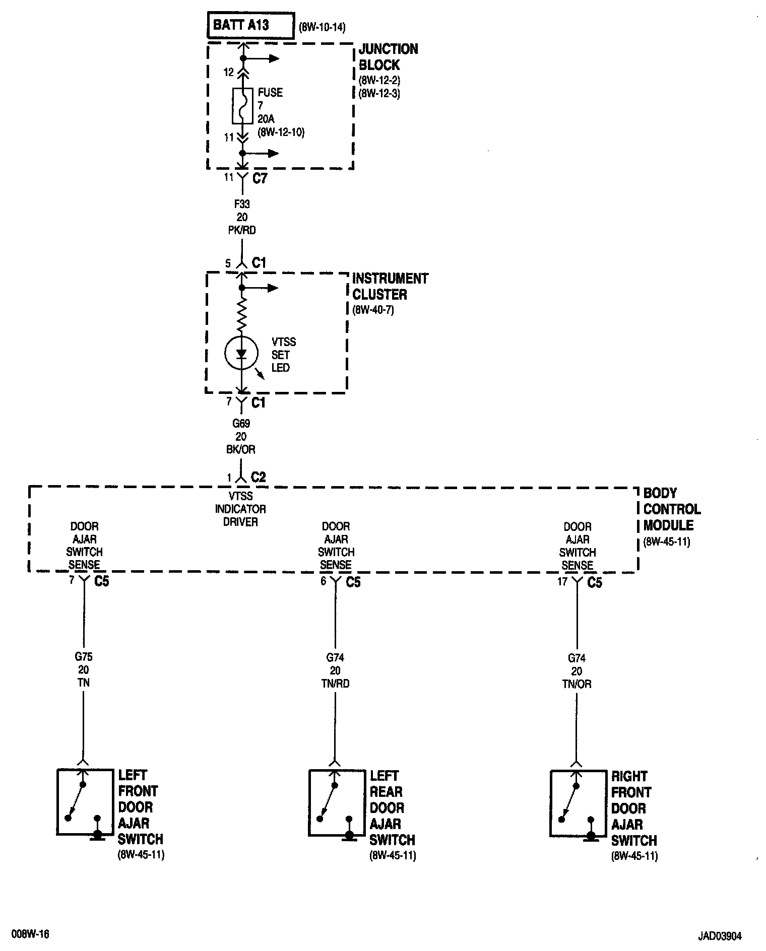
8w-39-4:




Body Control Module
Fuse 7 (JB)
Instrument Cluster
Junction Block
Left Front Door Ajar Switch
Left Rear Door Ajar Switch
Right Front Door Ajar Switch
VTSS Set LED


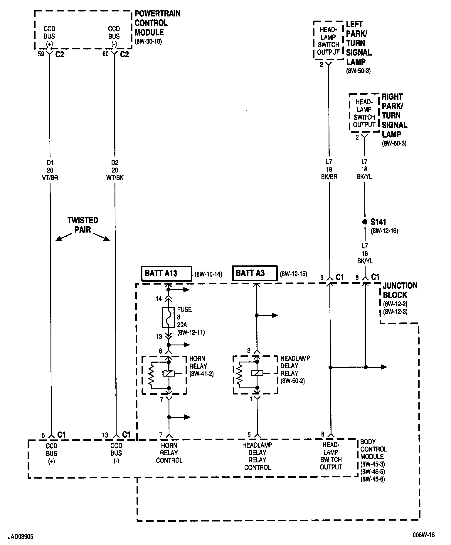
8w-39-5:




Body Control Module
Fuse 8 (JB)
Headlamp Delay Relay
Horn Relay
Junction Block
Left Park/Turn Signal Lamp
Powertrain Control Module
Right Park/Turn Signal Lamp


NOTE: To view sheets referred to in these diagrams, see Complete Body and Chassis Diagrams.
Electrical Diagrams