Curiosii for ever!
: Car repair manuals for everyone.
Home
>>
Dodge
>>
2000
>>
Stratus L4-2.0L VIN C
>>
Repair and Diagnosis
>>
Diagrams
>>
Electrical Diagrams
>>
Windows
Windows
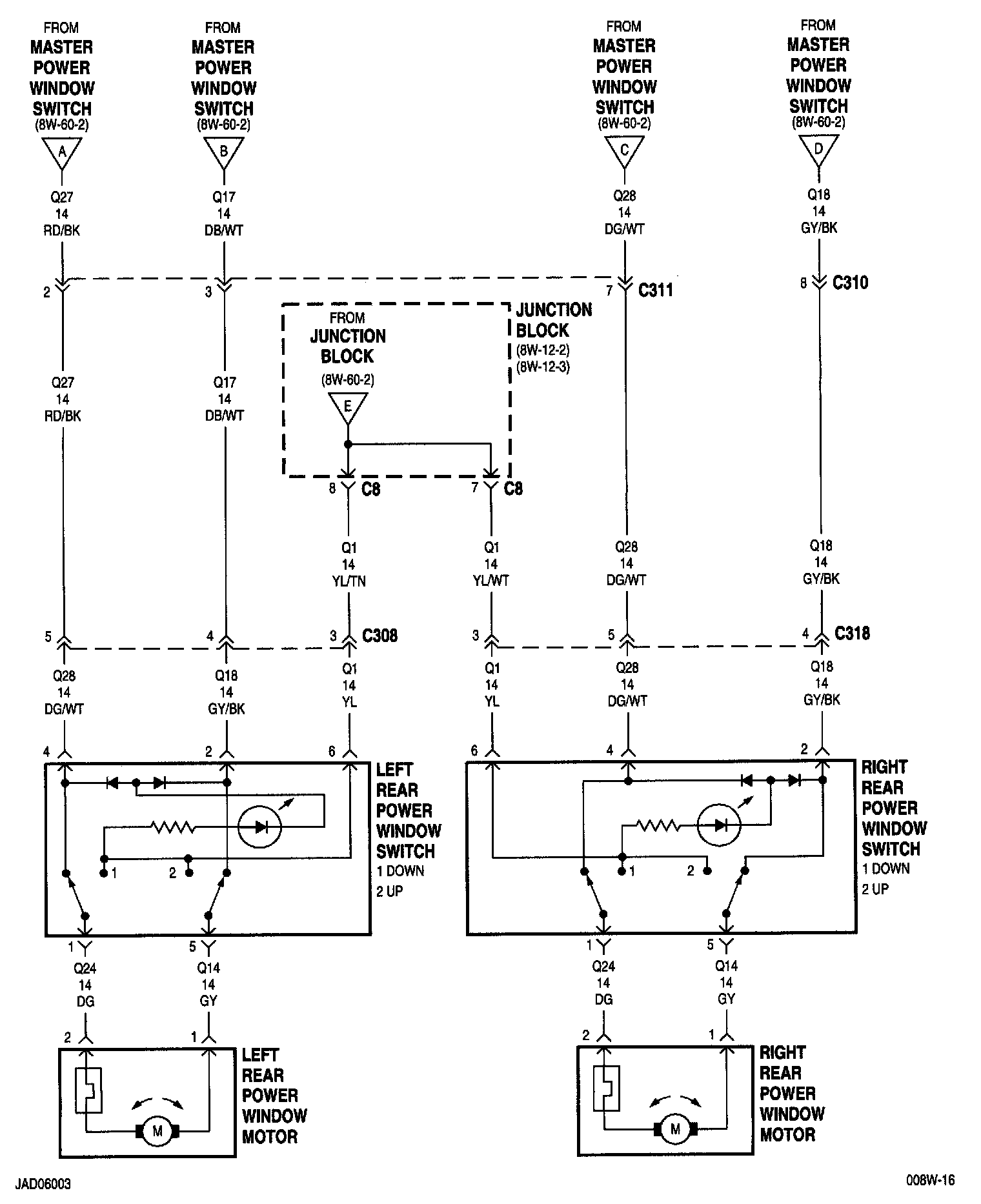
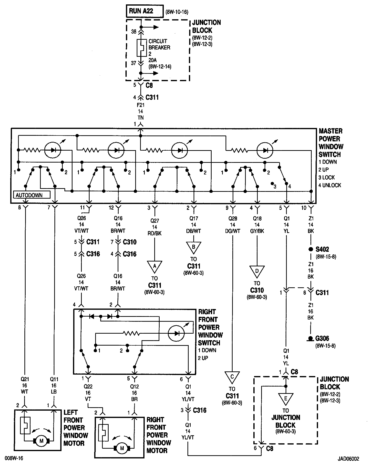
8w-60-2:
8w-60-3:
NOTE:
To view sheets referred to in these diagrams, see
Complete Body and Chassis Diagrams
.
Electrical Diagrams