Curiosii for ever!: Car repair manuals for everyone.

Wiper Control Module: Service and Repair

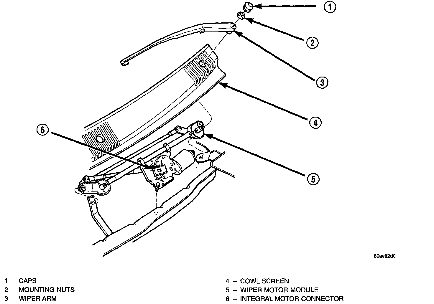
Windshield Wiper Module:




REMOVAL

Battery Negative Cable Remove/Install:




1. Disconnect and isolate the battery negative cable.
2. Remove wiper arms and blades.
3. Remove the left side cowl cover.
4. Disconnect motor posi-lock harness connector.
5. Remove windshield wiper module mounting screws and remove module from vehicle.

INSTALLATION
For installation, reverse the above procedures. Tighten the mounting screws to 7 to 9 Nm (60 to 80 in. lbs.) torque.