Curiosii for ever!: Car repair manuals for everyone.

Power Distribution

Power Distribution 8w-10-7:




A/C Compressor Clutch Relay
Battery
Brake Lamp Switch
Controller Anti-Lock Brake
Engine Starter Motor Relay
Fuse 3 (PDC)
Fuse 4 (PDC)
Fuse 5 (PDC)
Fuse 6 (PDC)
Fuse 8 (PDC)
Fuse 10 (PDC)
Fuse 13 (PDC)
Fuse 14 (PDC)
Fuse 15 (PDC)
Fuse 18 (PDC)
Fuse 20 (PDC)
Fuse 21 (PDC)
Fuse 22 (PDC)
Fuse 23 (PDC)
Horn Relay
Ignition Switch
Multi-Function Switch
Power Distribution Center
Radiator Fan Relay


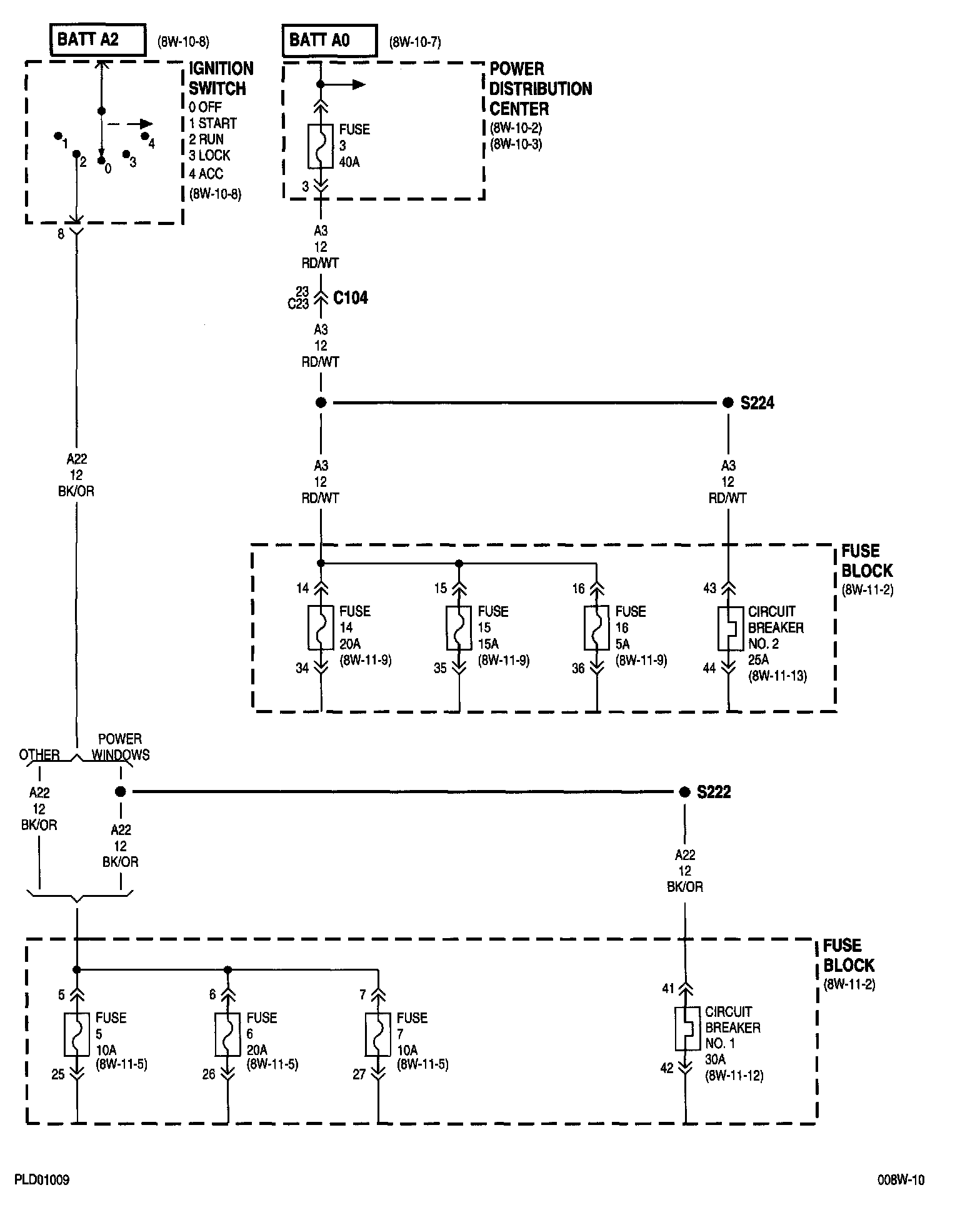
Power Distribution 8w-10-8:




Cigar Lighter/Power Outlet
Engine Starter Motor
Engine Starter Motor Relay
Fuse 4 (PDC)
Fuse 9 (PDC)
Fuse 14 (PDC)
Ignition Switch
Instrument Cluster
Power Distribution Center


Power Distribution 8w-10-9:




Circuit Breaker No.1 (FB)
Circuit Breaker No.2 (FB)
Fuse 3 (PDC)
Fuse 5 (FB)
Fuse 6 (FB)
Fuse 7 (FB)
Fuse 14 (FB)
Fuse 15 (FB)
Fuse 16 (FB)
Fuse Block
Ignition Switch
Power Distribution Center


Power Distribution 8w-10-10:




Engine Starter Motor Relay
Fuse 1 (FB)
Fuse 2 (FB)
Fuse 3 (FB)
Fuse 4 (FB)
Fuse 9 (FB)
Fuse 10 (FB)
Fuse 11 (FB)
Fuse Block
Ignition Switch


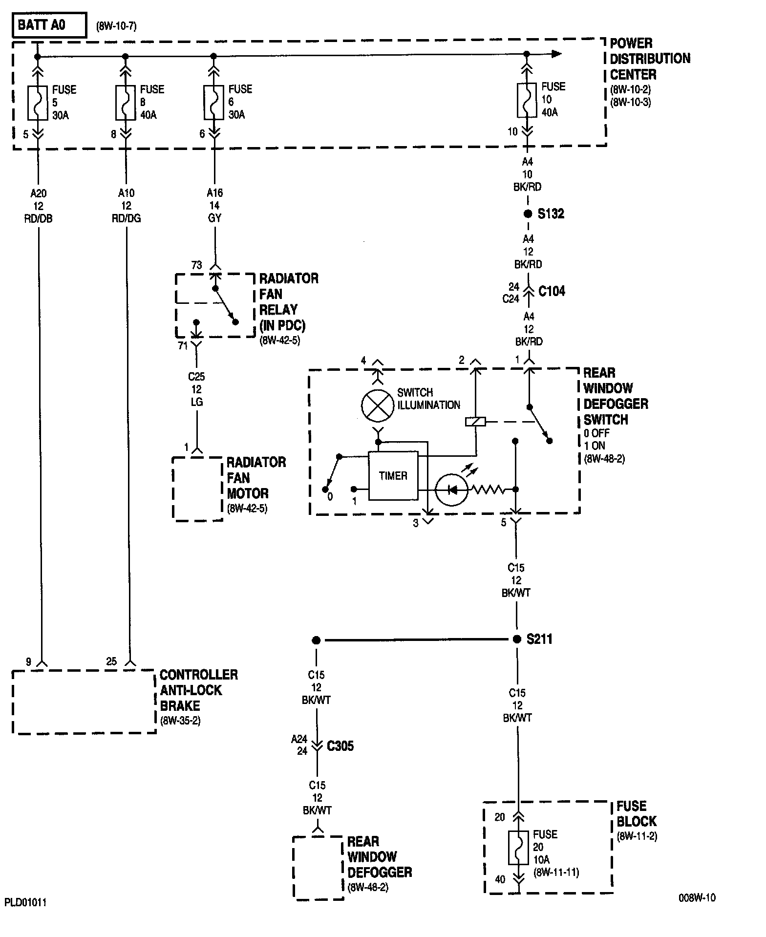
Power Distribution 8w-10-11:




Controller Anti-Lock Brake
Fuse 5 (PDC)
Fuse 6 (PDC)
Fuse 8 (PDC)
Fuse 10 (PDC)
Fuse 20 (FB)
Fuse Block
Power Distribution Center
Radiator Fan Motor
Radiator Fan Relay
Rear Window Defogger
Rear Window Defogger Switch


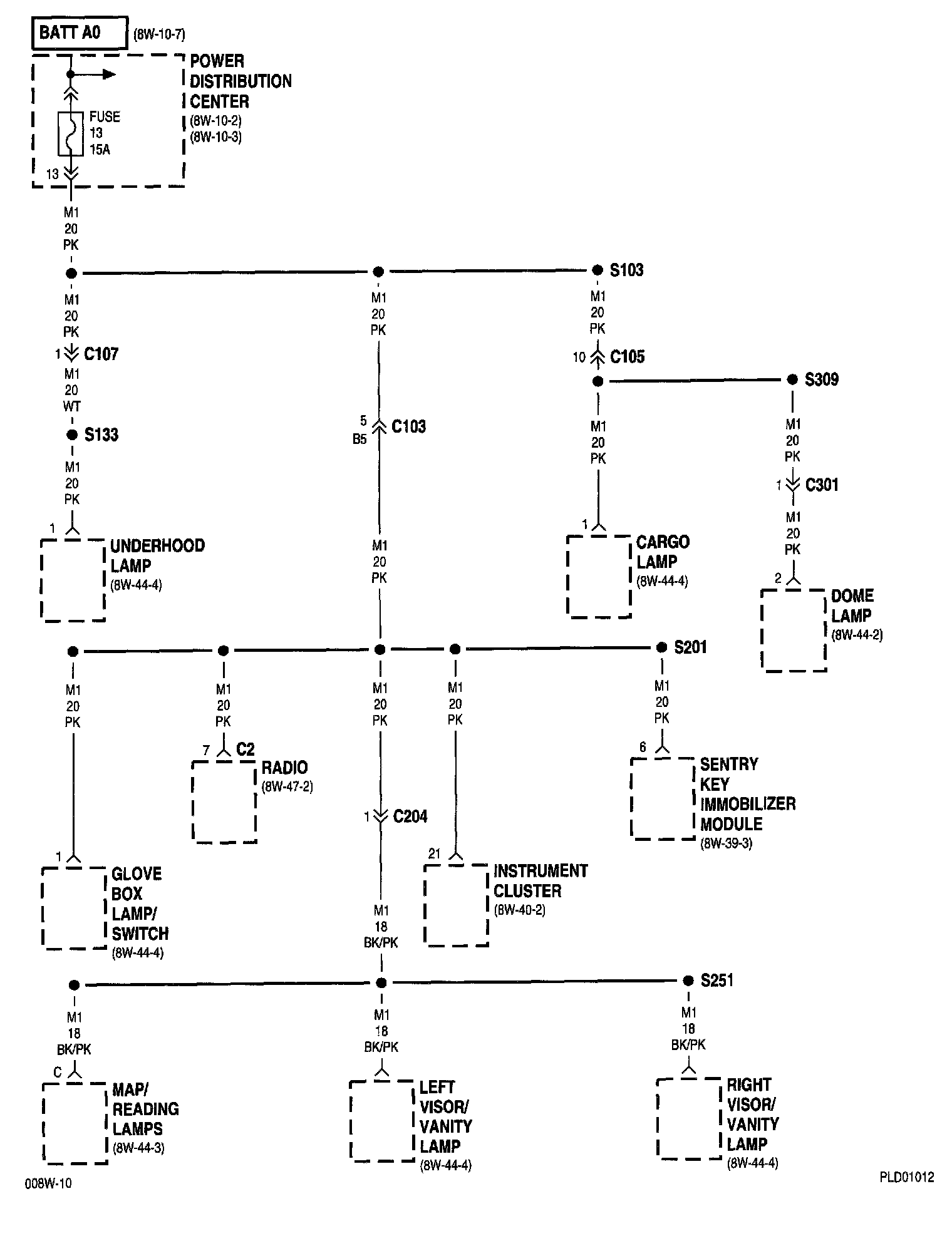
Power Distribution 8w-10-12:




Cargo Lamp
Dome Lamp
Fuse 13 (PDC)
Glove Box Lamp/Switch
Instrument Cluster
Left Visor/Vanity Lamp
Map/Reading Lamps
Radio
Right Visor/Vanity Lamp
Sentry Key Immobilizer Module
Underhood Lamp


Power Distribution 8w-10-13:




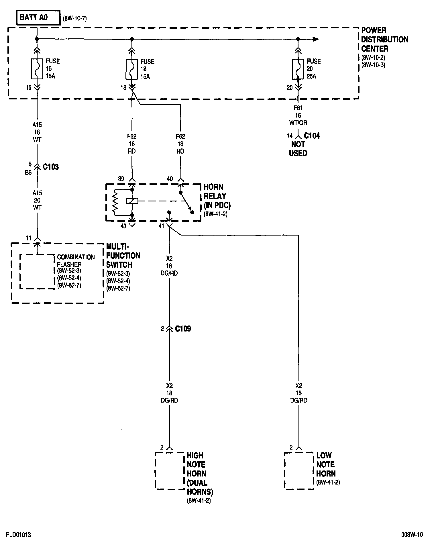
Combination Flasher
Fuse 15 (PDC)
Fuse 18 (PDC)
Fuse 20 (PDC)
High Note Horn
Horn Relay
Low Note Horn
Multi-Function Switch


Power Distribution 8w-10-14:




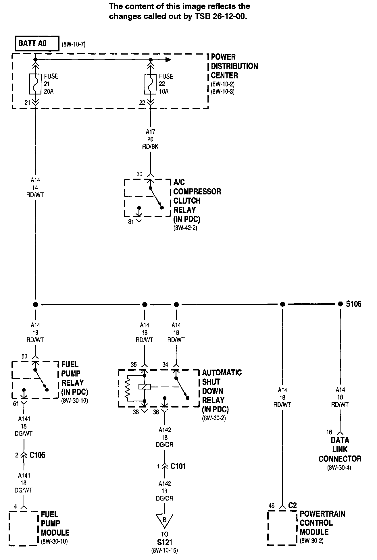
A/C Compressor Clutch Relay
Automatic Shut Down Relay
Fuel Pump Module
Fuel Pump Relay
Fuse 21 (PDC)
Fuse 22 (PDC)
Powertrain Control Module


Power Distribution 8w-10-15:




Fuel Injector No.1
Fuel Injector No.2
Fuel Injector No.8
Fuel Injector No.4
Generator
Ignition Coil
Noise Suppressor
Oxygen Sensor 1/1 Upstream
Oxygen Sensor 1/2 Downstream
Powertrain Control Module


Power Distribution 8w-10-16:




Brake Lamp Switch
Center High Mounted Stop Lamp
Controller Anti-Lock Brake
Fuse 23 (PDC)
Multi-Function Switch


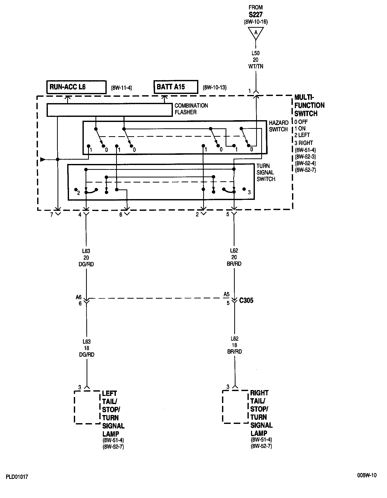
Power Distribution 8w-10-17:




Left Tail/Stop/Turn Signal Lamp
Multi-Function Switch
Right Tail/Stop/Turn Signal Lamp


NOTE: To view sheets referred to in these diagrams, see Complete Body and Chassis Diagrams.
Electrical Diagrams