Curiosii for ever!: Car repair manuals for everyone.

System Diagram


Vehicle Theft Security:





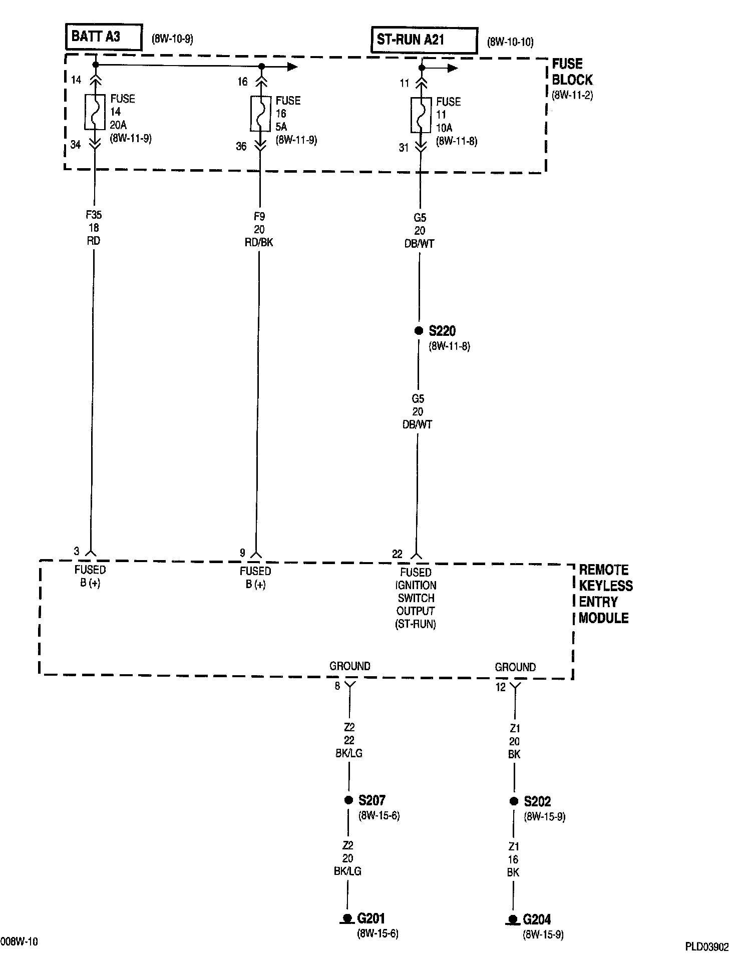
Vehicle Theft Security System 8w-39-2:




Fuse 11 (FB)
Fuse 14 (FB)
Fuse 16 (FB)
Fuse Block
G201
G204
Remote Keyless Entry Module


Vehicle Theft Security System 8w-39-3:




Data Link Connector
Fuse 11 (FB)
Fuse 13 (PDC)
Fuse Block
G201
Power Distribution Center
Sentry Key Immobilizer Module


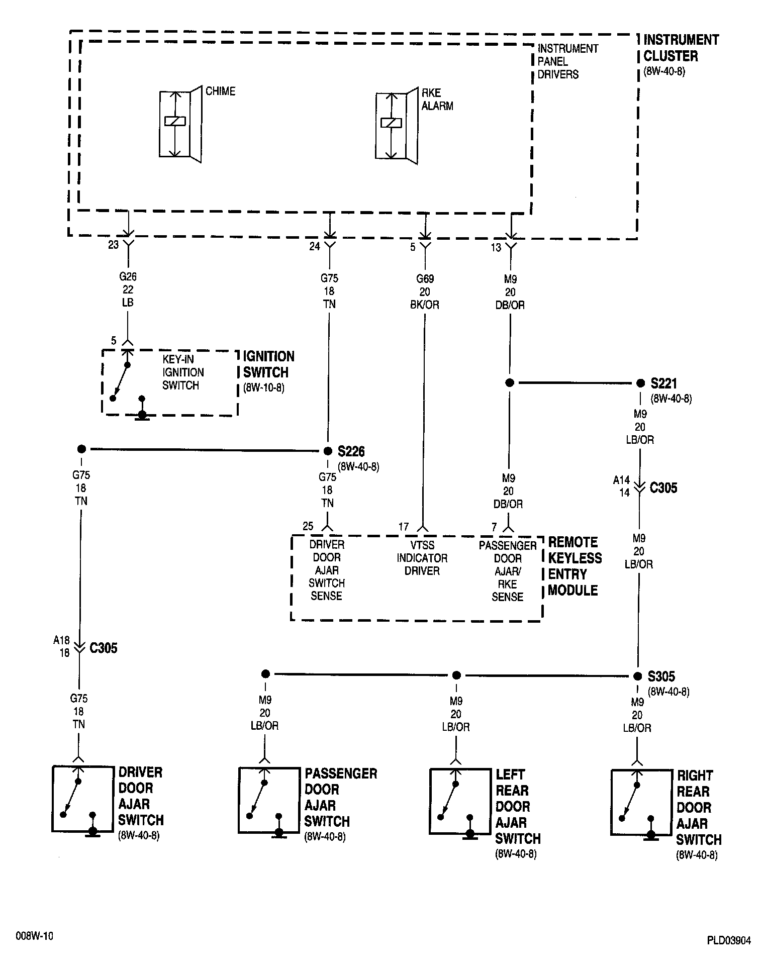
Vehicle Theft Security System 8w-39-4:




Driver Door Ajar Switch
Ignition Switch
Instrument Cluster
Instrument Panel Drivers
Left Rear Door Ajar Switch
Passenger Door Ajar Switch
Remote Keyless Entry Module
Right Rear Door Ajar Switch


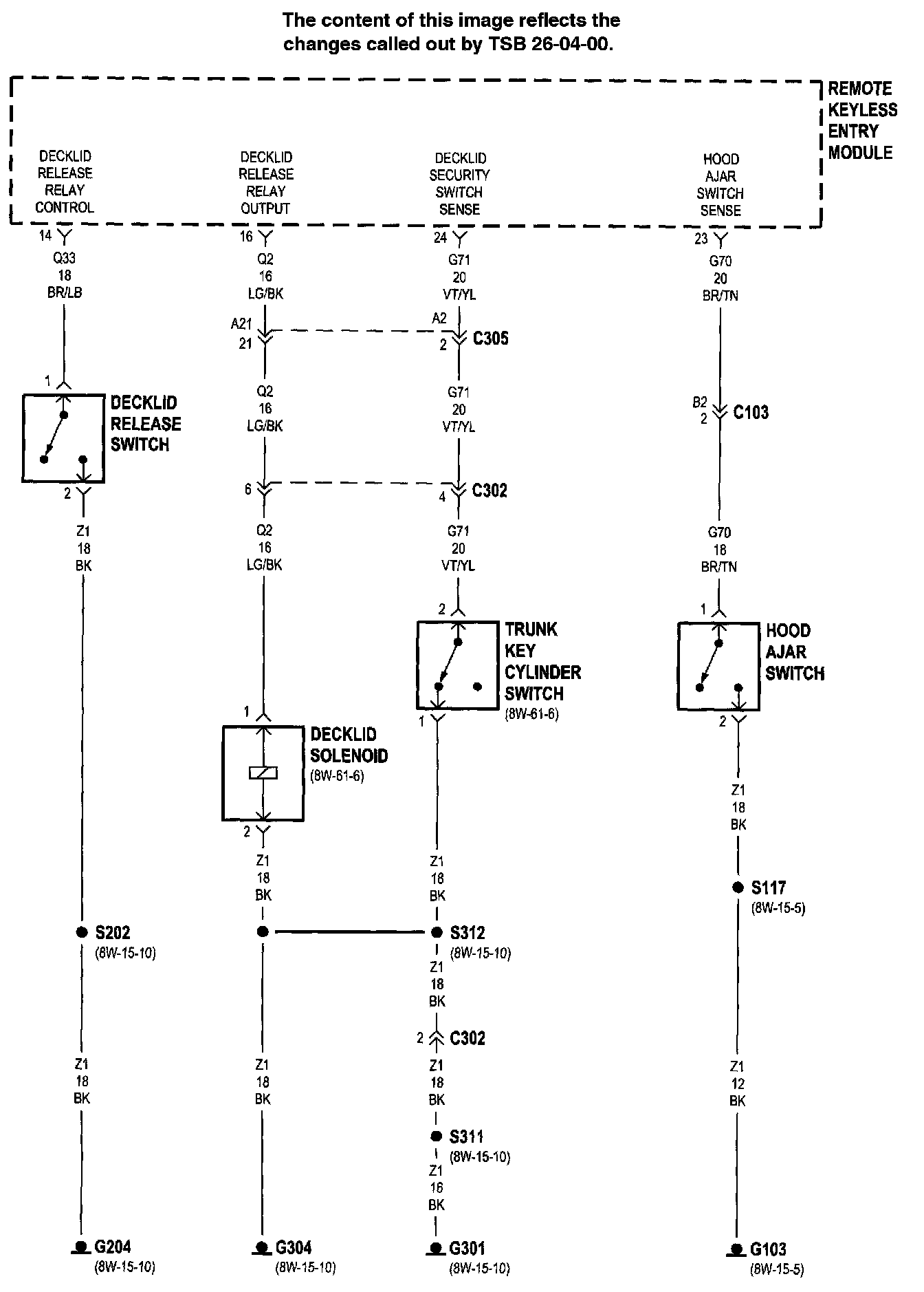
Vehicle Theft Security System 8w-39-5:




Decklid Solenoid
G103
G301
G304
Hood Ajar Switch
Remote Keyless Entry Module
Trunk Key Cylinder Switch


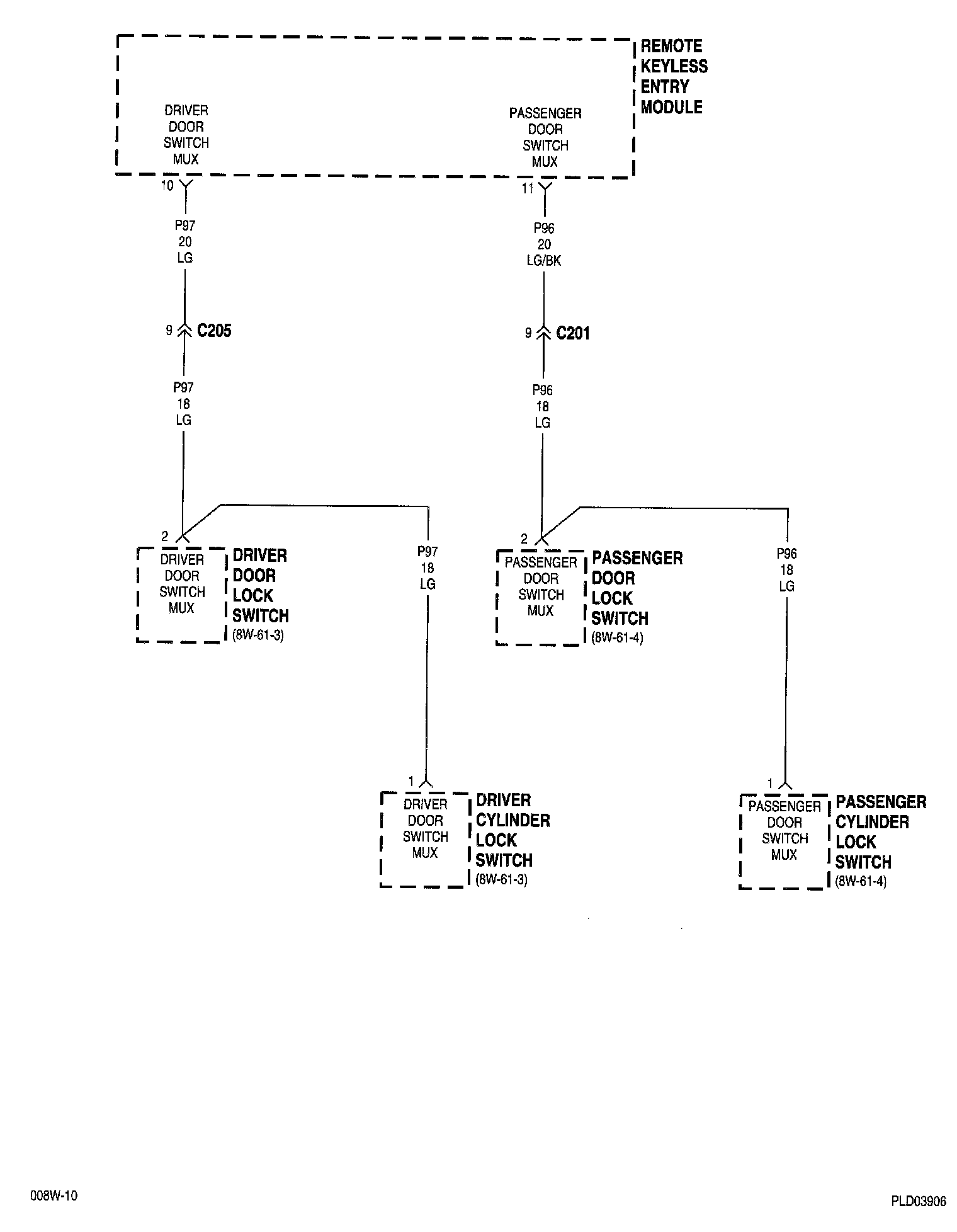
Vehicle Theft Security System 8w-39-6:




Driver Cylinder Lock Switch
Driver Door Lock Switch
Passenger Cylinder Lock Switch
Remote Keyless Entry Module


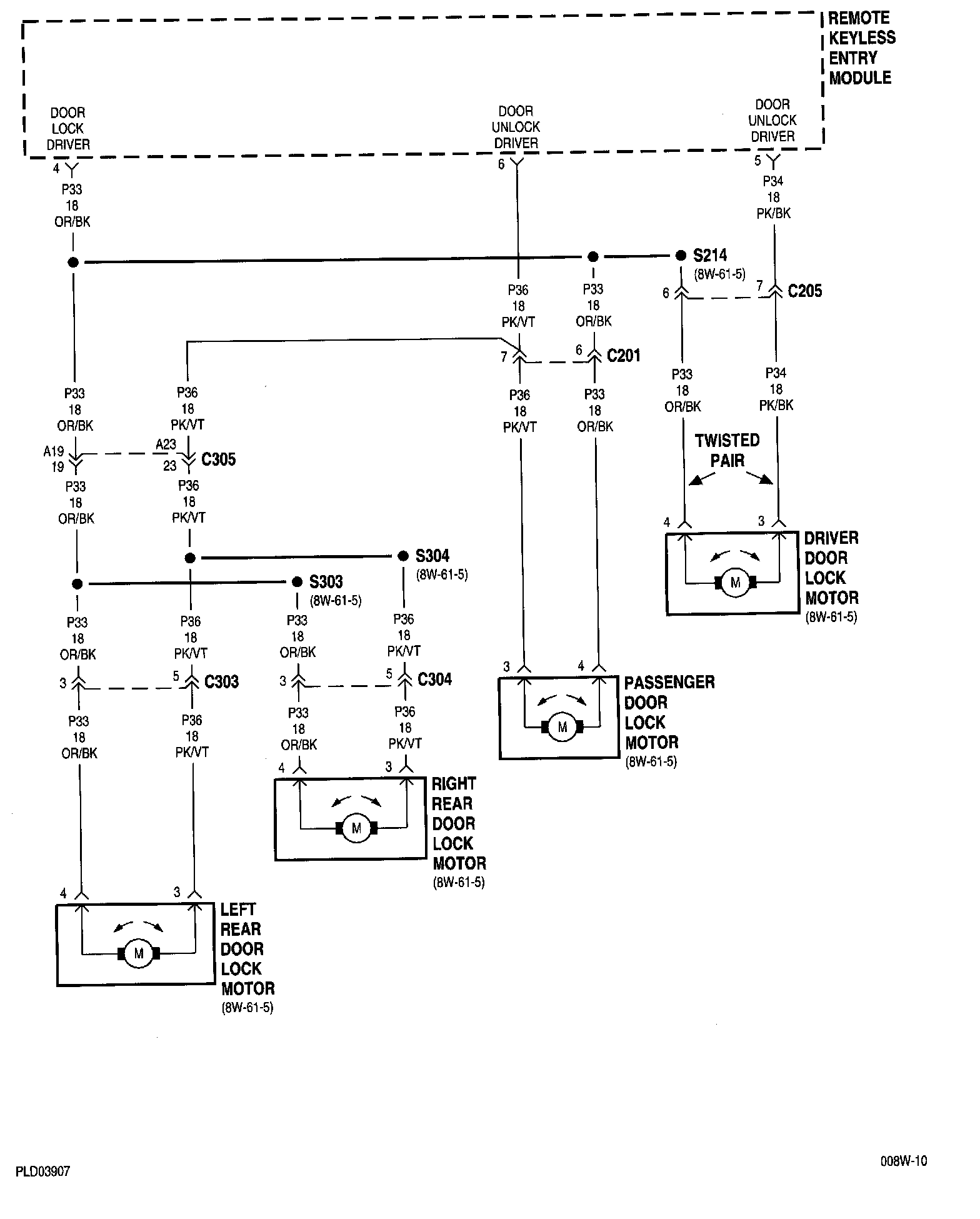
Vehicle Theft Security System 8w-39-7:




Driver Door Lock Motor
Left Rear Door Lock Motor
Passenger Door Lock Motor
Remote Keyless Entry Module
Right Rear Door Lock Motor


Vehicle Theft Security System 8w-39-8:




Instrument Cluster
Left Front Side Marker Lamp
Left Park/Turn Signal Lamp
Left Tail/Stop/Turn Signal Lamp
License Lamp
Radio
Remote Keyless Entry Module
Right Front Side Marker Lamp
Right Park/Turn Signal Lamp
Right Tail/Stop/Turn Signal Lamp


Vehicle Theft Security System 8w-39-9:




Data Link Connector
Fuse 18 (PDC)
G103
High Note Horn
Horn Relay
Low Note Horn
Power Distribution Center
Remote Keyless Entry Module


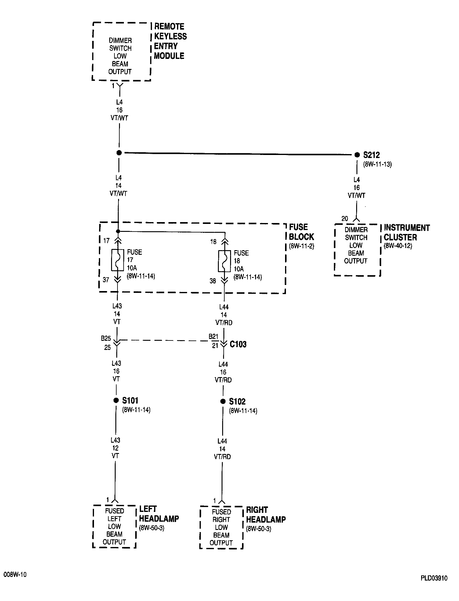
Vehicle Theft Security System 8w-39-10:




Fuse 17 (FB)
Fuse 18 (FB)
Fuse Block
Instrument Cluster
Left Headlamp
Remote Keyless Entry Module
Right Headlamp


NOTE: To view sheets referred to in these diagrams, see Complete Body and Chassis Diagrams.
Electrical Diagrams