Curiosii for ever!: Car repair manuals for everyone.

Fuel System/Electrical - Fuel Pressure/Wiring Updates

NUMBER: 26-012-00F

GROUP: Miscellaneous

DATE: December, 2000

REVISIONS ARE HIGHLIGHTED WITH BLACK BARS IN THE MARGIN

Models:
2000 LHS/300M/Concorde/Intrepid Service Manual - Publication Number 81-270-0040

DESCRIPTION OF CHANGES

Updates to the fuel pressure specification





14-2

Updates to the Electrical/Wiring section





8T-2





8V-3





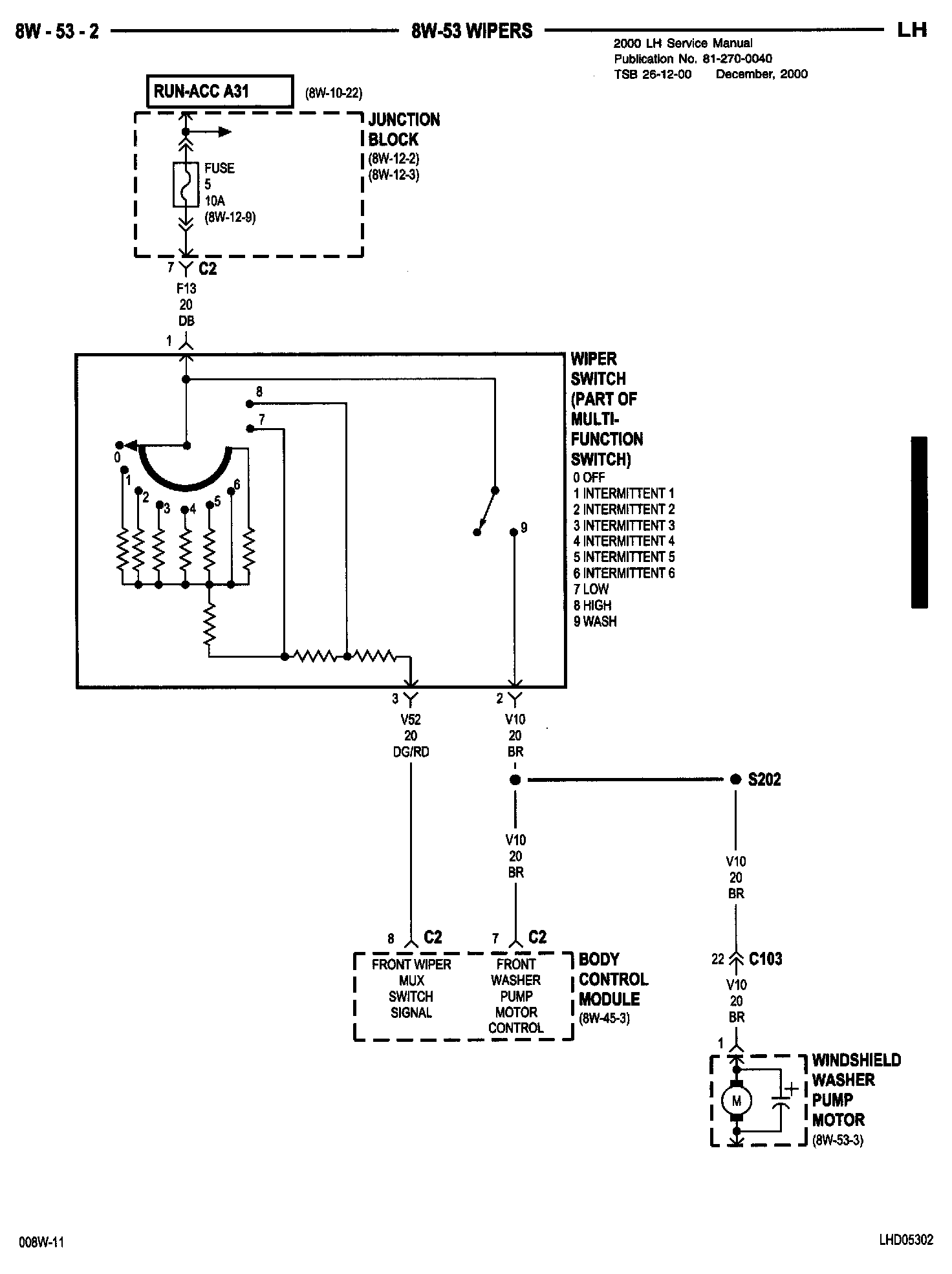
8W-53-2