Curiosii for ever!
: Car repair manuals for everyone.
Home
>>
Dodge
>>
2000
>>
Intrepid V6-2.7L VIN V
>>
Repair and Diagnosis
>>
Diagrams
>>
Electrical Diagrams
>>
Mirrors
>>
Base
Base
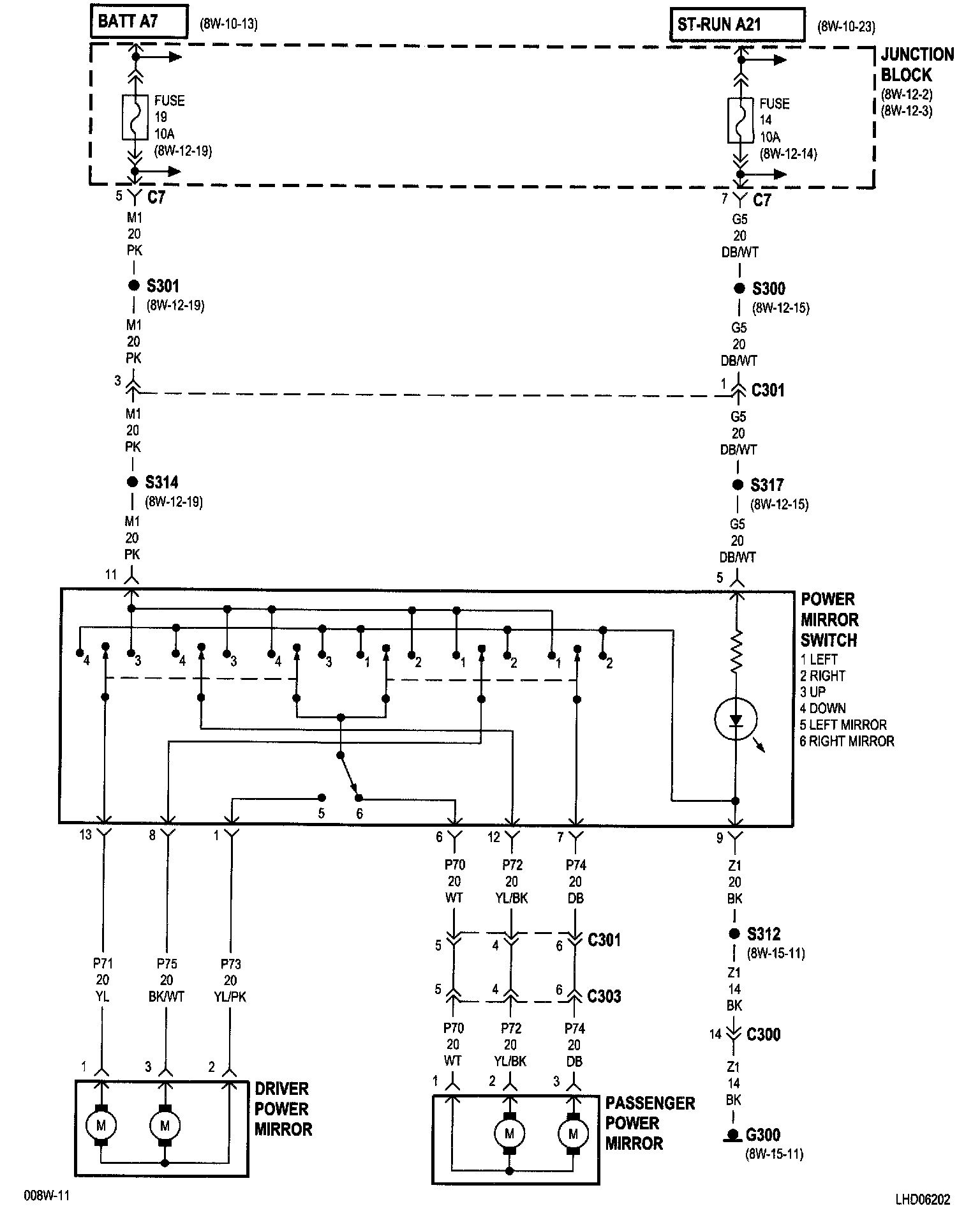
8W-62-3 (Base):
NOTE:
To view sheets referred to in these diagrams, see
Complete Body and Chassis Diagrams
.
Electrical Diagrams