Curiosii for ever!
: Car repair manuals for everyone.
Home
>>
Dodge
>>
2000
>>
Intrepid V6-2.7L VIN U
>>
Repair and Diagnosis
>>
Starting and Charging
>>
Charging System
>>
Diagrams
>>
Electrical Diagrams
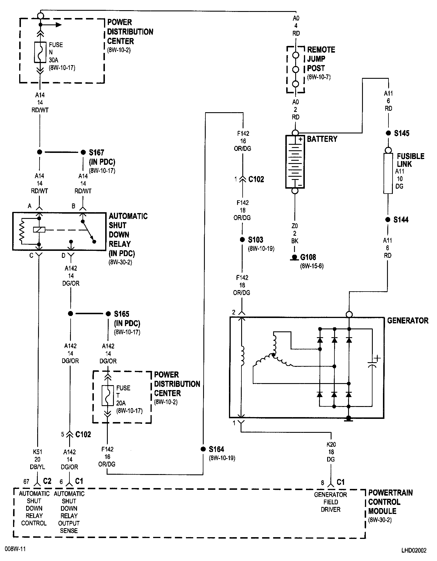
Electrical Diagrams
8W-20-2:
NOTE:
To view sheets referred to in these diagrams, see
Complete Body and Chassis Diagrams
.
Electrical Diagrams