Curiosii for ever!
: Car repair manuals for everyone.
Home
>>
Dodge
>>
2000
>>
Intrepid V6-2.7L VIN R
>>
Repair and Diagnosis
>>
Diagrams
>>
Electrical Diagrams
>>
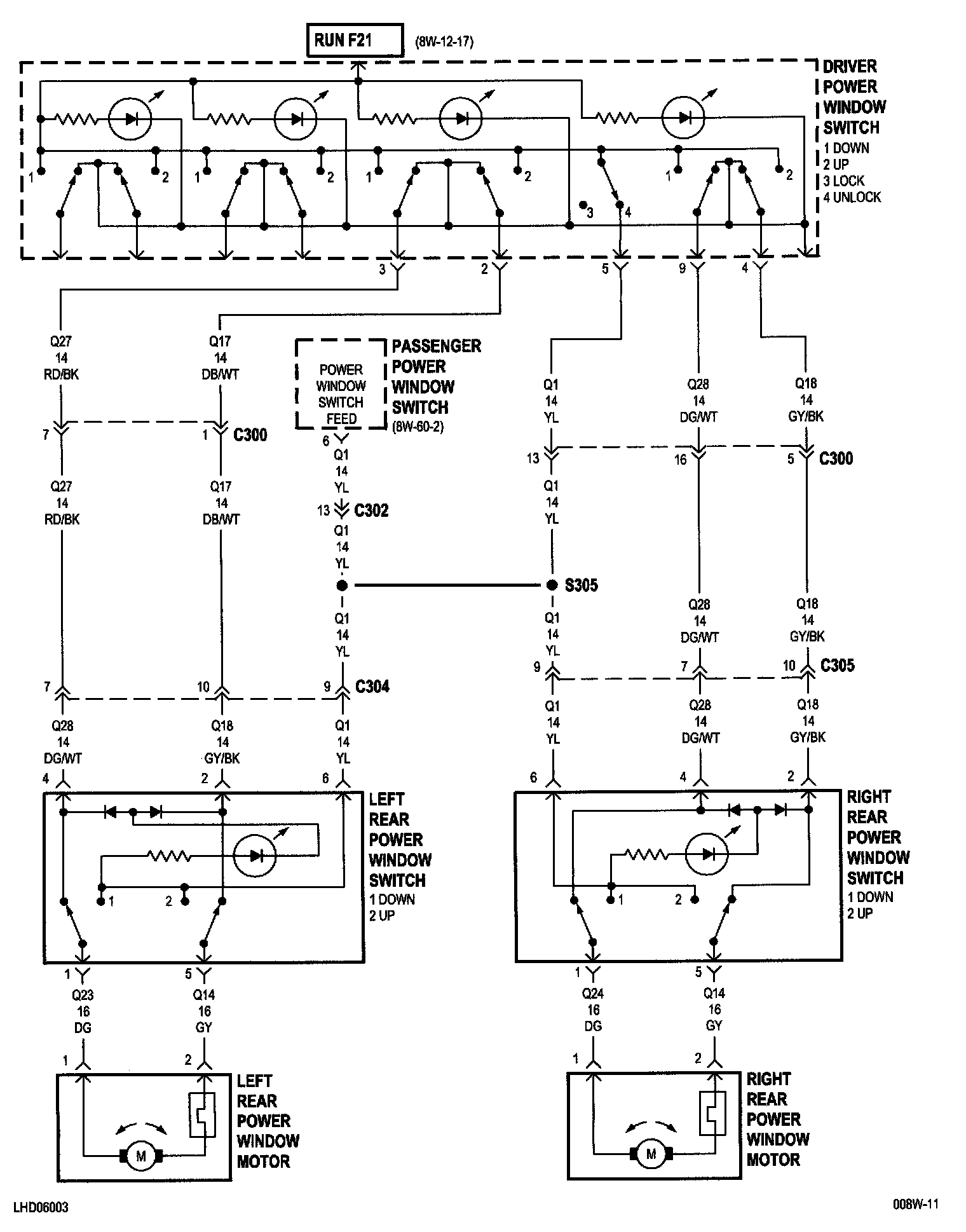
Windows
Windows
8W-60-2:
8W-60-3:
NOTE:
To view sheets referred to in these diagrams, see
Complete Body and Chassis Diagrams
.
Electrical Diagrams