Curiosii for ever!
: Car repair manuals for everyone.
Home
>>
Dodge
>>
2000
>>
Intrepid V6-2.7L VIN R
>>
Repair and Diagnosis
>>
Diagrams
>>
Electrical Diagrams
>>
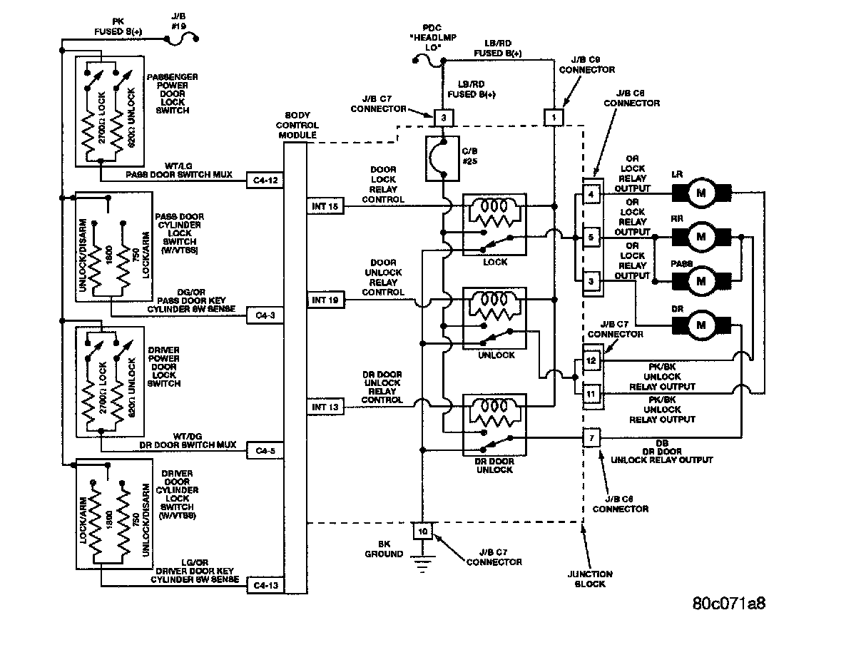
Keyless Entry
Keyless Entry
Power Door Locks/RKE:
Power Door Locks/RKE: