Curiosii for ever!: Car repair manuals for everyone.

Automatic Transmission/Transaxle

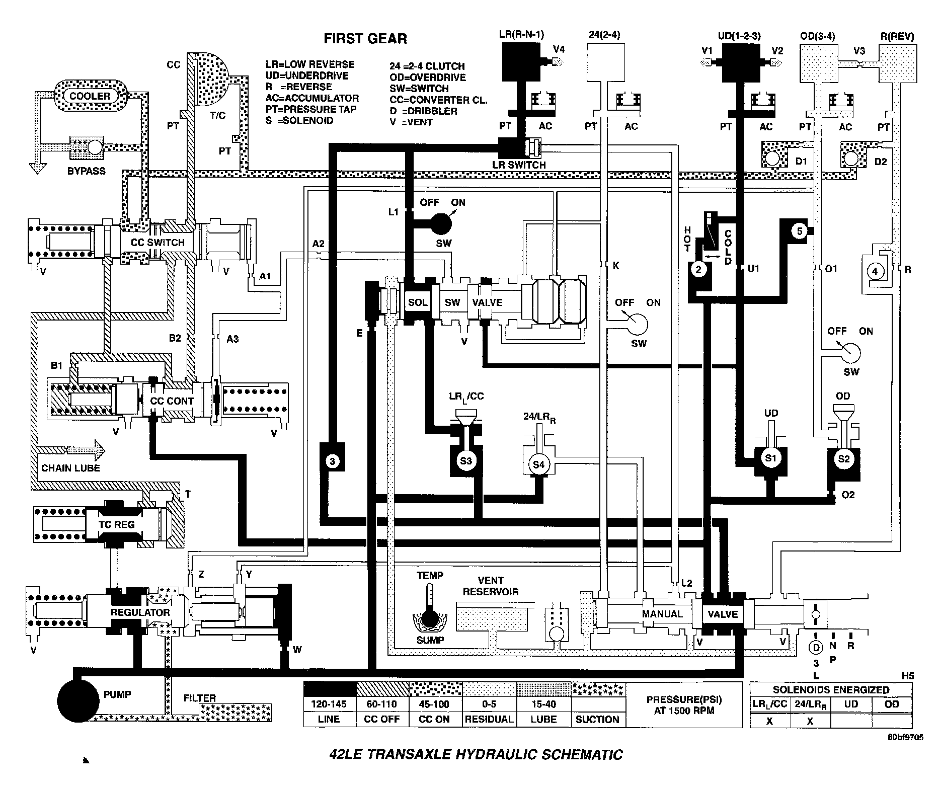
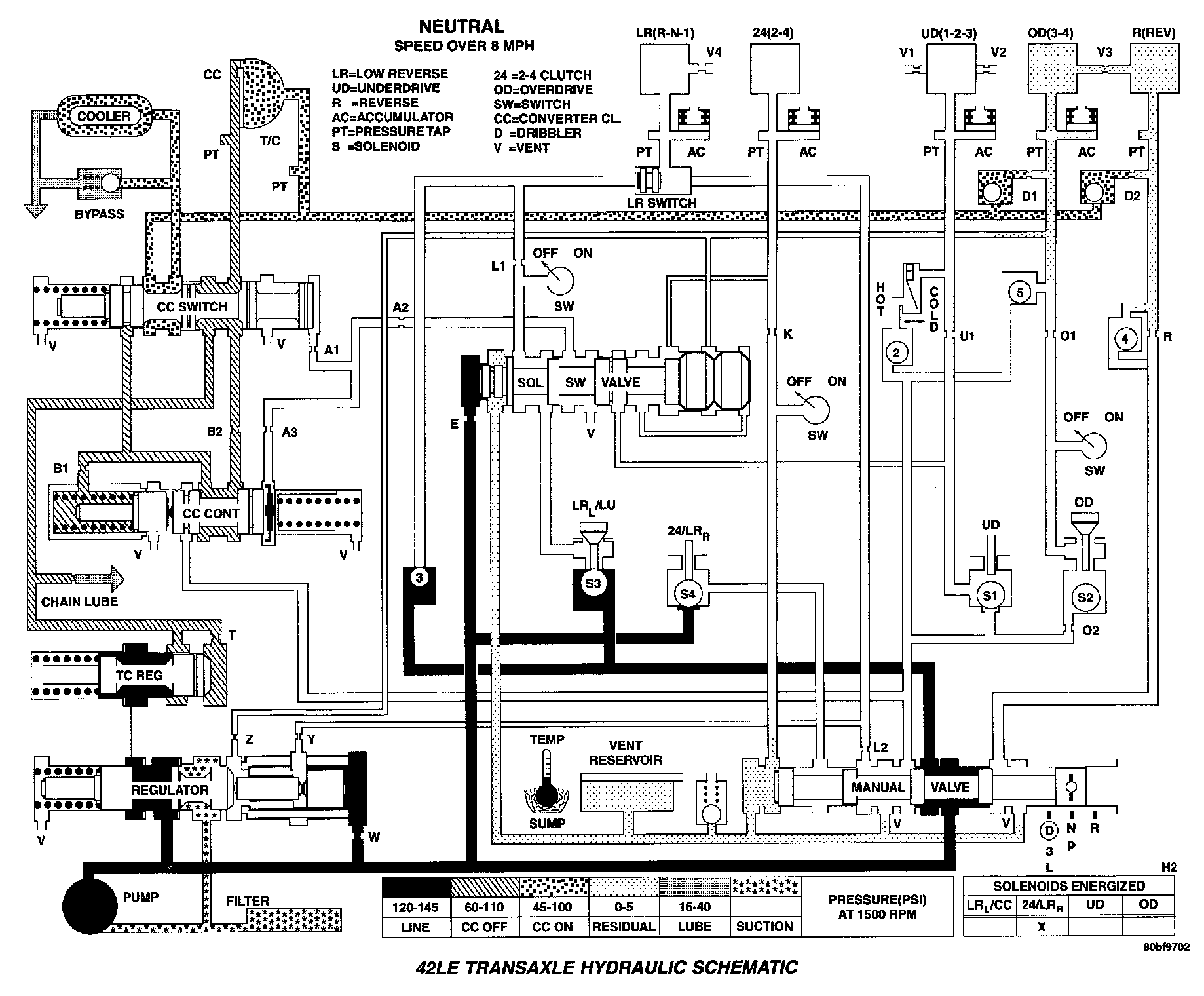
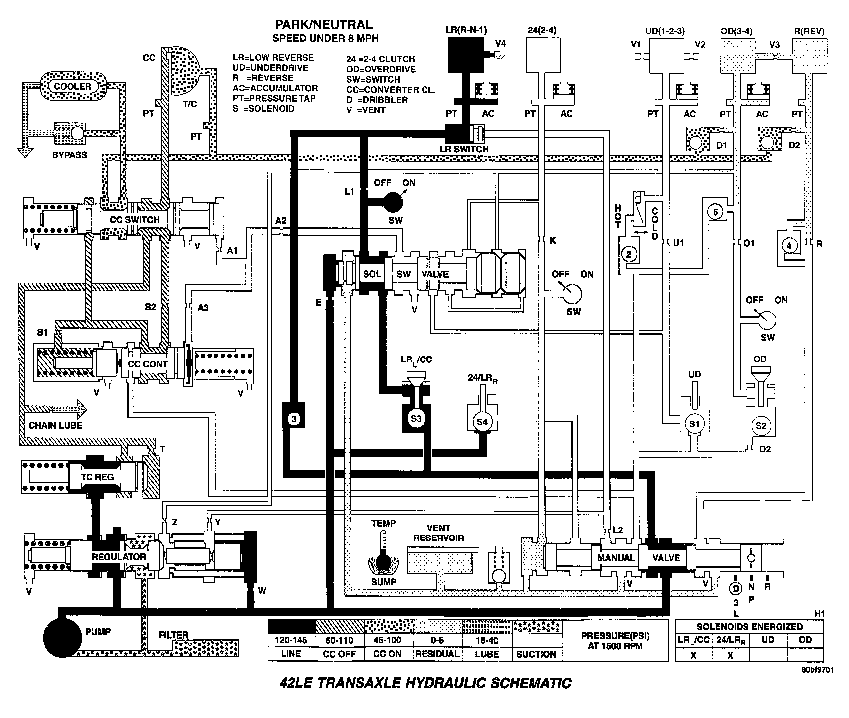
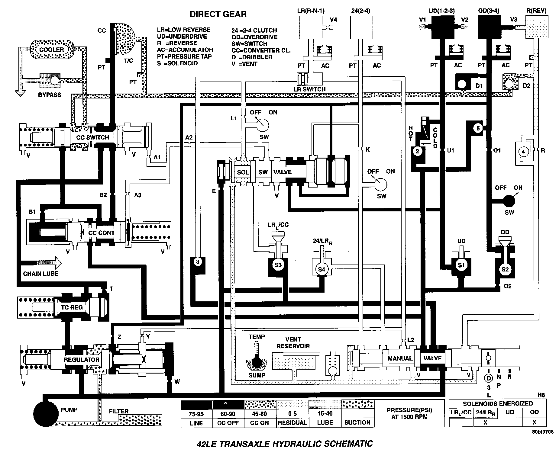
42LE TRANSAXLE HYDRAULIC SCHEMATICS


Park/Neutral (Speed Under 8 MPH):




Neutral (Speed Over 8 MPH):




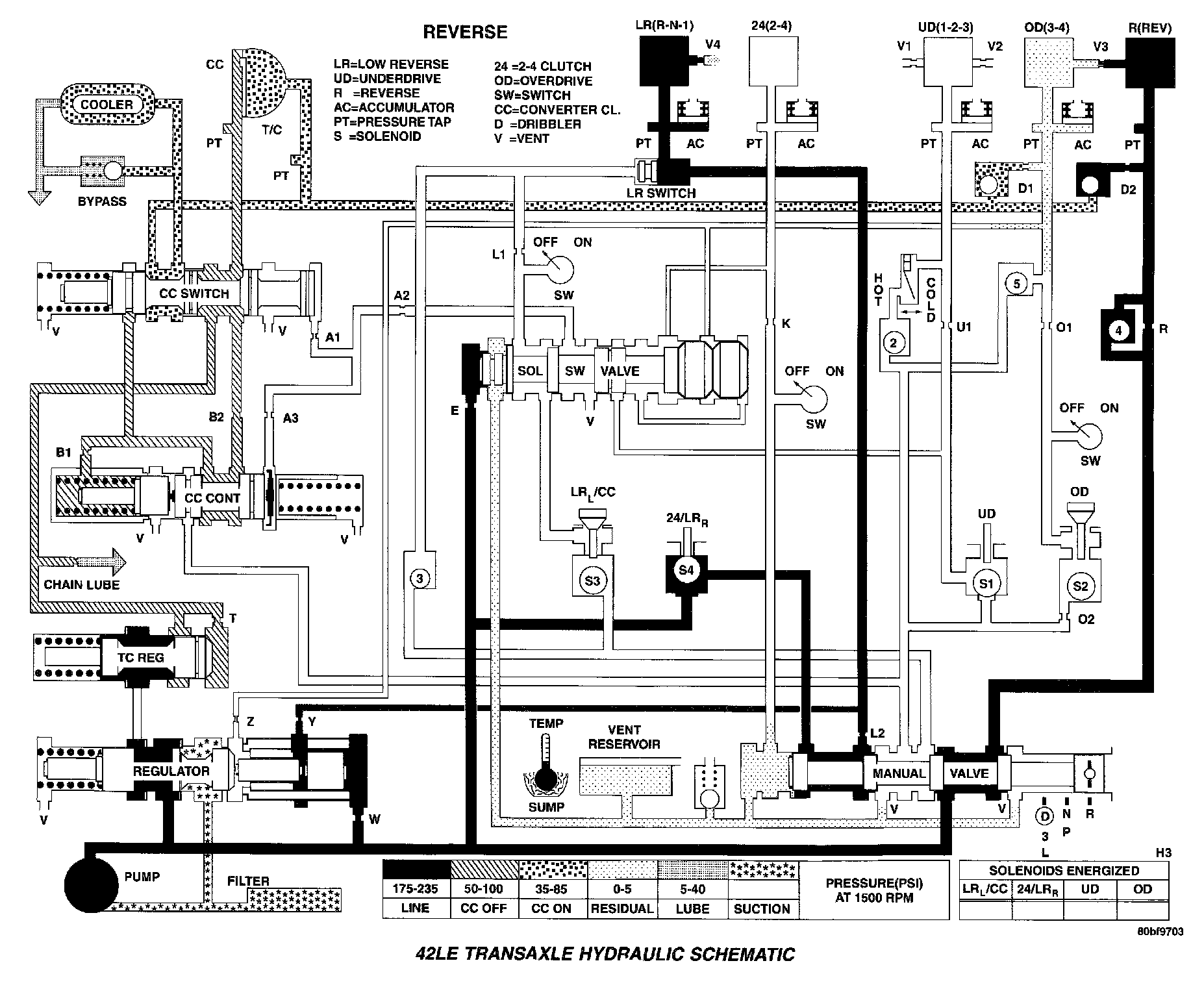
Reverse:




Reverse Block (Shift To Reverse With Speed Over 8 MPH):




First Gear:




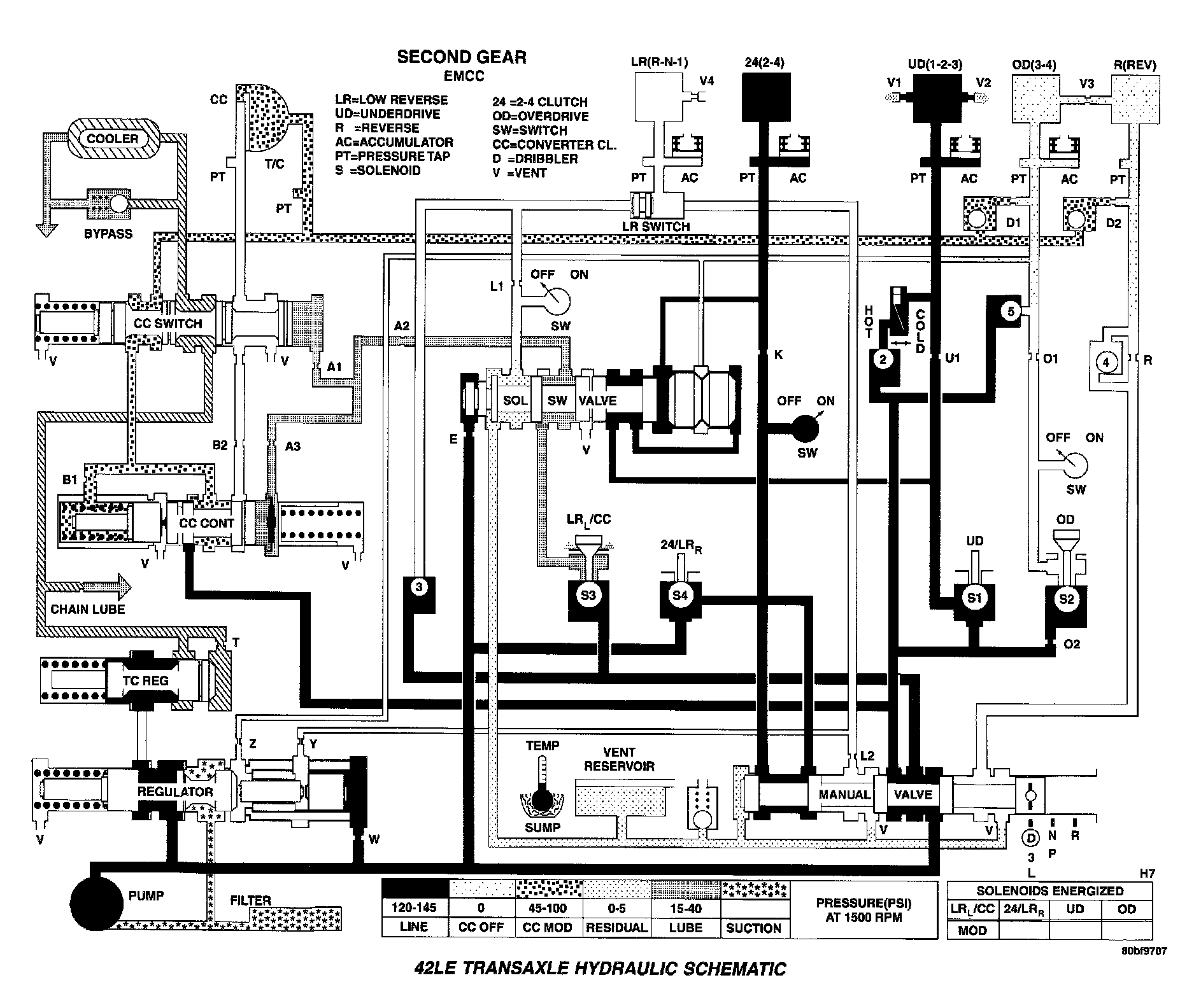
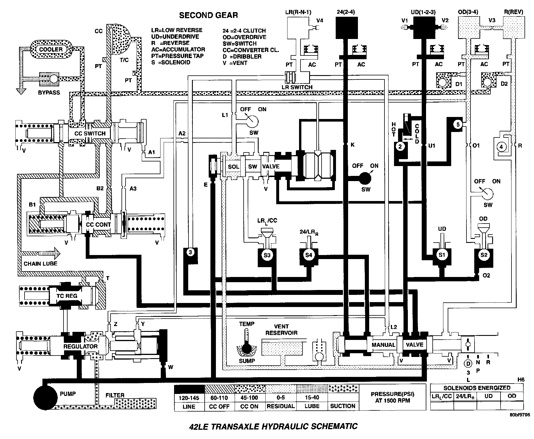
Second Gear:




Second Gear (EMCC):




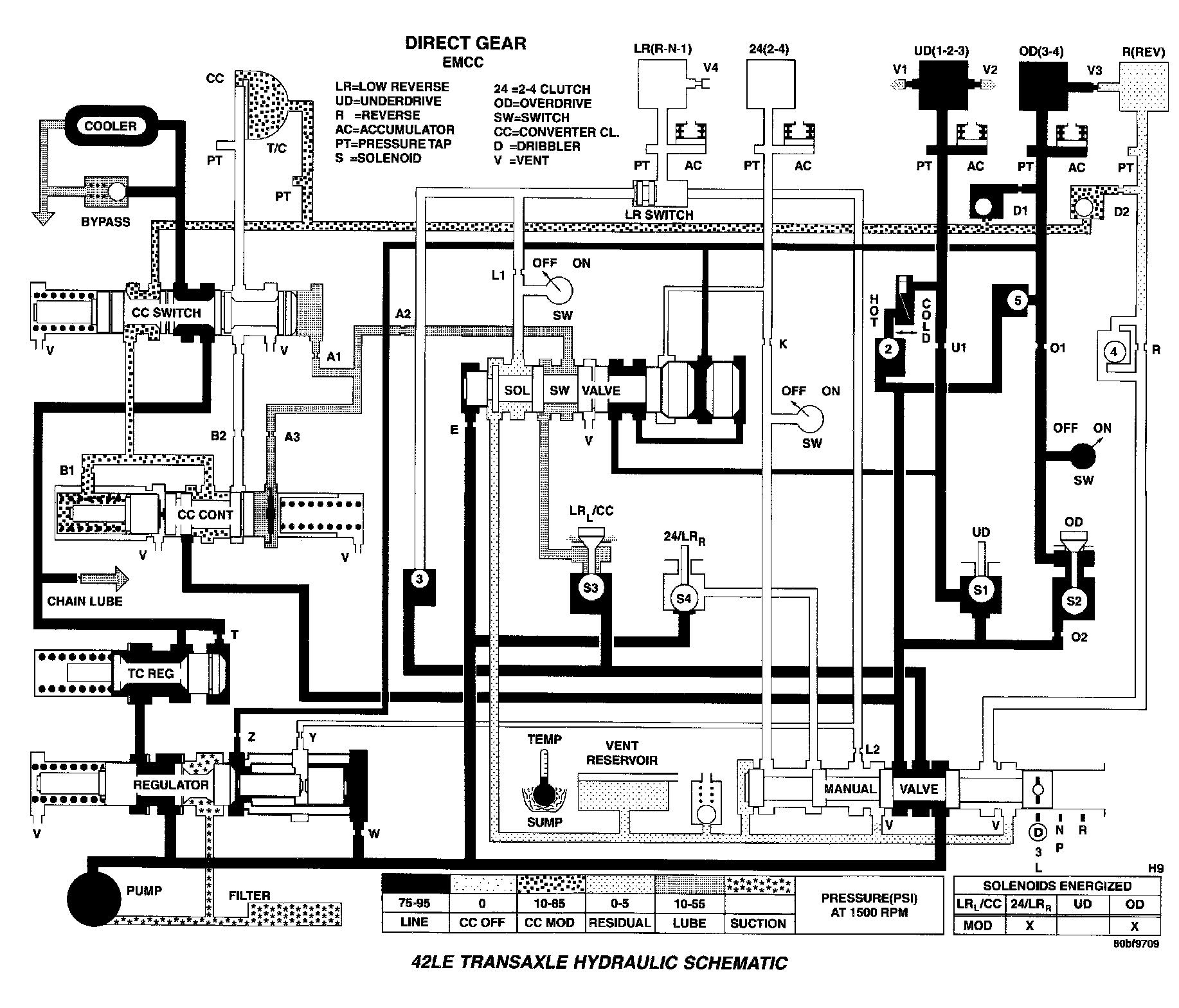
Direct Gear:




Direct Gear (EMCC):




Direct Gear (CC On):




Overdrive:




Overdrive (EMCC):




Overdrive (CC On):