Curiosii for ever!: Car repair manuals for everyone.

Antitheft and Alarm Systems

8W-39-2:




Sentry Key Immobilizer:




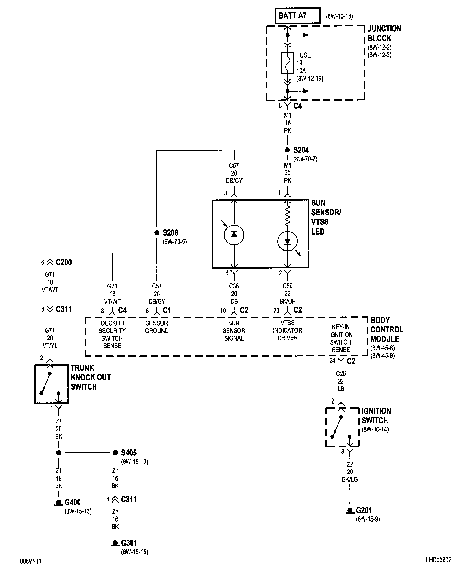
Vehicle Theft Security System:





Body Control Module
Fuse 19 (JB)
G201
G301
G400
Ignition Switch
Junction Block
Sun Sensor/VTSS LED
Trunk Knock Out Switch


8W-39-3:




Body Control Module
Driver Door Cylinder Lock Switch
Driver Door Lock Motor/Ajar Switch
Fuse 19 (JB)
G300
G301
Junction Block
Passenger Door Cylinder Lock Switch
Passenger Door Lock Motor/Ajar Switch


8W-39-4:




Body Control Module
G300
G301
Left Rear Door Lock Motor/Ajar Switch
Right Rear Door Lock Motor/Ajar Switch


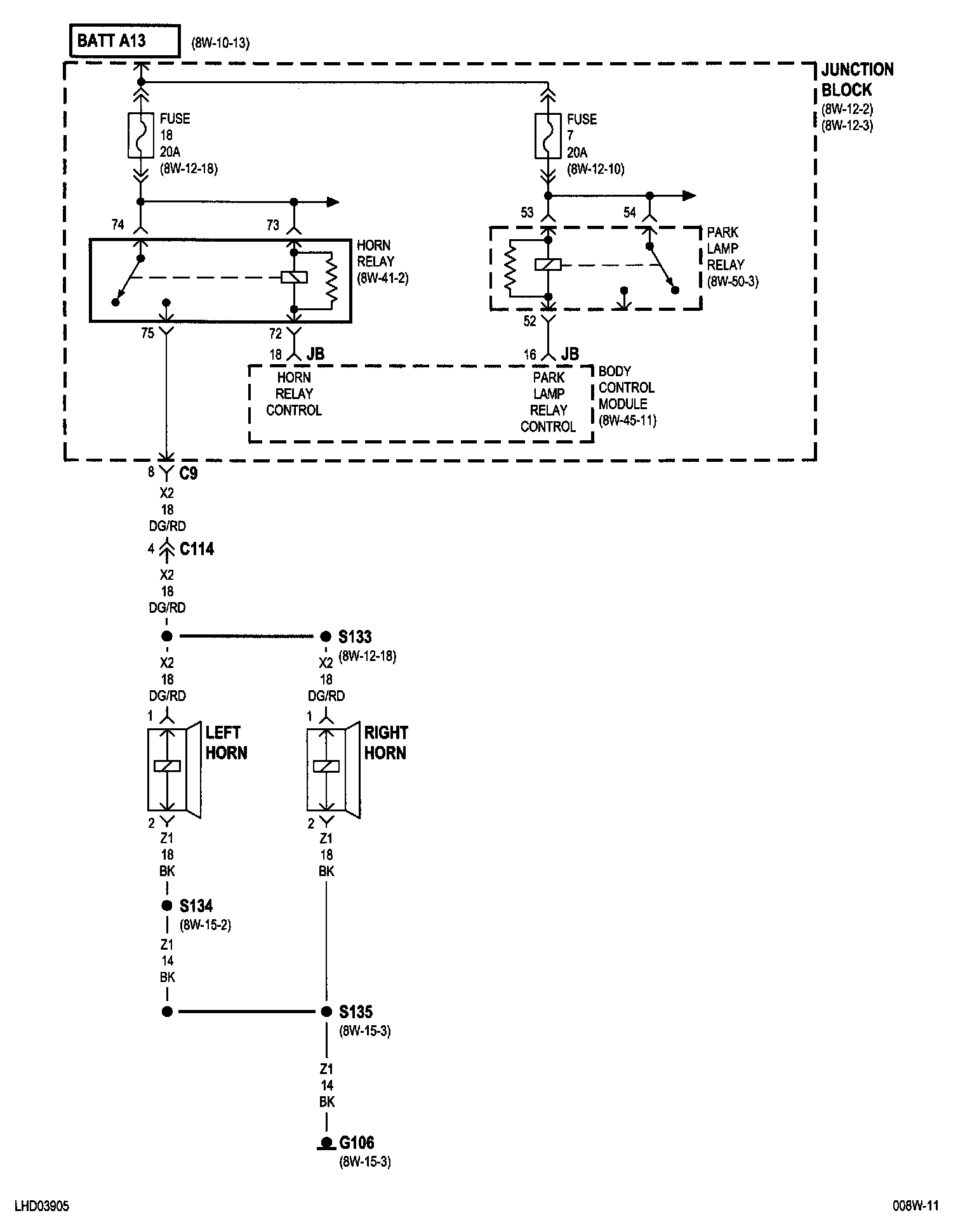
8W-39-5:




Body Control Module
Fuse 7 (JB)
Fuse 18 (JB)
G106
Horn Relay
Junction Block
Left Horn
Park Lamp Relay
Right Horn


8W-39-6:




Body Control Module
Fuse 14 (JB)
Fuse 19 (JB)
G201
Junction Block
Powertrain Control Module
Sentry Key Immobilizer Module


NOTE: To view sheets referred to in these diagrams, see Complete Body and Chassis Diagrams.
Electrical Diagrams