Curiosii for ever!
: Car repair manuals for everyone.
Home
>>
Dodge
>>
2000
>>
Avenger V6-2.5L VIN N
>>
Repair and Diagnosis
>>
Power and Ground Distribution
>>
Relay Box
>>
Locations
>>
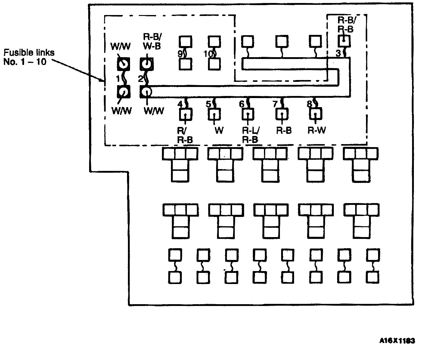
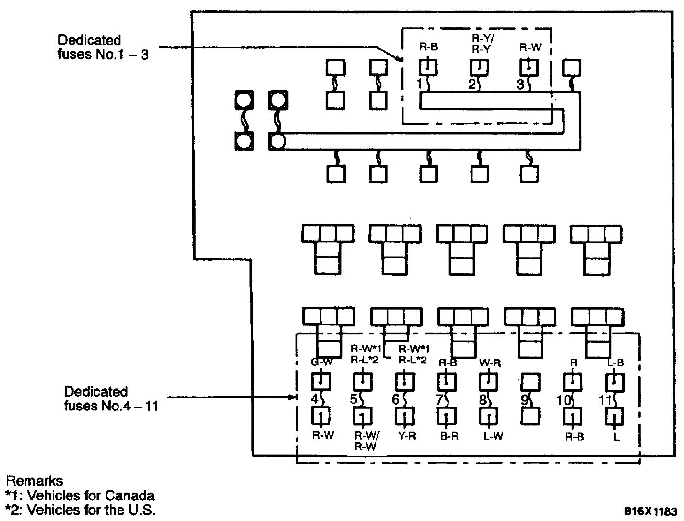
Relay Box In Engine Compartment
Relay Box In Engine Compartment
Fusible Links
Dedicated Fuse
Centralized Relay