Curiosii for ever!
: Car repair manuals for everyone.
Home
>>
Dodge
>>
2000
>>
Avenger V6-2.5L VIN N
>>
Repair and Diagnosis
>>
Diagrams
>>
Electrical Diagrams
>>
Windows
Windows
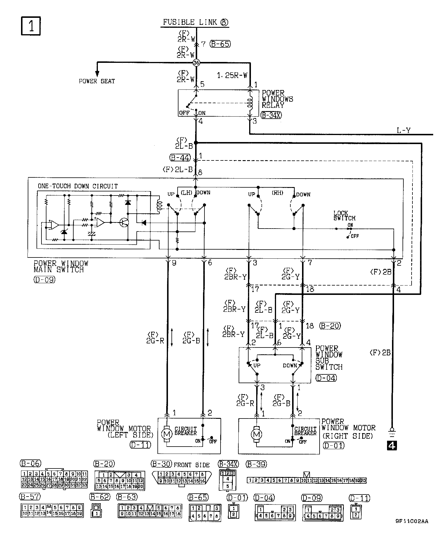
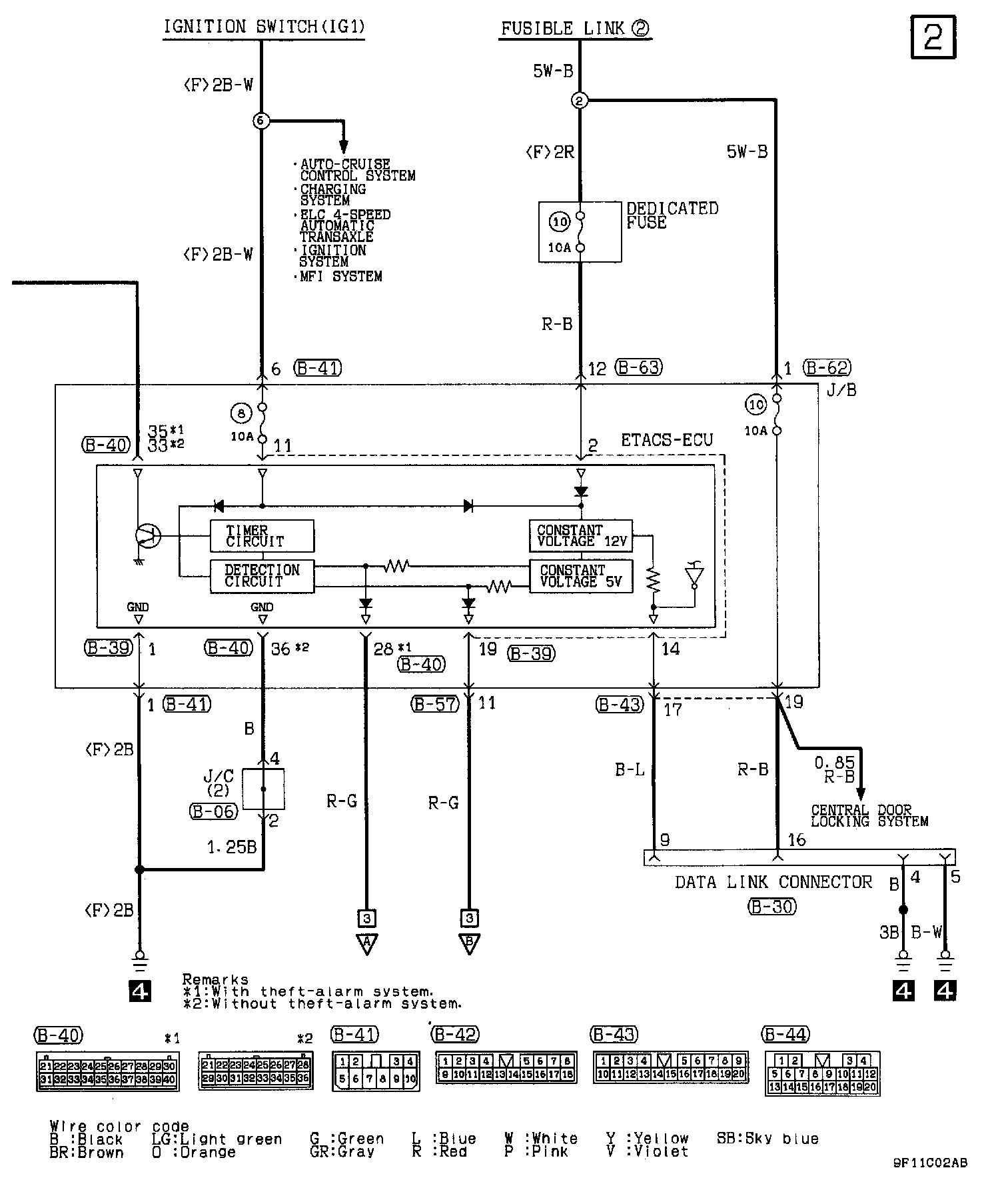
Power Windows (Part 1 Of 3):
Power Windows (Part 2 Of 3):
Power Windows (Part 3 Of 3):