Curiosii for ever!
: Car repair manuals for everyone.
Home
>>
Dodge
>>
2000
>>
Avenger V6-2.5L VIN N
>>
Repair and Diagnosis
>>
Diagrams
>>
Electrical Diagrams
>>
Map Light
Map Light
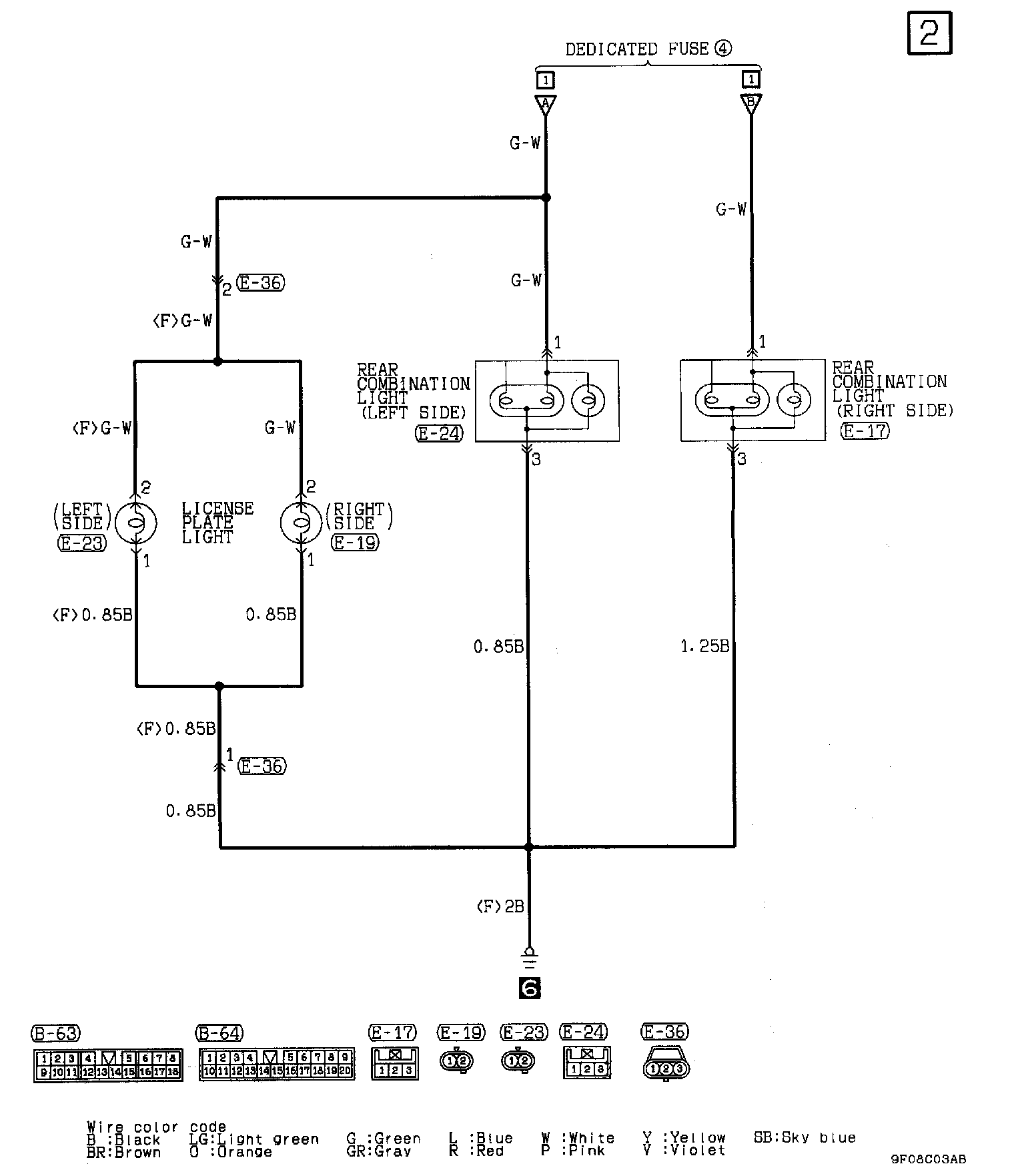
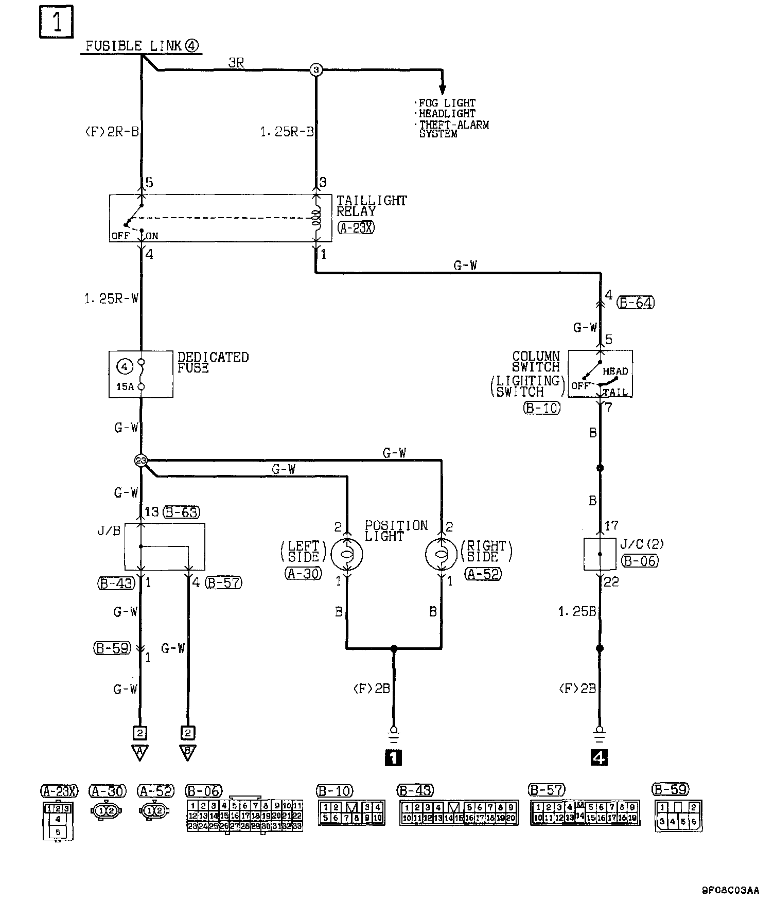
Taillight, Position Light And License Plate Light (Part 1 Of 2):
Taillight, Position Light And License Plate Light (Part 1 Of 2):