Curiosii for ever!
: Car repair manuals for everyone.
Home
>>
Dodge
>>
1999
>>
Avenger V6-2.5L VIN N
>>
Repair and Diagnosis
>>
Diagrams
>>
Exploded Views
>>
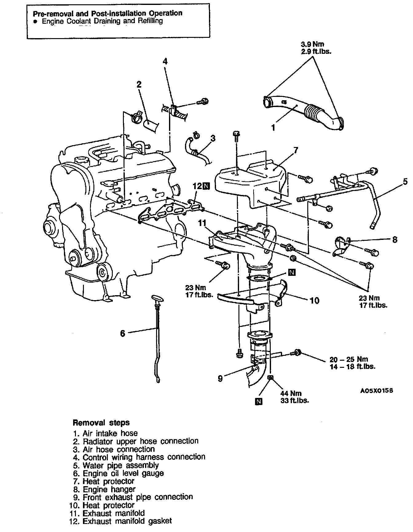
Exhaust Manifold
Exhaust Manifold
Part 1 Of 3:
Part 2 Of 3:
Part 3 Of 3: