Curiosii for ever!
: Car repair manuals for everyone.
Home
>>
Dodge
>>
1998
>>
Intrepid V6-2.7L VIN R
>>
Repair and Diagnosis
>>
Powertrain Management
>>
Transmission Control Systems
>>
Diagrams
>>
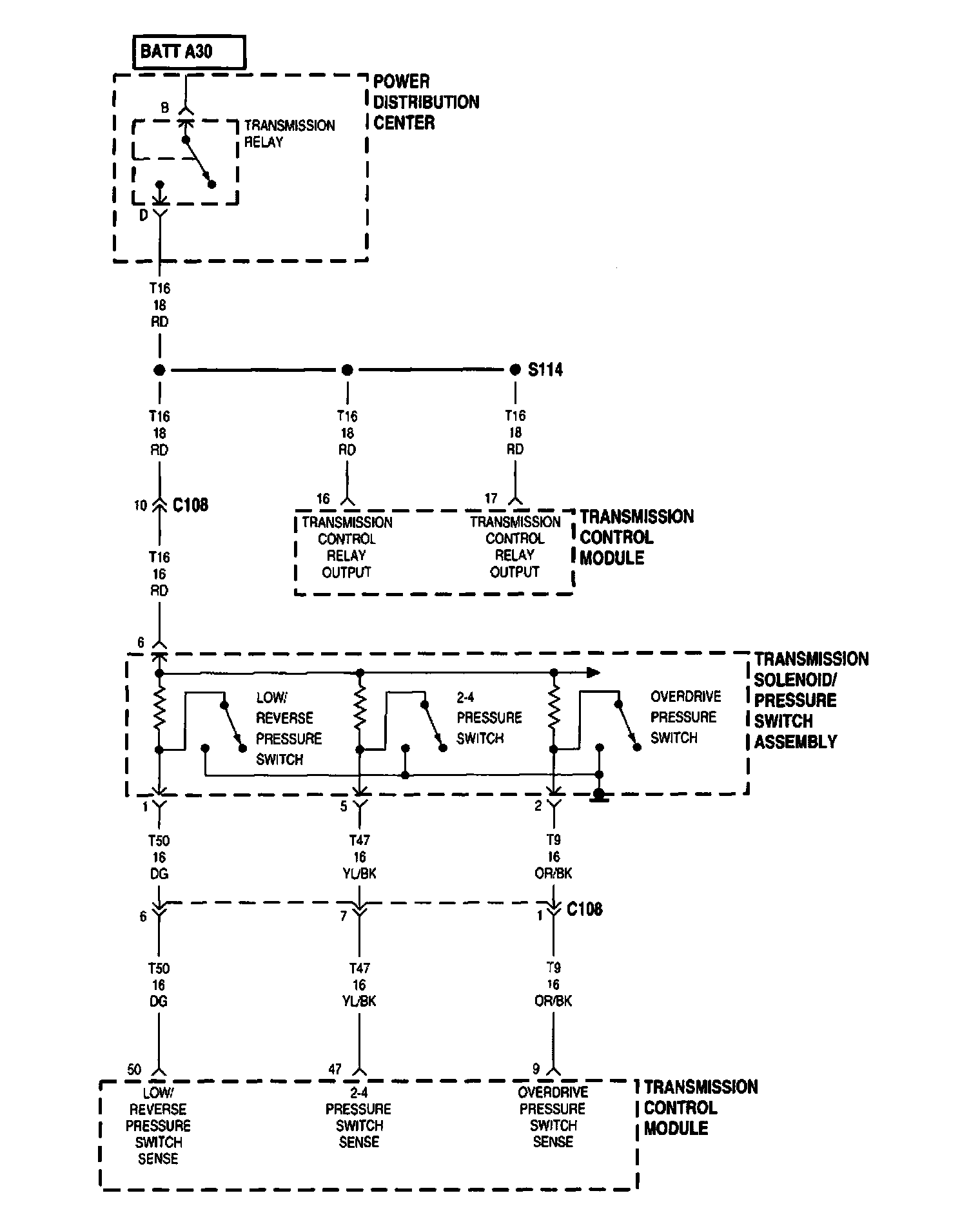
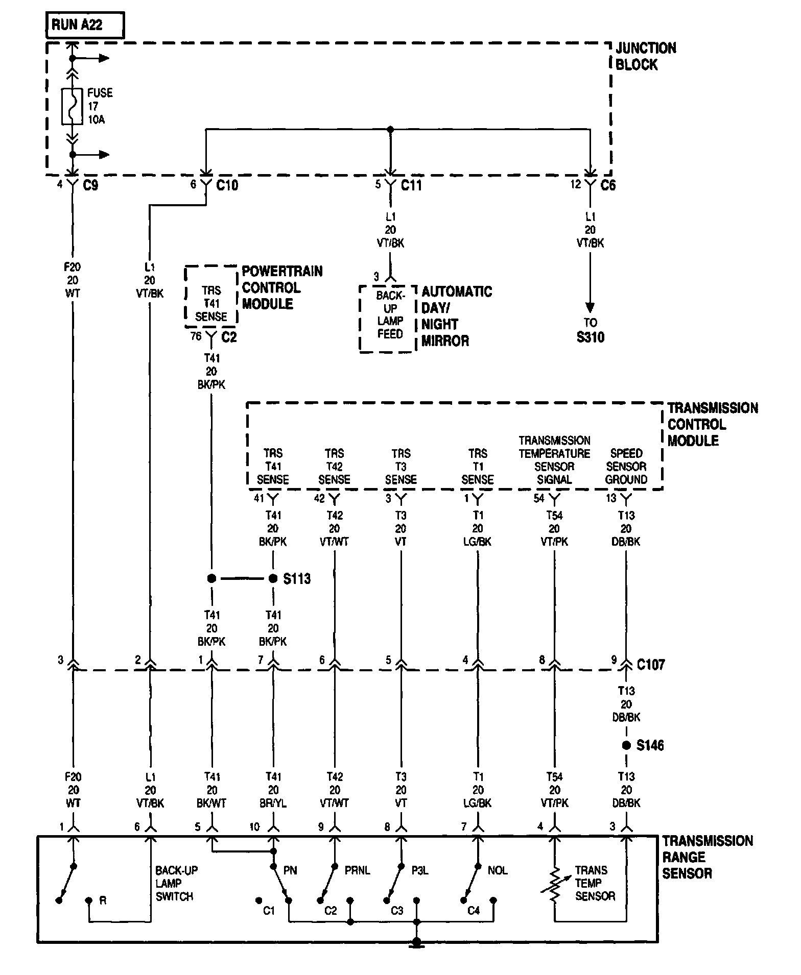
Electrical Diagrams
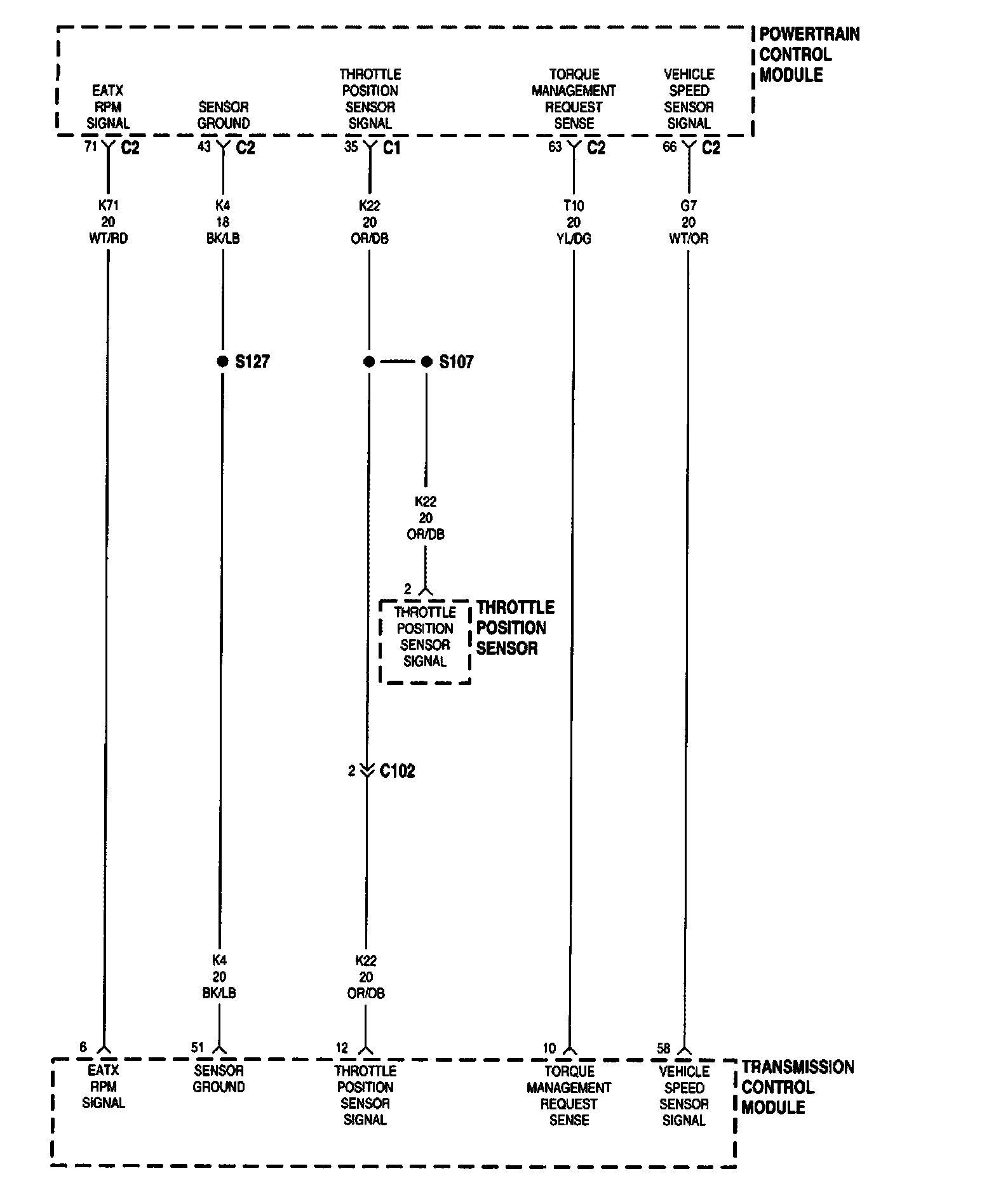
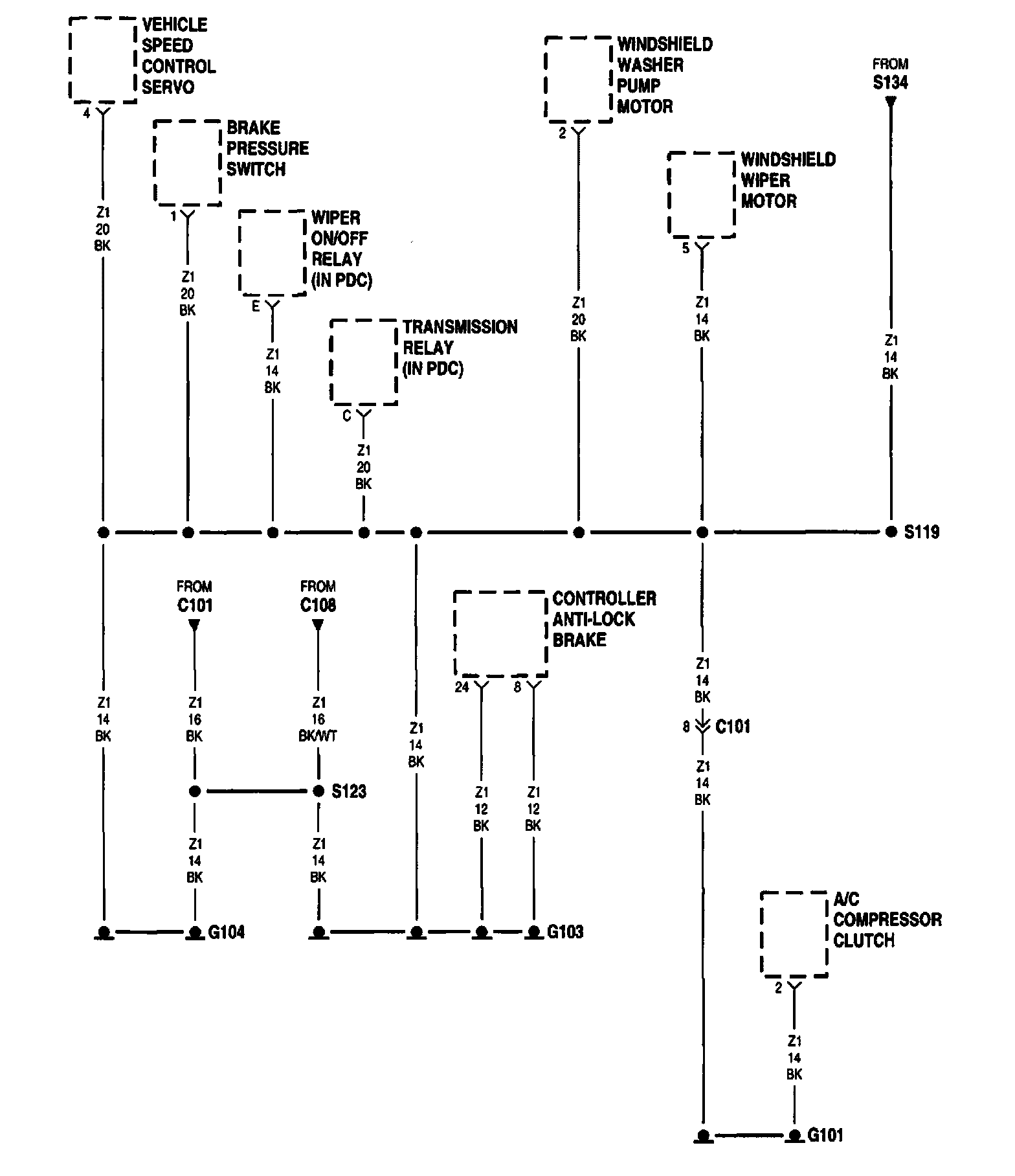
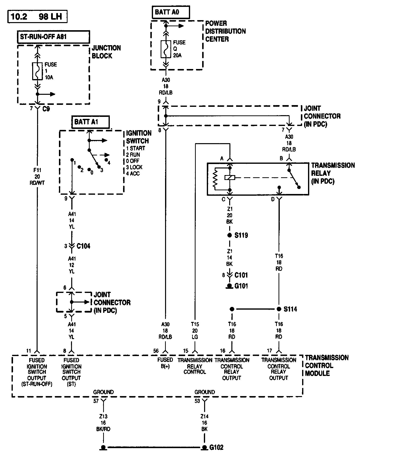
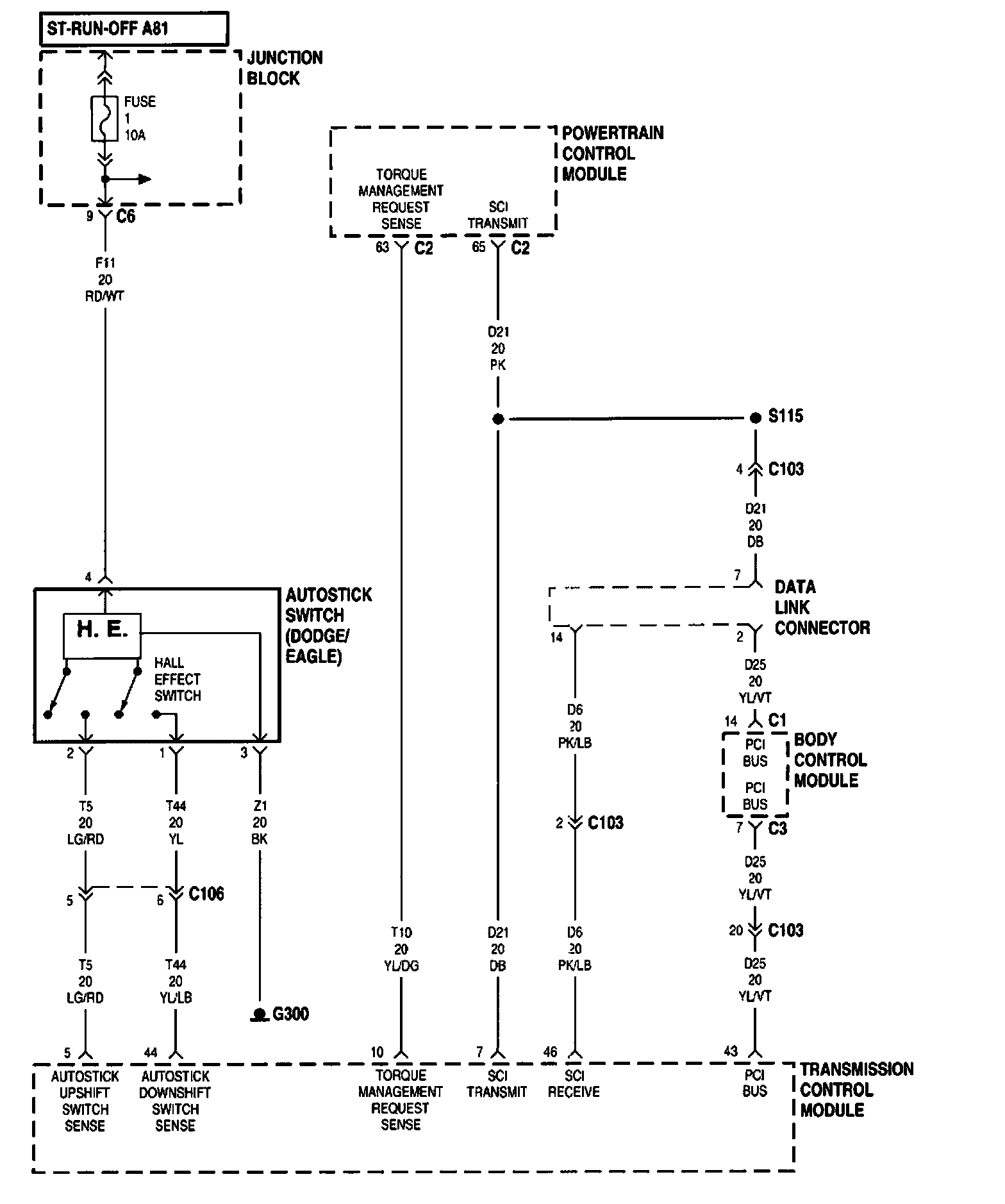
Electrical Diagrams