Curiosii for ever!
: Car repair manuals for everyone.
Home
>>
Dodge
>>
1998
>>
Intrepid V6-2.7L VIN R
>>
Repair and Diagnosis
>>
Locations
>>
Connector Locations
>>
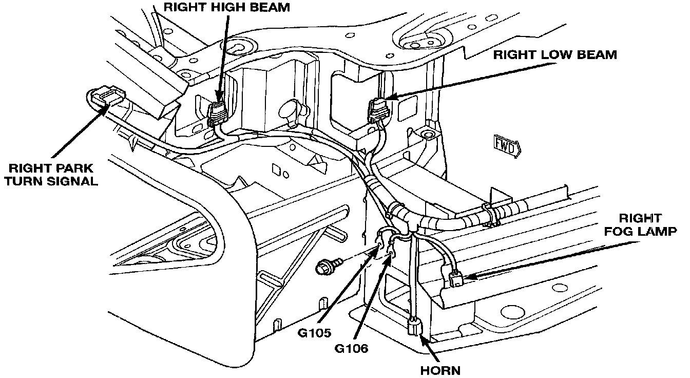
Figure 2
Figure 2
Right Front Of Engine Compartment: