Curiosii for ever!
: Car repair manuals for everyone.
Home
>>
Dodge
>>
1998
>>
Intrepid V6-2.7L VIN R
>>
Repair and Diagnosis
>>
Diagrams
>>
Electrical Diagrams
>>
Windows
Windows
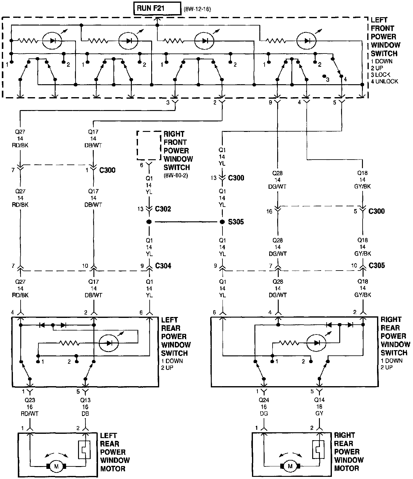
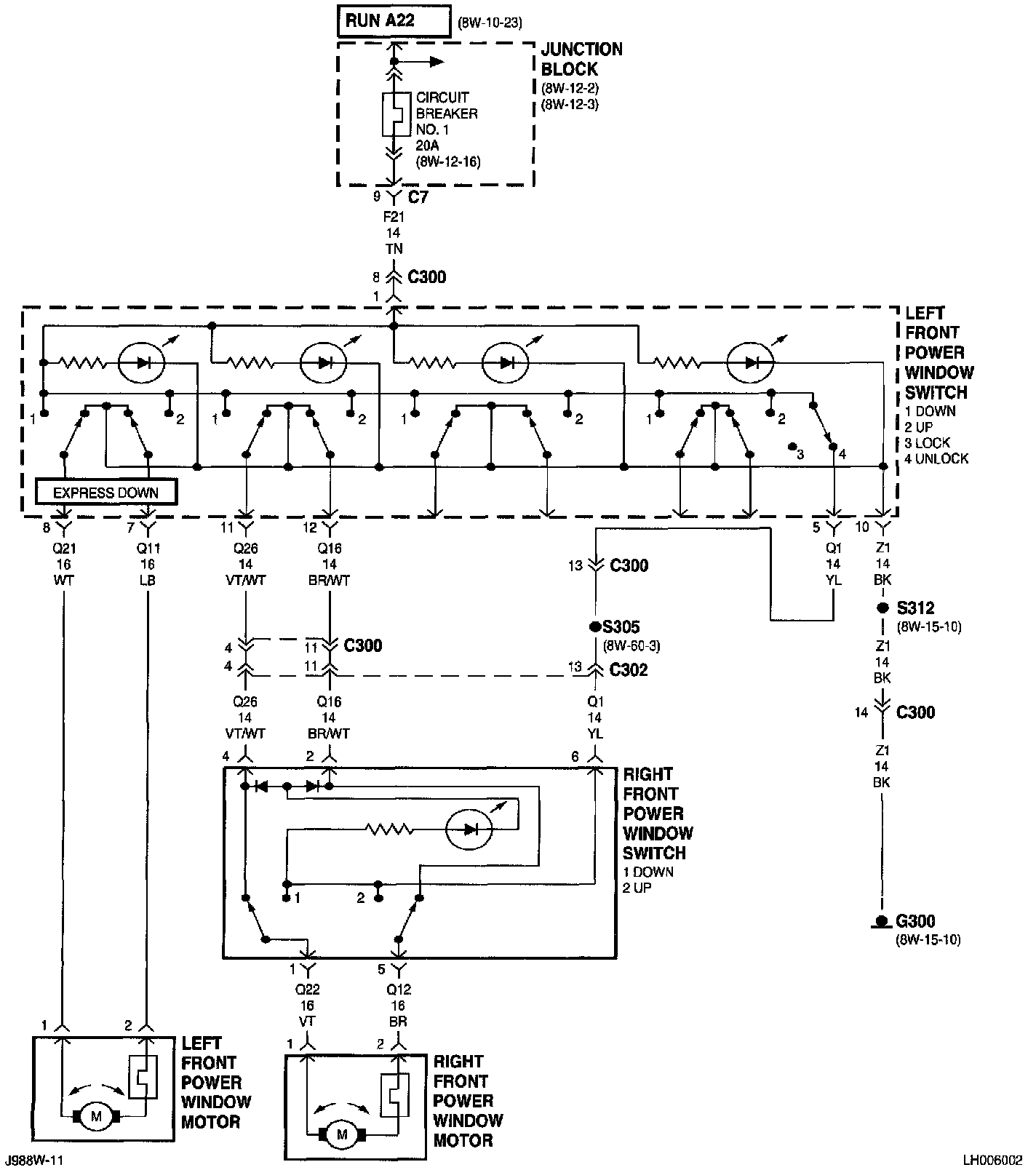
Power Windows (Part 1 Of 2):
Power Windows (Part 2 Of 2):
NOTE:
To view Diagrams referred to in these diagrams SEE Complete Body and Chassis Diagrams.
Diagrams By Group Number