Curiosii for ever!: Car repair manuals for everyone.

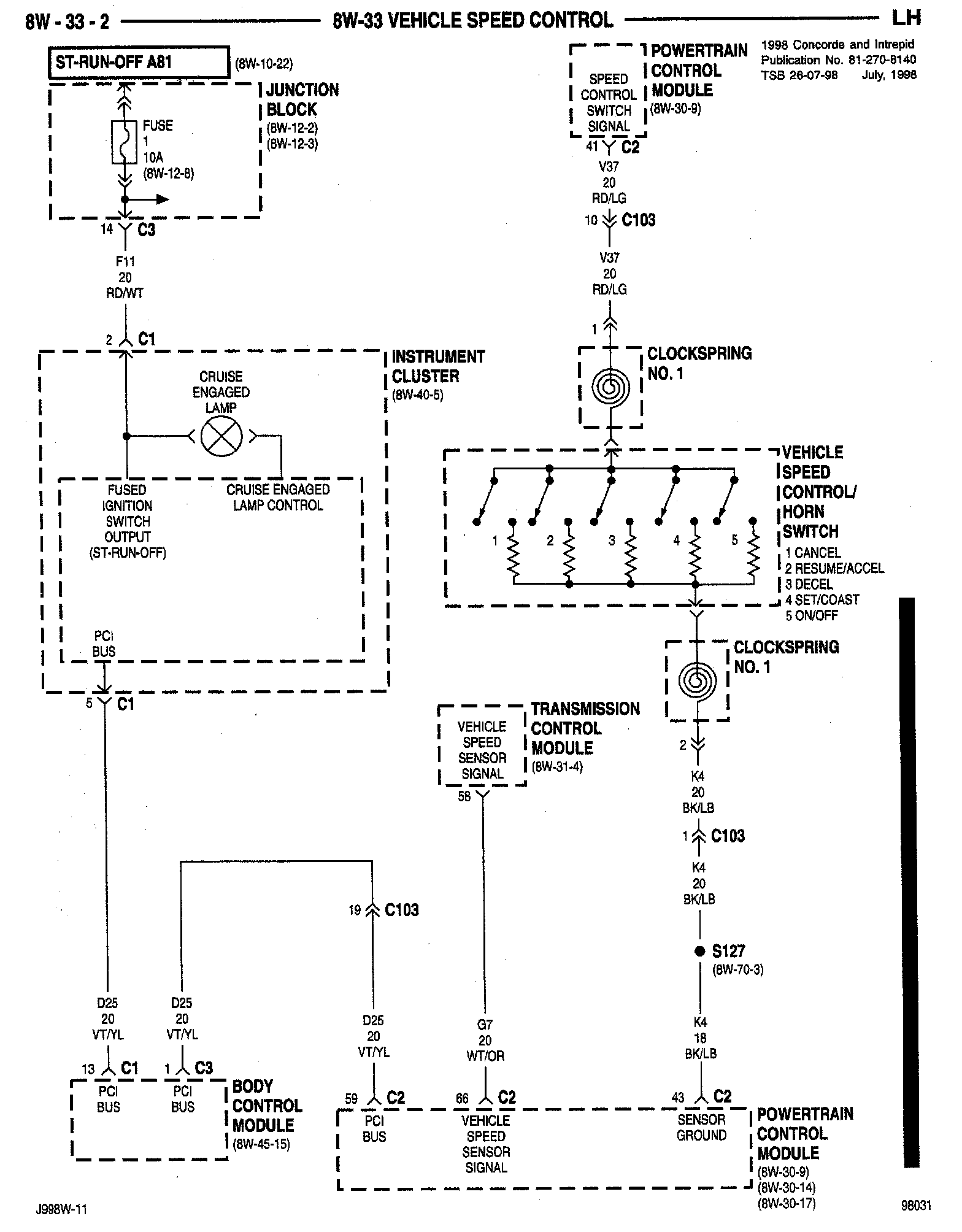
Cruise Control - Wiring Schematic Revisions

NUMBER: 26-07-98B

GROUP: Miscellaneous

DATE: July, 1998

REVISIONS ARE HIGHLIGHTED WITH BLACK BARS IN THE MARGIN

Models:
1998 Concorde/Intrepid Service Manual - Publication Number 81-270-8140

DESCRIPTION OF CHANGES

Revisions to the Speed Control Wiring Schematics





8W-33-2