Curiosii for ever!: Car repair manuals for everyone.

Cruise Control: Service and Repair






Throttle Cable And Accelerator Cable Removal Steps
1. Link protector
2. Throttle cable
3. Accelerator cable

Link Assembly Removal Steps
1. Link protector
4. Speed control assembly connection
5. Throttle cable connection
6. Accelerator cable connection
7. Link assembly
8. Link bracket

Reservoir Assembly And Speed Control Assembly Removal Steps
9. Vacuum hose connection
10. Reservoir assembly
11. Speed control assembly
12. Actuator upper bracket
13. Actuator lower bracket







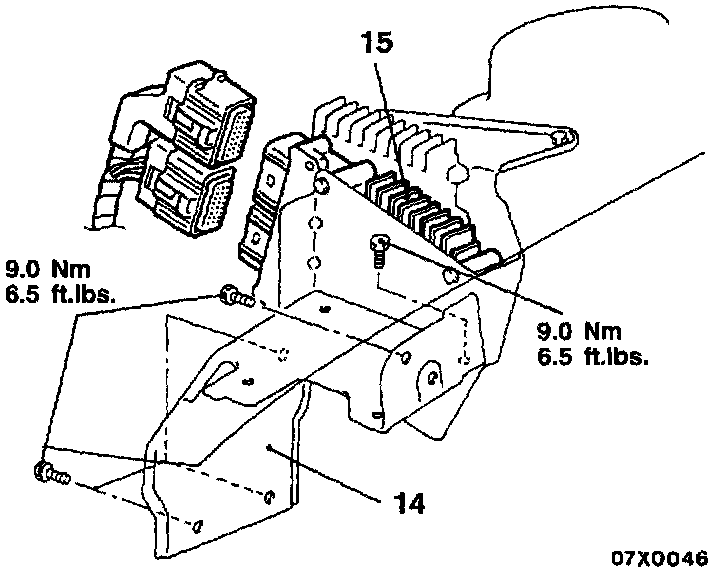
Powertrain Control Module Removal Steps
- Remove Air cleaner
14. Powertrain control module bracket
15. Powertrain control module






Auto-Cruise Control Main Switch Removal Steps
16. Instrument panel switch
17. Auto-cruise control main switch






CAUTION: SRS Before removal of air bag module and clock spring, refer to Service Precautions for Air Bag Control Module and Clock spring.

Auto-Cruise Control Switch And Clock Spring Removal Steps
18. Air bag module
19. Auto-cruise control switch
20. Steering wheel
21. Steering column upper cover
22. Steering column lower cover
- Instrument under cover
23. Clock spring

Sensor removal steps
24. Transaxle range sensor
25. Stop light switch
26. Vehicle speed sensor
27. Input speed sensor

28. Output speed sensor