Curiosii for ever!
: Car repair manuals for everyone.
Home
>>
Dodge
>>
1996
>>
Stealth R/T V6-2972cc 3.0L DOHC
>>
Repair and Diagnosis
>>
Heating and Air Conditioning
>>
Control Module HVAC
>>
Testing and Inspection
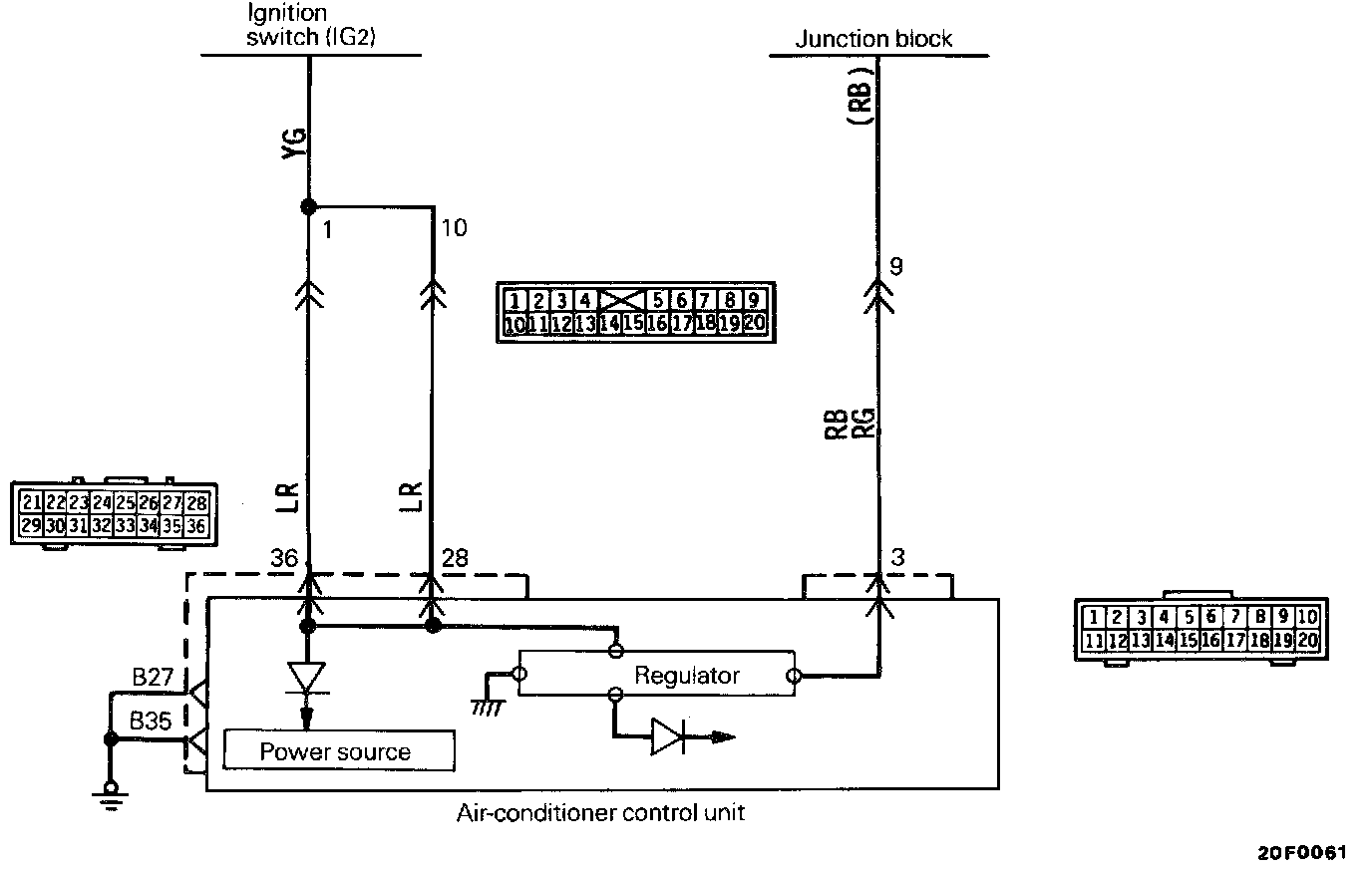
Control Module HVAC: Testing and Inspection
Inspection of Air Conditioner Control Unit Power Source Circuit
Troubleshooting Hints
Air conditioner control unit terminal voltage