Curiosii for ever!
: Car repair manuals for everyone.
Home
>>
Dodge
>>
1996
>>
Intrepid V6-215 3.5L
>>
Repair and Diagnosis
>>
Diagrams
>>
Electrical Diagrams
>>
Cruise Control
Cruise Control
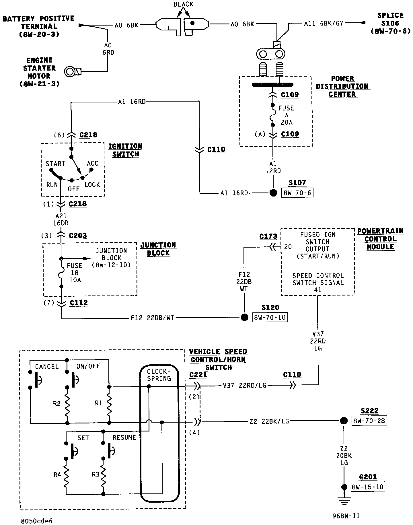
Vehicle Speed Control (Part 1 Of 2):
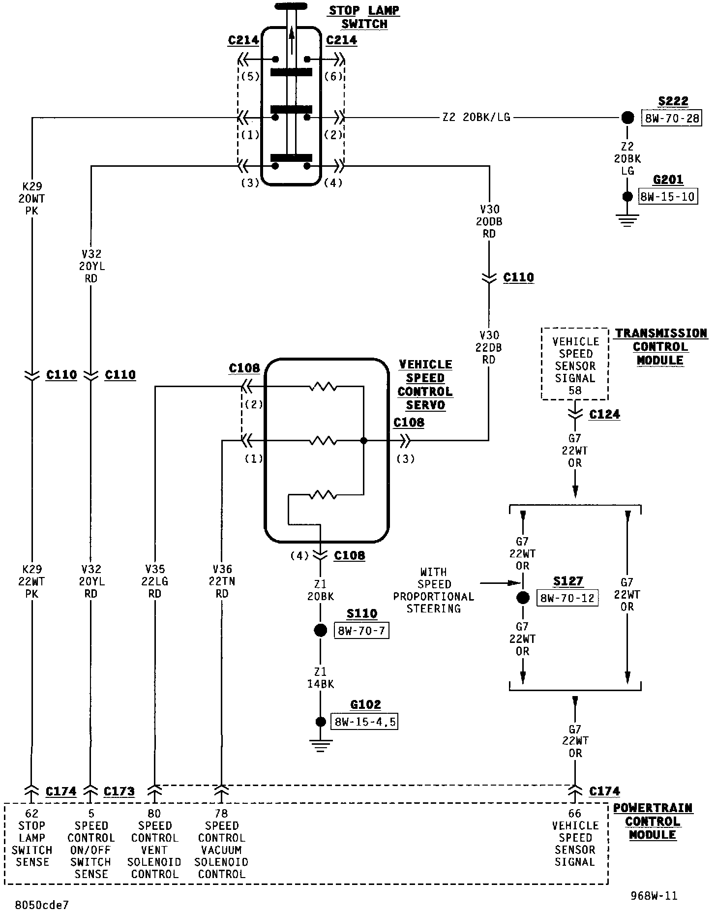
Vehicle Speed Control (Part 2 Of 2):
NOTE:
To view sheets referred to in these diagrams, see
Diagram Information and Instructions/Complete Body and Chassis Diagrams
.