Curiosii for ever!
: Car repair manuals for everyone.
Home
>>
Dodge
>>
1996
>>
Intrepid V6-201 3.3L
>>
Repair and Diagnosis
>>
Windows and Glass
>>
Windows
>>
Diagrams
>>
Electrical Diagrams
Electrical Diagrams
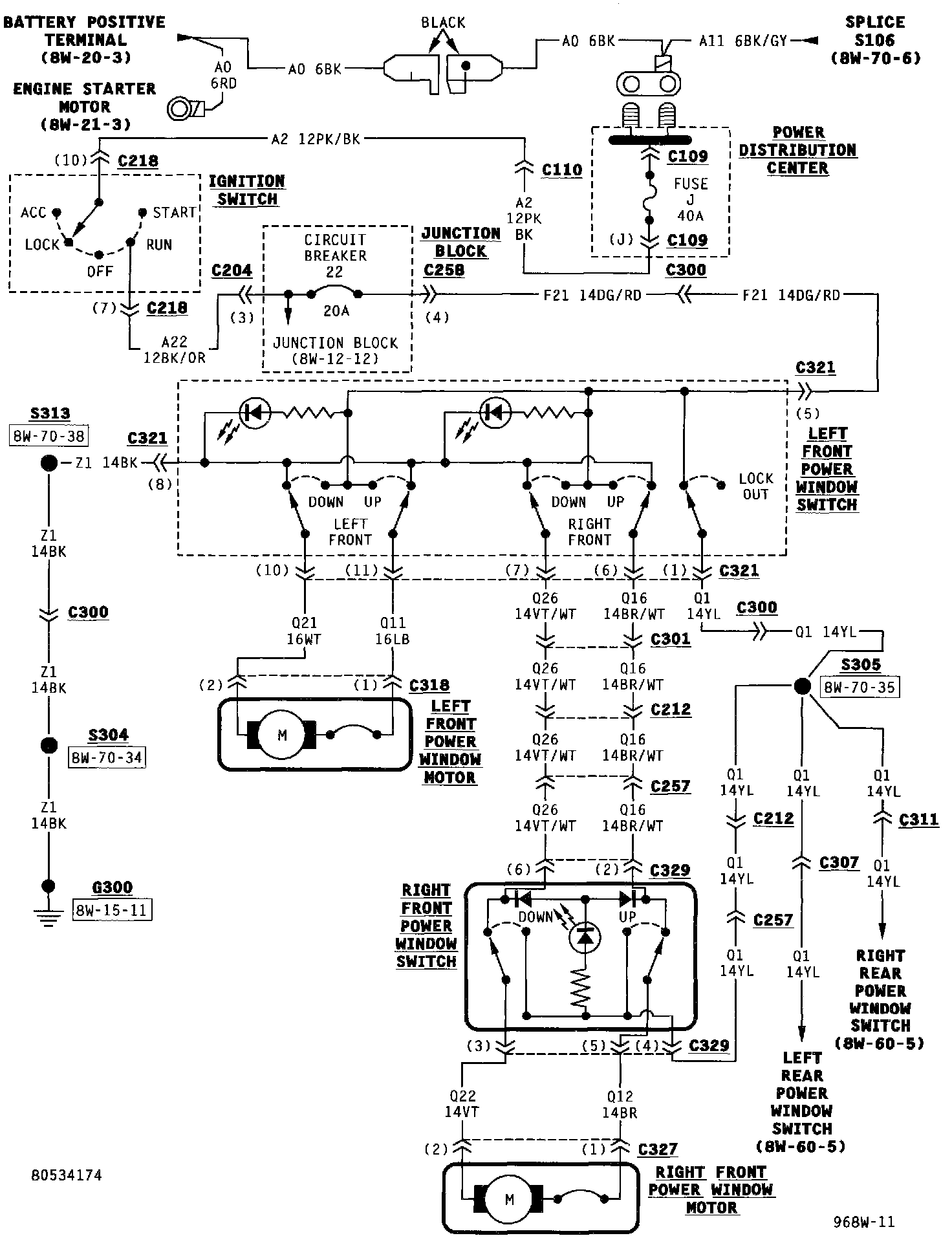
Power Windows (Part 1 Of 2):
Power Windows (Part 2 Of 2):
NOTE:
To view sheets referred to in these diagrams, see
Diagram Information and Instructions/Complete Body and Chassis Diagrams
.