Curiosii for ever!
: Car repair manuals for everyone.
Home
>>
Dodge
>>
1996
>>
Intrepid V6-201 3.3L
>>
Repair and Diagnosis
>>
Locations
>>
Connector Locations
>>
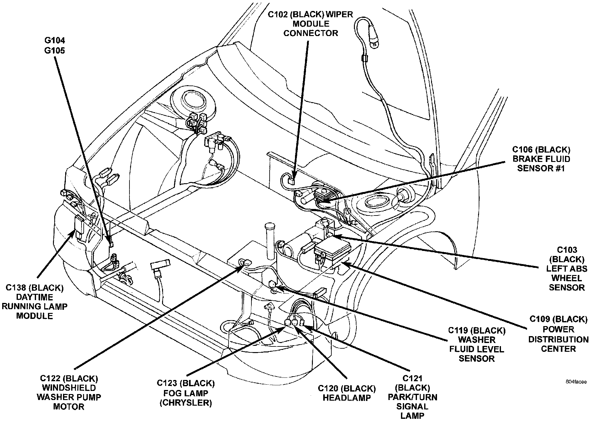
Figure 3
Figure 3
Engine Compartment Connections: