Curiosii for ever!
: Car repair manuals for everyone.
Home
>>
Dodge
>>
1996
>>
Intrepid V6-201 3.3L
>>
Repair and Diagnosis
>>
Diagrams
>>
Electrical Diagrams
>>
Antilock Brakes / Traction Control Systems
>>
Electronic Brake Control Module
>>
Without Traction Control
Without Traction Control
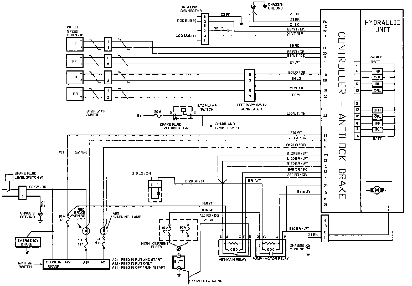
Fig 4 - Teves ABS (MARK IVG) Wiring Circuit: