Curiosii for ever!
: Car repair manuals for everyone.
Home
>>
Dodge
>>
1996
>>
Avenger L4-2.0L DOHC
>>
Repair and Diagnosis
>>
Powertrain Management
>>
Diagrams
>>
Electrical Diagrams
>>
System Schematics
System Schematics
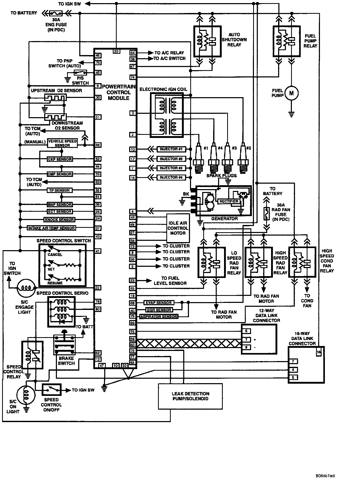
PCM Schematic: