Curiosii for ever!: Car repair manuals for everyone.

Compressor Clutch: Adjustments

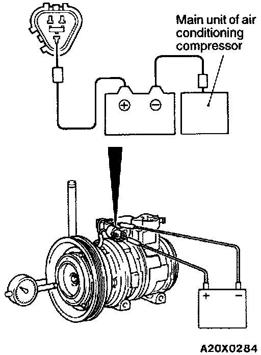
Reassembly Service Point:






Air Gap Adjustment
Apply battery voltage to the magnetic clutch and check that the air gap is within the standard value. If the air gap is outside the standard value, adjust with a shim.
- Standard value: 0.35 - 0.65 mm (0.0138 - 0.0256 in.)

NOTE: If there is a deviation of the air gap from the standard value, adjust the number of shims.