Curiosii for ever!: Car repair manuals for everyone.

Vehicles With Keyless Entry System

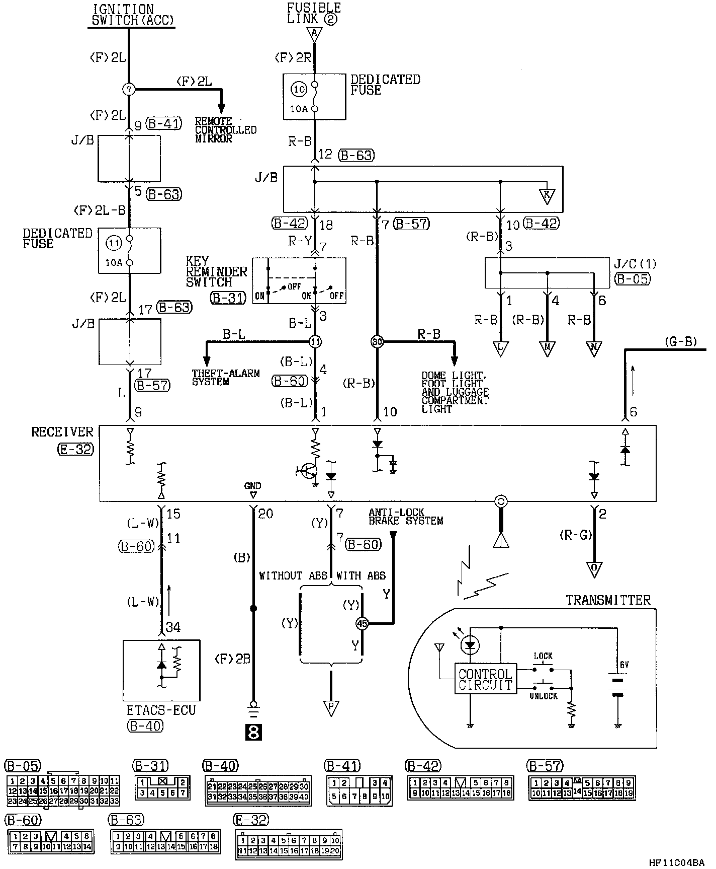
Central Door Locking System (Part 1 Of 6):




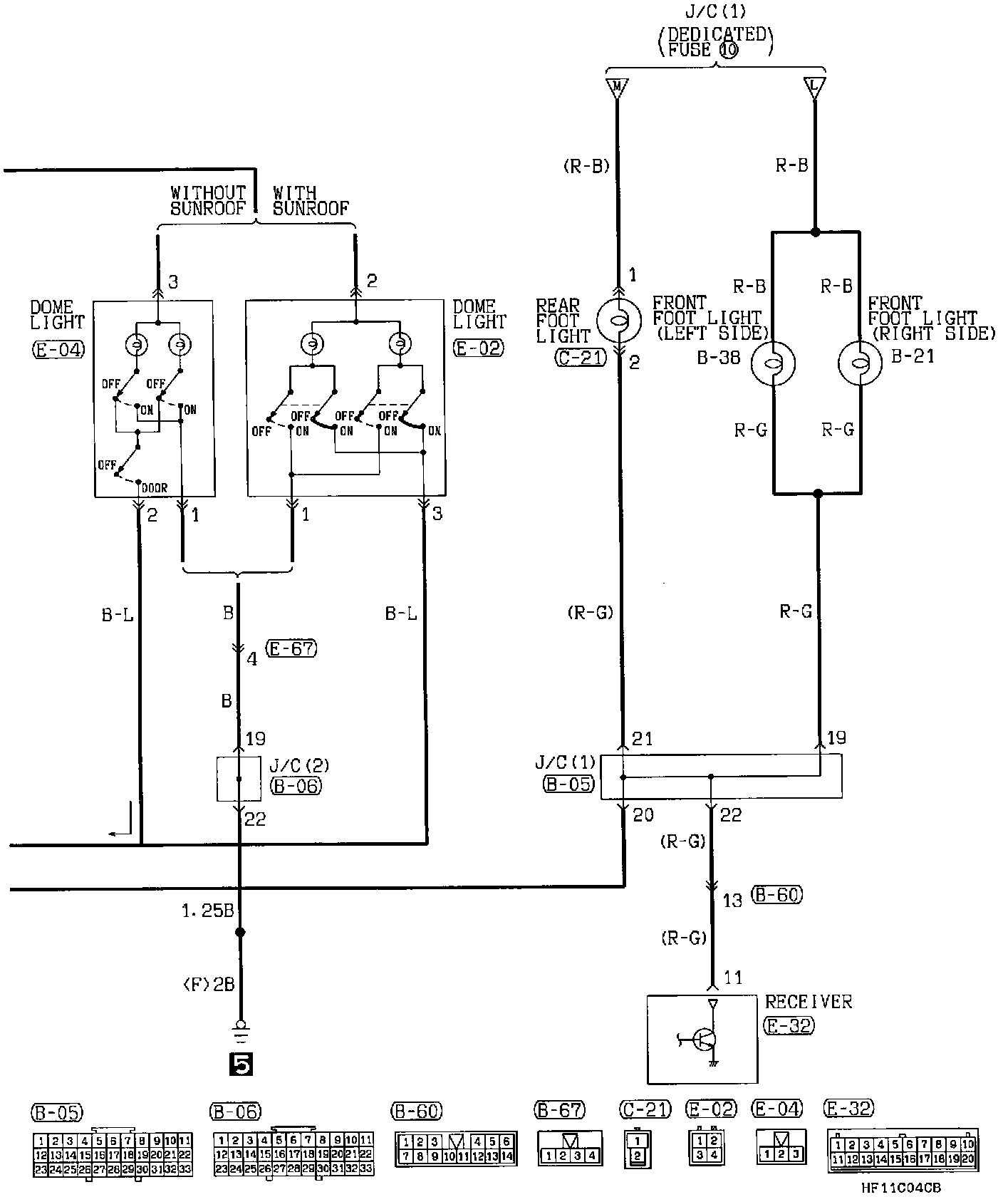
Central Door Locking System (Part 2 Of 6):




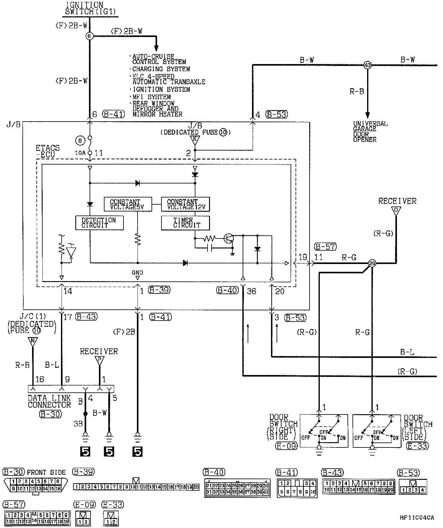
Central Door Locking System (Part 3 Of 6):




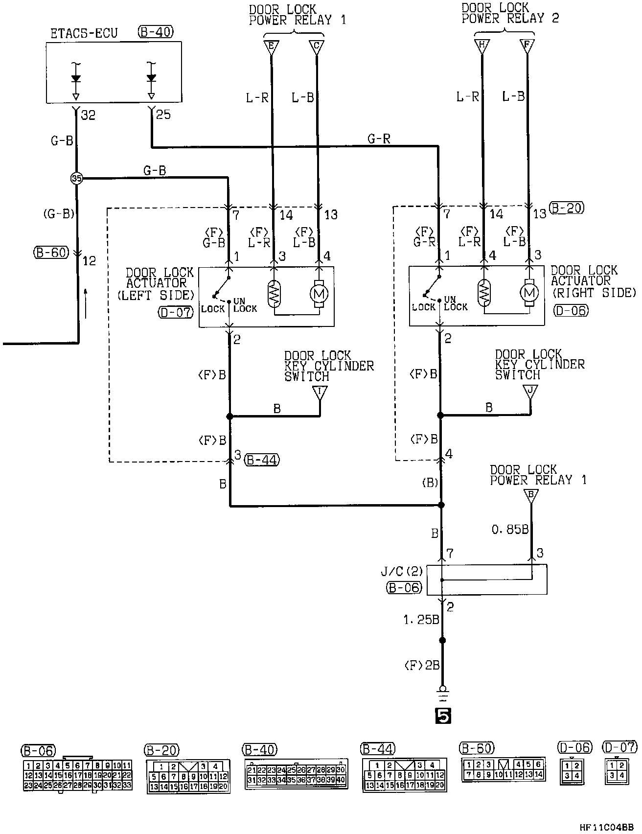
Central Door Locking System (Part 4 Of 6):




Central Door Locking System (Part 5 Of 6):




Central Door Locking System (Part 6 Of 6):