Curiosii for ever!
: Car repair manuals for everyone.
Home
>>
Dodge
>>
1994
>>
Stealth V6-2972cc 3.0L SOHC
>>
Repair and Diagnosis
>>
Diagrams
>>
Electrical Diagrams
>>
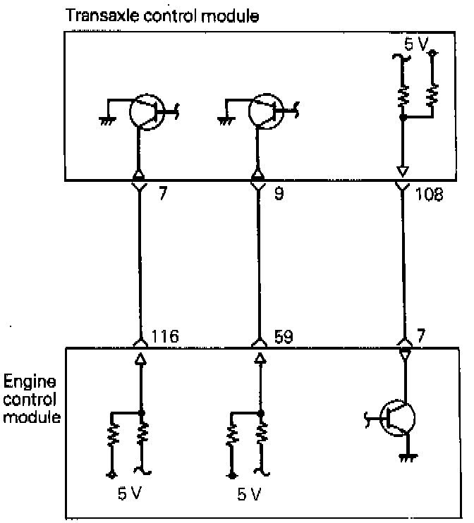
Control Module, A/T
Control Module, A/T
Transaxle Control Signal Circuit: