Curiosii for ever!: Car repair manuals for everyone.

Output Current Test

Output Current Test:






The test is performed to check whether the.generator has the capability to output expected current.

1. Before the output current test is performed, be sure to check the following items:
^ Mounted condition of generator
^ Battery condition (Refer to Battery.)
NOTE:
The battery used for output current test is preferably in a slightly discharged condition. With a fully charged battery, shortage of load could result in incorrect test.
^ Generator drive belt tension (Refer to Maintenance Service.)
^ Fusible link condition
^ Whether strange sound is heard from generator during engine rotation

2. Place the ignition switch at "OFF".

3. Disconnect the negative cable of the battery.

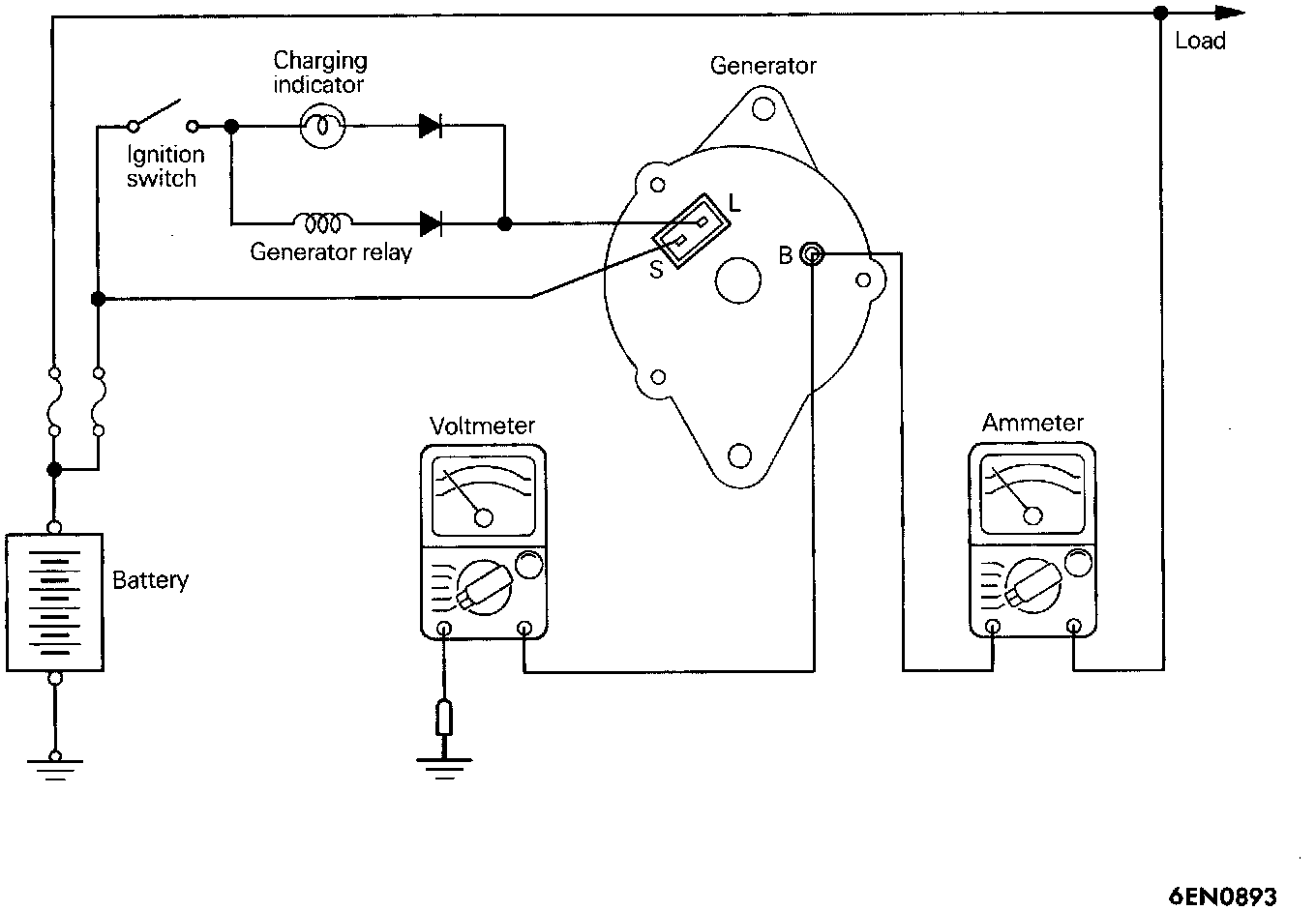
4. Disconnect the output line of the generator from terminal B of the generator.

5. Connect a O-1OO A test DC ammeter between terminal B and the disconnected output line in series. (Connect the positive lead wire of the ammeter to terminal B and connect the negative lead wire of the ammeter to the disconnected output line.)
CAUTION:
Since a large current flows, firmly secure all the connections with bolts and nuts. Be sure to avoid the method of fastening connections with clips.
NOTE:
Use of a clamp type ammeter is recommended, as it allows measurements to be made without disconnecting the output line of the generator.

6. Connect a 0-20V test voltmeter between terminal B and ground. (Connect the positive lead wire of the voltmeter to terminal B and connect the negative lead wire of the voltmeter to a good ground.)

7. Set an engine tachometer.
NOTE:
For engine tachometer setting procedure, refer to Service Adjustment Procedures.

8. Connect the negative cable of the battery.

9. Leave the engine hood opened.

10. Check that the voltmeter reading is equal to the battery voltage.
NOTE:
When the voltmeter reading is O V, an open- circuited wiring or fusible link between terminal B of the generator and the positive terminal of the battery is suspected.

11. Set the lighting switch to "ON" to light the headlamps, and then start the engine.

12. Set the headlamps to high beam and set the heater blower switch to HI. Immediately increase the engine speed to 2,500 rpm and read the maximum output current value indicated by the ammeter.

Limit value: 70% of nominal output current

NOTES:

^ For the nominal output current value, refer to General Specifications.

^ Since the charge current abruptly decreases after starting the engine, perform the above-mentioned operations quickly when reading the maximum current value.

^ The output current value varies with the size of electric load and the temperature of the generator itself.
When the electric load of the vehicle under test is small, the specified output current may be unavailable even if there is nothing wrong with the generator. In such a case, leave the headlamps lighted to discharge the battery, or get another car and use the lamps and other devices of the car to increase the electric load, and then re-perform the test. If the temperature of the generator itself or the ambient temperature is too high, the specified output current may be unavailable, either. In such a case, let the generator cool down before retesting.

13. Check to ensure that the ammeter reading is in excess of the limit value. If the reading is lower than the limit value, and there is nothing wrong with the output line of the generator, remove the generator from the engine and check it.

14. After the output current test has been completed, reduce the engine speed to the idling speed.

15. Place the ignition switch at "OFF".

16. Disconnect the negative cable of the battery.

17. Remove the test ammeter, voltmeter and engine tachometer.

18. Connect the output line of the generator to terminal B of the generator.

19. Reconnect the negative cable of the battery.