Curiosii for ever!
: Car repair manuals for everyone.
Home
>>
Dodge
>>
1994
>>
Spirit L4-153 2.5L SOHC
>>
Repair and Diagnosis
>>
Diagrams
>>
Connector Views
>>
Windows
>>
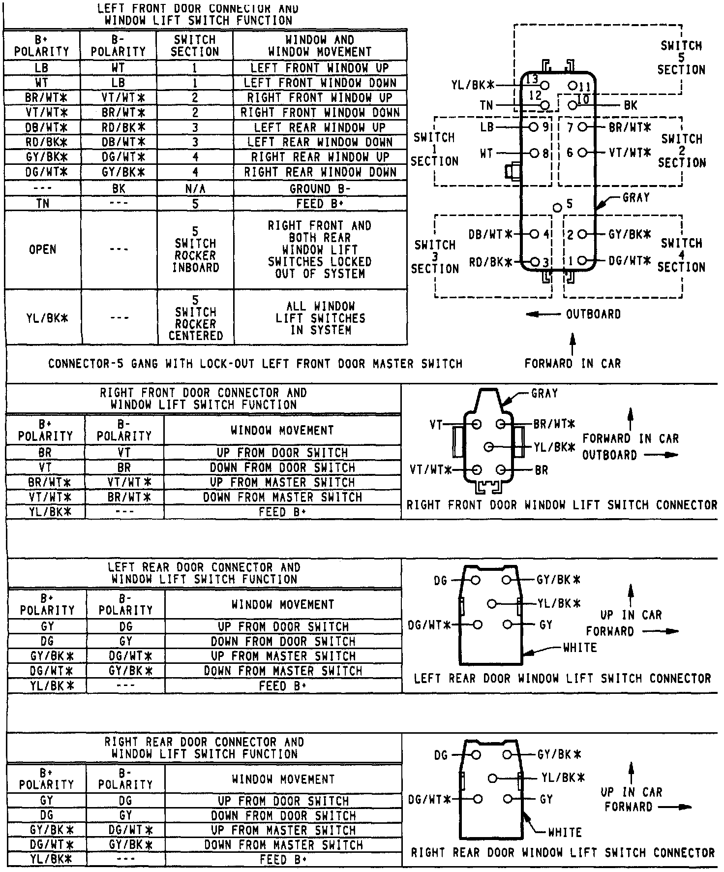
Power Window Switch
Power Window Switch
Power Window Connector And Switch Function: