Curiosii for ever!: Car repair manuals for everyone.

With Column Shift





GENERAL INFORMATION
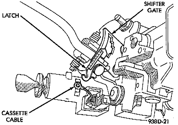
The interlock cassette slides into the housing behind the lock cylinder. The cable at the rear of the cassette attaches to a locking arm on the shifter mechanism. The column shift interlock system is only adjusted after installing a new cassette. It can't be adjusted more than once. If the system operates incorrectly, install and adjust a new interlock cassette.

REMOVAL
1. Depress the tab on the top of the cassette.
2. Slide the interlock cassette out of the housing.
3. Remove the cable from the locking arm on the shifter mechanism.





INSTALLATION
1. Ensure the latch rotates freely on the shifter gate.
2. With the shifter in Park and the key removed, install the cable over the hook on locking arm of the shifter mechanism.
3. Slide the cassette into the housing until it locks in place.





4. To adjust the interlock system, push the adjustment tab in until it stops. The adjustment tab will click as it moves into position. Ensure the tab is fully depressed