Curiosii for ever!
: Car repair manuals for everyone.
Home
>>
Dodge
>>
1994
>>
Intrepid V6-201 3.3L
>>
Repair and Diagnosis
>>
Locations
>>
Splice Locations
>>
Splices By Figure Number
>>
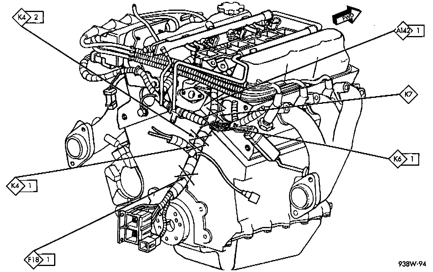
Figure 14
Figure 14
Engine Splices 3.3L: