Curiosii for ever!
: Car repair manuals for everyone.
Home
>>
Dodge
>>
1994
>>
Intrepid V6-201 3.3L
>>
Repair and Diagnosis
>>
Heating and Air Conditioning
>>
Diagrams
>>
Electrical Diagrams
>>
System Schematic
>>
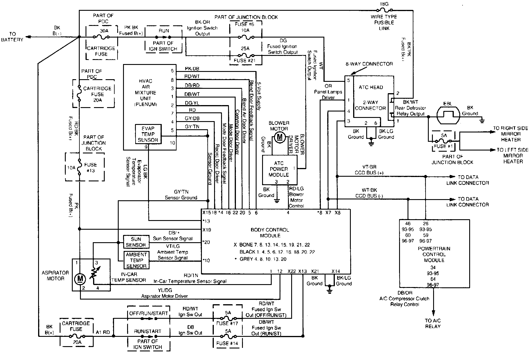
Automatic Temperature Control System
Automatic Temperature Control System