Curiosii for ever!
: Car repair manuals for everyone.
Home
>>
Dodge
>>
1994
>>
Intrepid V6-201 3.3L
>>
Repair and Diagnosis
>>
Diagrams
>>
Electrical Diagrams
>>
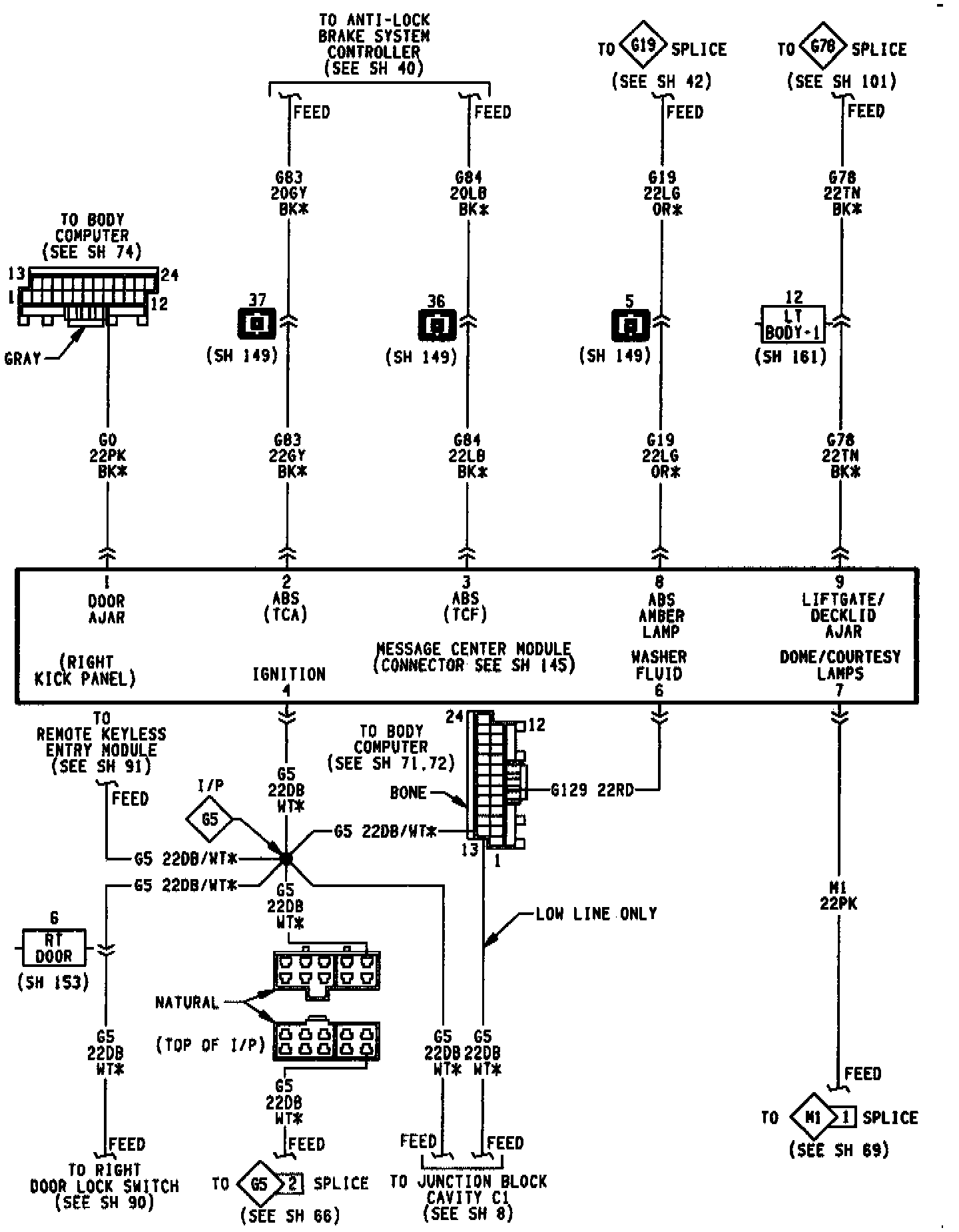
Driver/Vehicle Information Display
Driver/Vehicle Information Display
Message Center System: