Curiosii for ever!
: Car repair manuals for everyone.
Home
>>
Dodge
>>
1994
>>
Colt L4-1468cc 1.5L SOHC
>>
Repair and Diagnosis
>>
Diagrams
>>
Connector Views
>>
Powertrain Management
>>
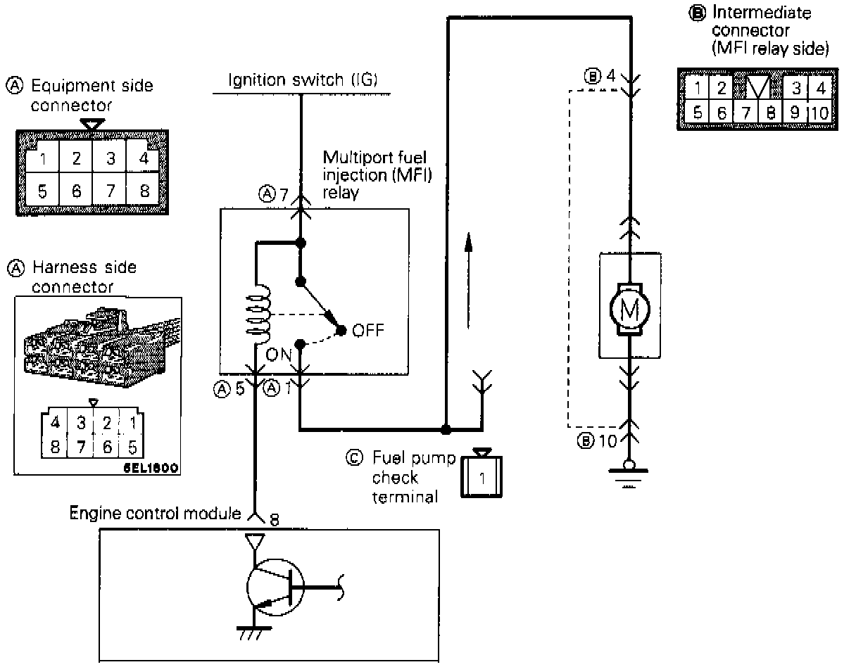
Fuel Pump
Fuel Pump
Fuel Pump Circuit: