Curiosii for ever!: Car repair manuals for everyone.

Crankshaft Position Sensor: Testing and Inspection

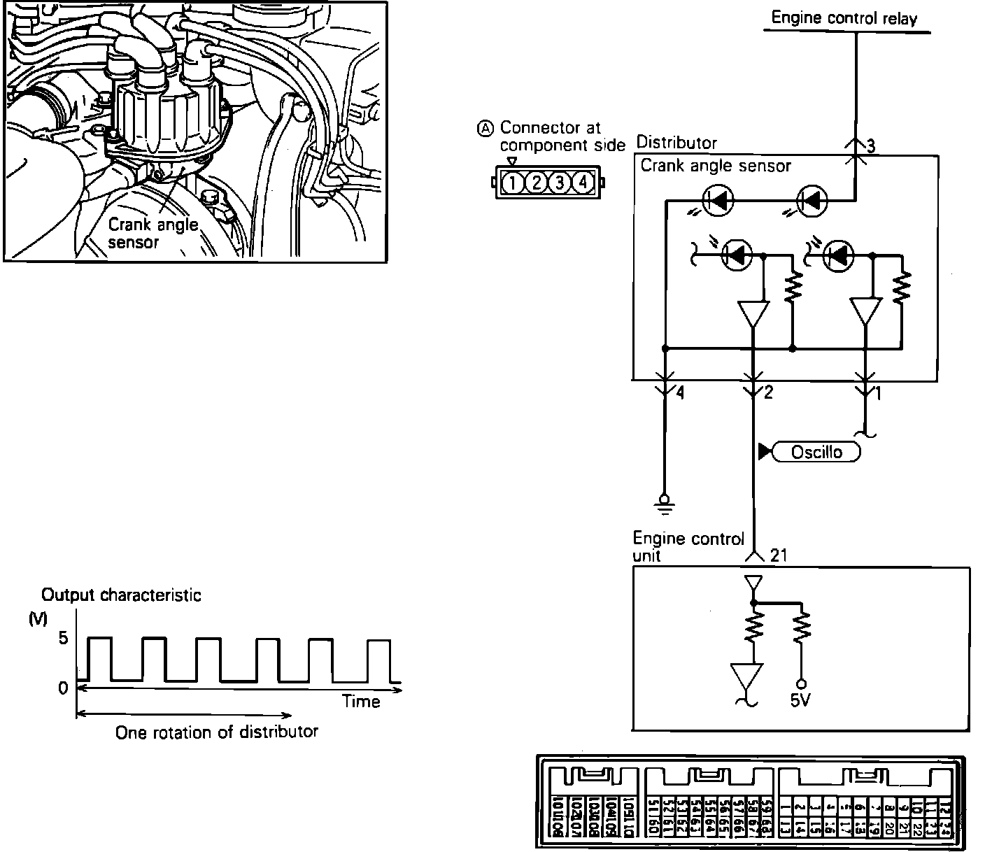
Crank Angle Sensor Circuit:





To test the Crank Angle Sensor located in the distributor, proceed as follows:

OSCILLOSCOPE TESTING PROCEDURE:
1. Connect test leads from the oscilloscope to the #2 terminal of the sensor connector and run the engine at idle speed.

Scope Pattern:





Check the waveform and compare it to the diagram shown.
If scope pattern is not as depicted in image, continue with the rest of the test procedures before replacing the assembly.


VOLTAGE TESTING PROCEDURE:
1. Connect a voltmeter between terminal 2 and 4 of the crank angle sensor connector.
Terminal 2: Crank angle signal
Terminal 4: Sensor ground

2. Measure the output voltage of the terminals while cranking the engine.

Standard Approximate Values
1.8 - 2.5v (needle fluctuates)

3. When the voltage is abnormal, check the sensor power and ground circuits.

HARNESS TEST:
1. Disconnect the crank angle TDC sensor connector and turn the key to the ON position.
2. Using a voltmeter, measure the power supply voltage between the harness connector terminal 3 and ground.

Voltage:
System voltage.

3. Check for continuity between the crank angle TDC sensor harness connector terminal 4 and ground.

Continuity:
Should exist.

4. Using a voltmeter, measure the output circuit voltage between the harness connector terminal 2 and ground.

Voltage:
4.8 - 5.5 Volts.



If any of the previous tests produce unsatisfactory results, the harness will need to be repaired or replaced. Once repairs have been completed, clear the trouble codes and road test the vehicle to confirm that the repair has corrected the problem and the code doesn't return.


If the same trouble code reoccurs, it is possible that there is an intermittent failure of the component or the ECU. Check for looseness at all harness junctions and test for an intermittent failure.