Curiosii for ever!: Car repair manuals for everyone.

A/C Signal: Description and Operation

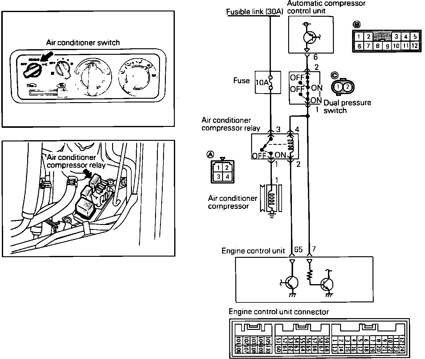
Air Conditioning Circuit:






OPERATION
When the driver turns on the A/C system, a positive voltage signal is supplied to the ECU (as an indication that the A/C system is needed) and to one side of the A/C relay coil, located on the relay box on the left fender apron.

The ECU determines if engine conditions are suitable for A/C operation (idle speed, ignition timing and air/fuel mixture). If the ECU senses that conditions are suitable for A/C operation, it supplies the ground circuit for the A/C relay coil, energizing it. This allows the relay to supply voltage to the compressor clutch.