Curiosii for ever!
: Car repair manuals for everyone.
Home
>>
Dodge
>>
1991
>>
Stealth V6-2972cc 3.0L SOHC
>>
Repair and Diagnosis
>>
Diagrams
>>
Connector Views
>>
Fuse Block
>>
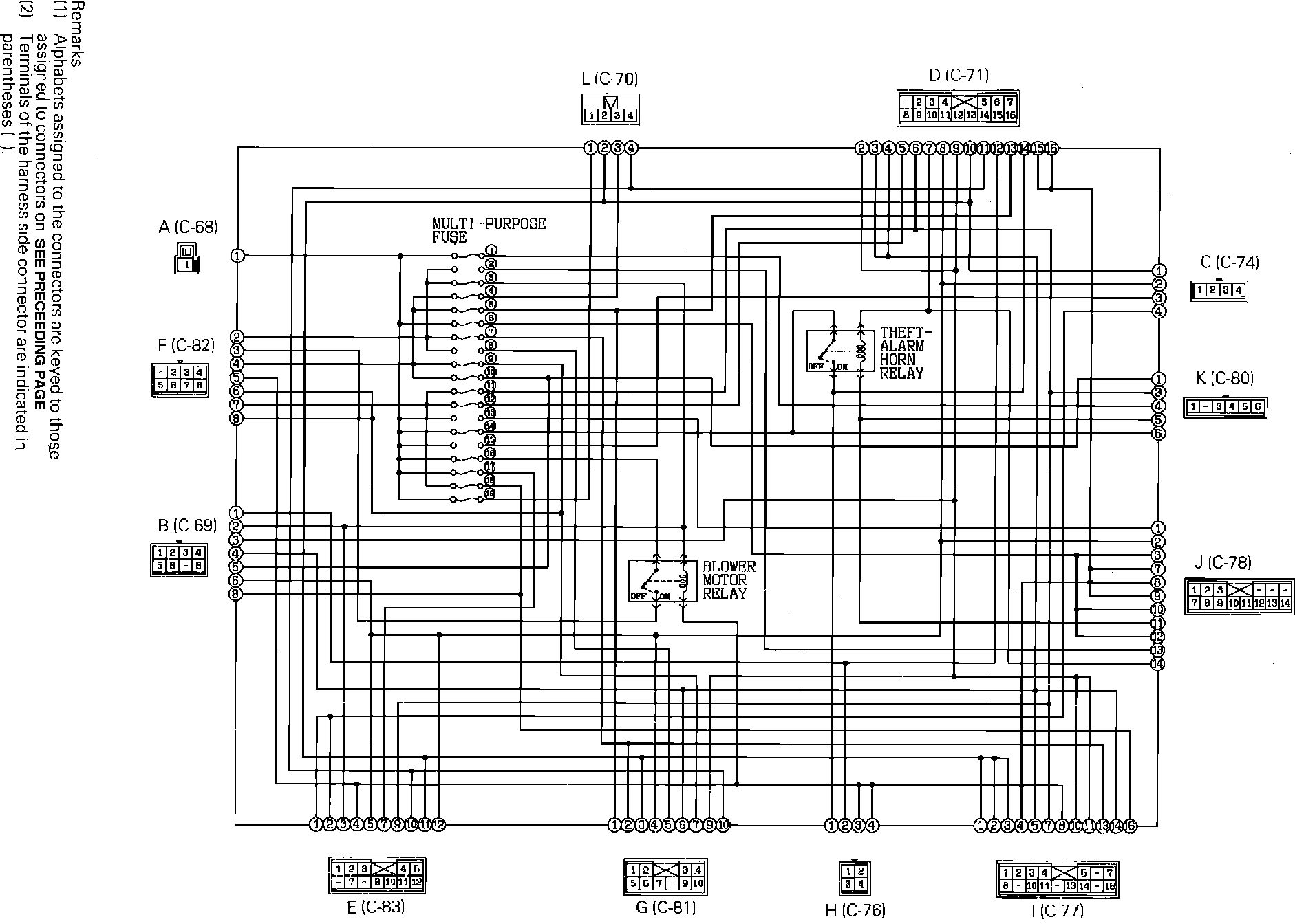
Junction Block
Junction Block
Junction Block:
Junction Block: