Curiosii for ever!
: Car repair manuals for everyone.
Home
>>
Dodge
>>
1991
>>
Dynasty L4-153 2.5L SOHC
>>
Repair and Diagnosis
>>
Powertrain Management
>>
Computers and Control Systems
>>
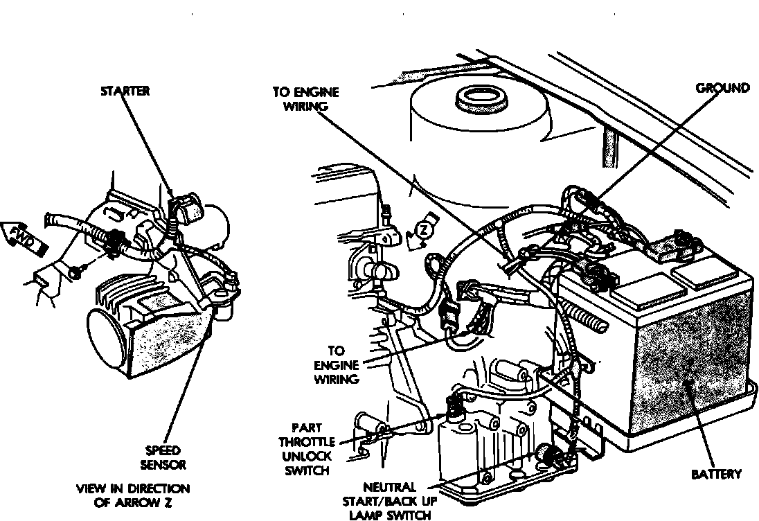
Vehicle Speed Sensor
>>
Locations
>>
Component Locations
Component Locations
Transaxle Components.:
Top Rear Of Transaxle
Applicable to: 2.5L/4-153