Curiosii for ever!
: Car repair manuals for everyone.
Home
>>
Dodge
>>
1990
>>
Dynasty V6-201 3.3L
>>
Repair and Diagnosis
>>
Brakes and Traction Control
>>
Hydraulic System
>>
Brake Fluid Level Sensor/Switch
>>
Service and Repair
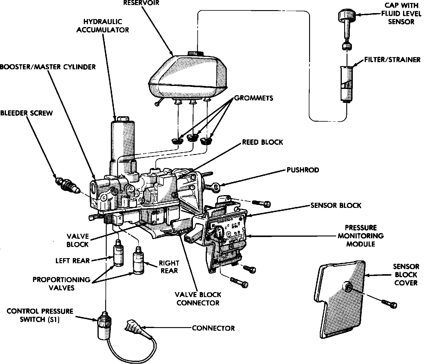
Brake Fluid Level Sensor/Switch: Service and Repair
Early Production
Hydraulic Assembly:
The fluid level sensor is part of the reservoir cap, and must be replaced as an assembly.