Curiosii for ever!
: Car repair manuals for everyone.
Home
>>
Dodge
>>
1990
>>
Daytona Shelby L4-135 2.2L SOHC Turbo
>>
Repair and Diagnosis
>>
Relays and Modules
>>
Relays and Modules - Wiper and Washer Systems
>>
Wiper Control Module
>>
Locations
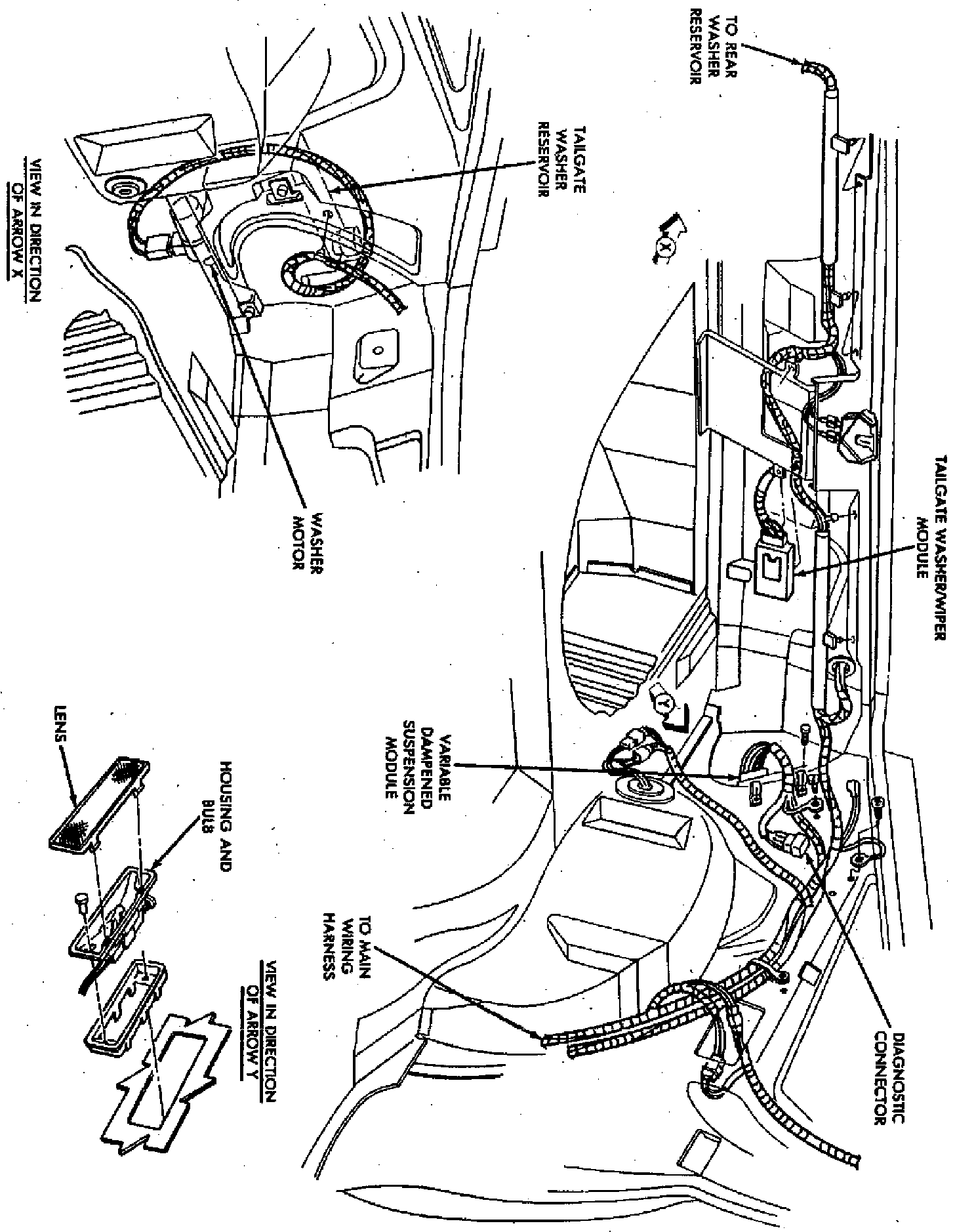
Wiper Control Module: Locations
Luggage Compartment Components.:
Center Rear Of Body
Applicable to: 1990