Curiosii for ever!
: Car repair manuals for everyone.
Home
>>
Dodge
>>
1990
>>
Colt L4-1597cc 1.6L DOHC
>>
Repair and Diagnosis
>>
Diagrams
>>
Electrical Diagrams
>>
Powertrain Management
>>
Ignition System
>>
System Diagram
>>
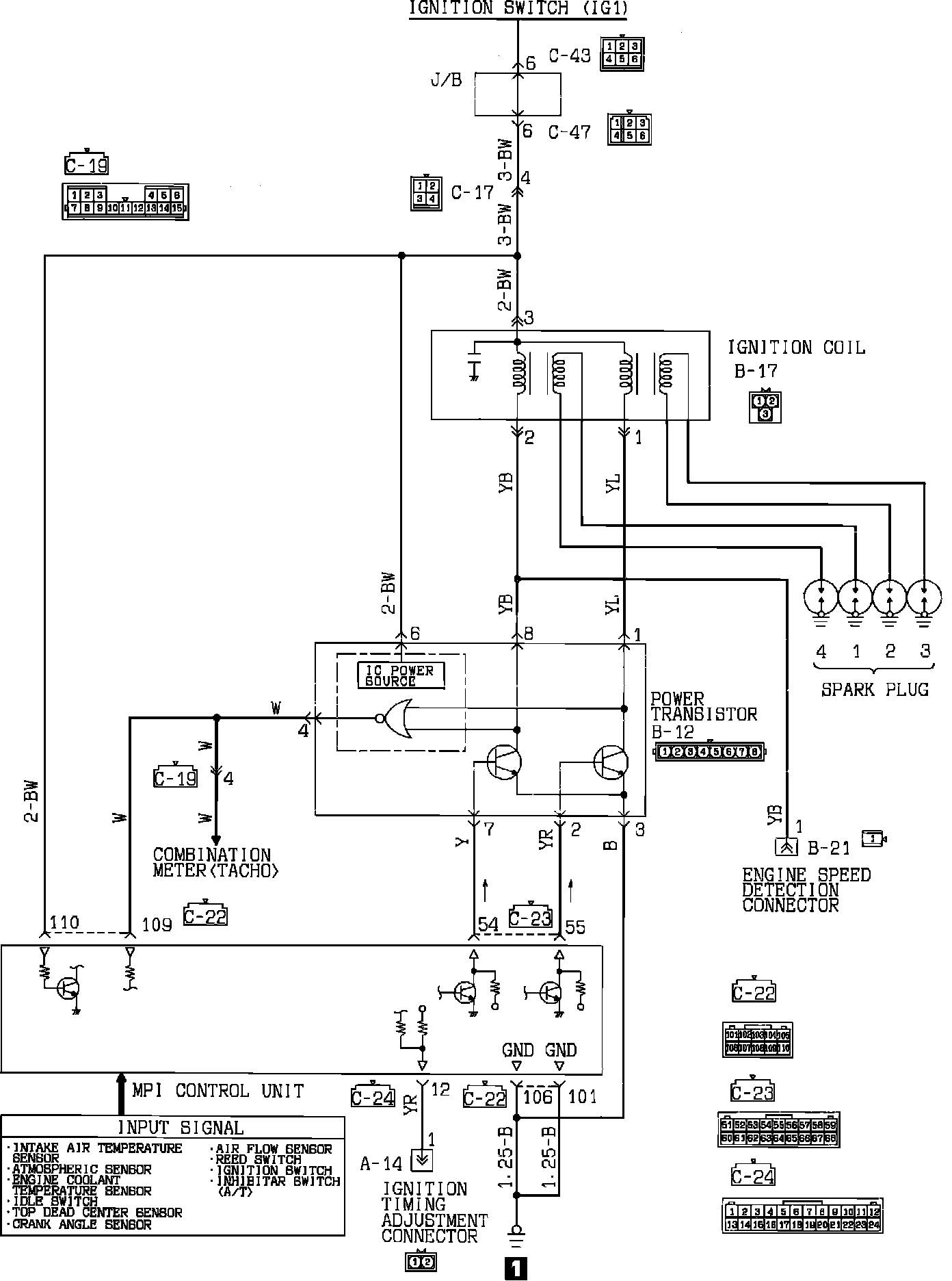
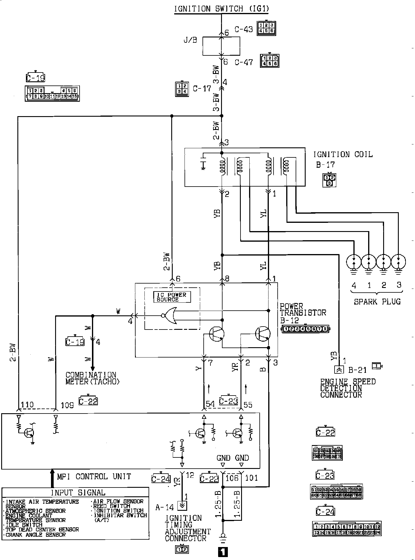
Ignition Switch/System
Ignition Switch/System
Ignition System:
Ignition System: