Curiosii for ever!
: Car repair manuals for everyone.
Home
>>
Dodge
>>
1989
>>
Lancer L4-153 2.5L SOHC
>>
Repair and Diagnosis
>>
Powertrain Management
>>
Computers and Control Systems
>>
Vehicle Speed Sensor
>>
Locations
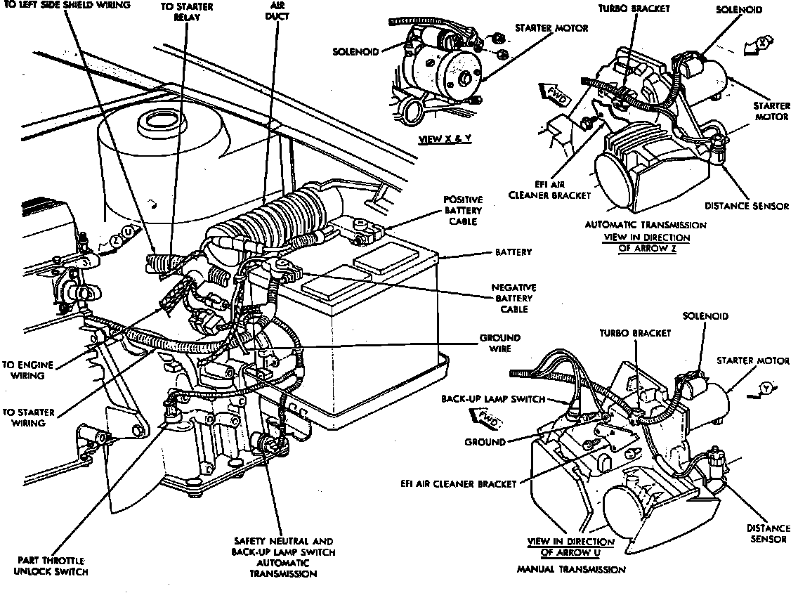
Vehicle Speed Sensor: Locations
Engine Compartment & Transmission Electrical Components:
Rear Of Transmission