Curiosii for ever!
: Car repair manuals for everyone.
Home
>>
Dodge
>>
1989
>>
Dynasty L4-153 2.5L SOHC
>>
Repair and Diagnosis
>>
Powertrain Management
>>
Computers and Control Systems
>>
Vehicle Speed Sensor
>>
Locations
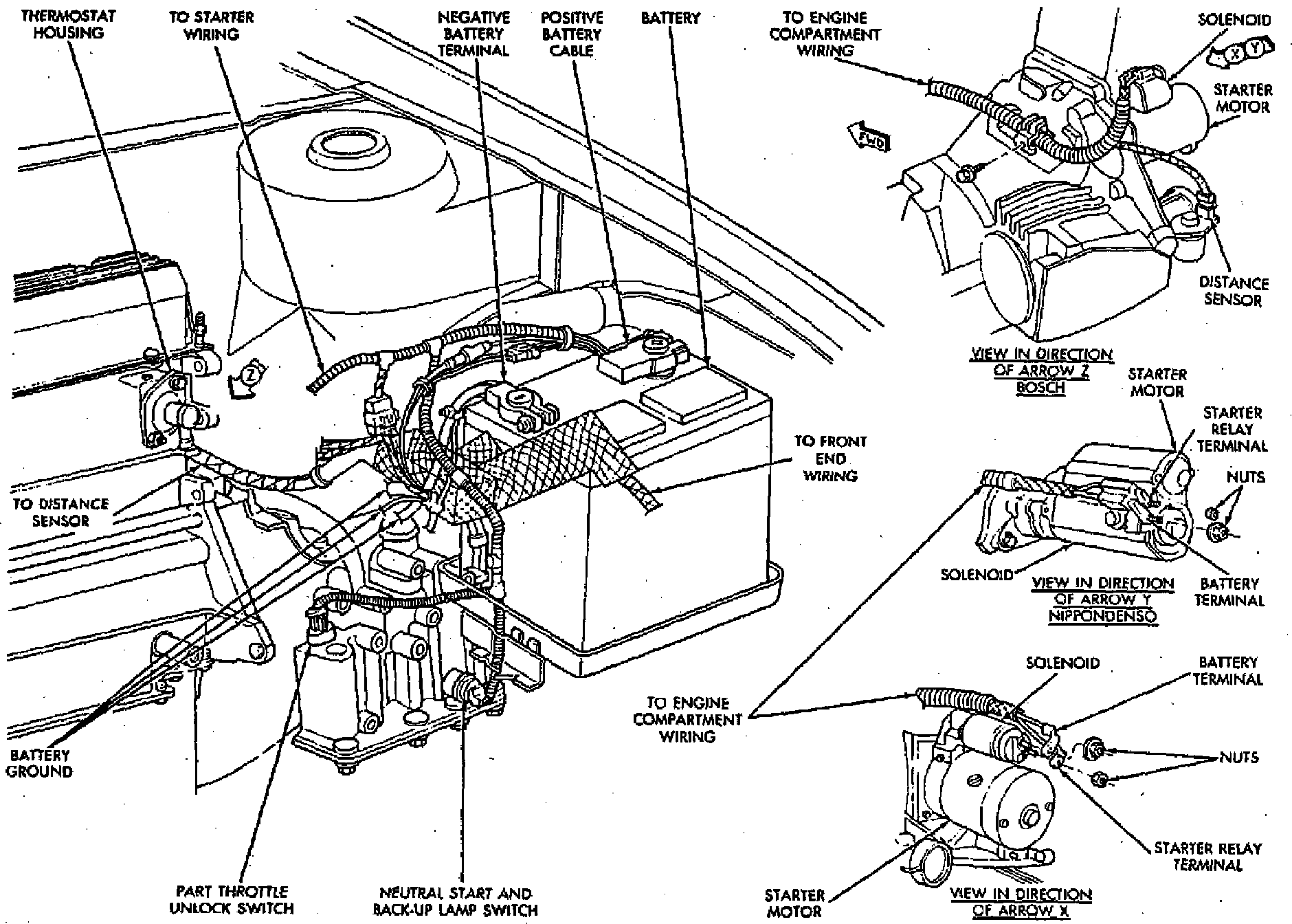
Vehicle Speed Sensor: Locations
Transmission Components.:
On LH Side Of Engine, Near Starter
Applicable to: 4-153/2.5L