Curiosii for ever!
: Car repair manuals for everyone.
Home
>>
Dodge
>>
1988
>>
Lancer L4-153 2.5L SOHC
>>
Repair and Diagnosis
>>
Locations
>>
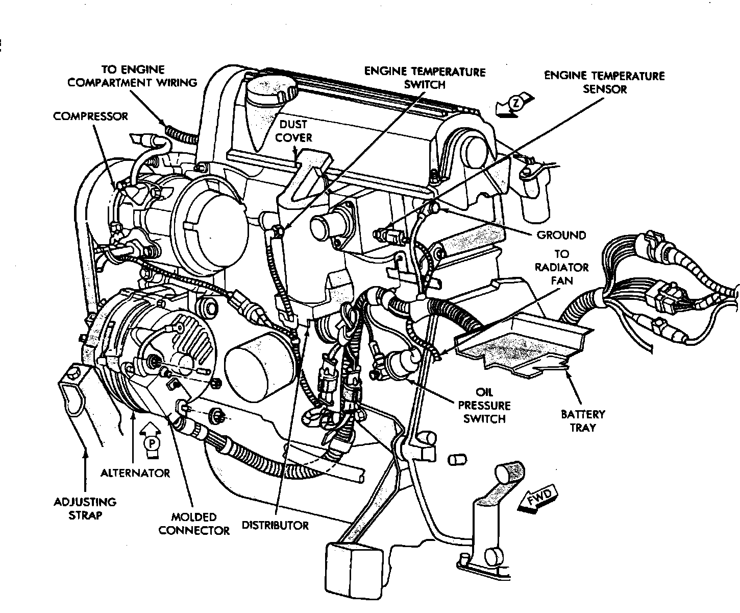
Ground Locations
Ground Locations
Engine Ground Locations: