Curiosii for ever!: Car repair manuals for everyone.

Engine: Service and Repair


1. Disconnect battery ground cable.
2. Scribe alignment marks on hood and hood hinge, then remove hood.
3. Drain cooling system, then disconnect radiator hoses at radiator and engine.
4. Remove air cleaner, radiator and fan shroud.

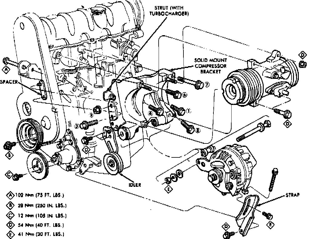
Fig. 18 Alternator & A/C compressor mounting bracket removal:





5. Remove A/C compressor from mounting bracket and position aside with hoses attached, if equipped.
6. Remove power steering pump from mounting bracket and position aside with hoses attached, if equipped.
7. Drain crankcase and remove oil filter.
8. Disconnect wire connectors at alternator, carburetor/throttle body and engine.
9. Disconnect fuel line, heater hose and accelerator cable.
10. Remove alternator from mounting bracket and position aside.
11. On models equipped with manual transmission, disconnect clutch cable, then remove transmission lower cover.
12. On all models, disconnect exhaust pipe from exhaust manifold, then remove starter motor.
13. On models equipped with automatic transmission, remove transmission case lower cover and place alignment marks on flex plate and torque converter. Remove converter to flex plate attaching screws.
14. On all models, install a suitable transmission holding fixture and attach a suitable engine lifting device.
15. Remove righthand inner splash shield and disconnect ground strap.
16. Remove righthand engine mount to insulator through bolt. If insulator screws are to be removed, mark position on side rail for exact reinstallation.
17. Remove transmission case to engine block attaching bolts.
18. Remove front engine mount to bracket bolt.

Fig. 9 Anti roll strut & damper:




19. On vehicles with manual transmission, remove anti-roll strut or damper.
20. On vehicles with manual transmission, remove insulator through bolt from inside wheel house, or insulator bracket to transmission screws.
21. Carefully lift engine from vehicle.
22. Reverse procedure to install.